How to replace a power steering pressure

Tiny
GALWITAVAN
  • MEMBER
  • 2000 FORD WINDSTAR
Steering problem 6 cyl Front Wheel Drive Automatic 139000 miles

How do I replace a power steering pressure line, can you please help?

I love your site
Tuesday, September 28th, 2010 AT 5:35 PM

15 Replies

Tiny
KEN L
  • MASTER CERTIFIED MECHANIC
  • 55,404 POSTS
Hello,

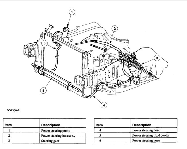
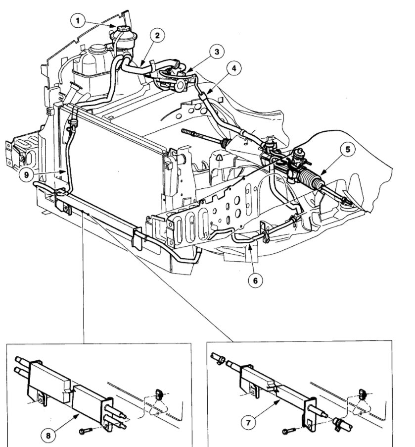
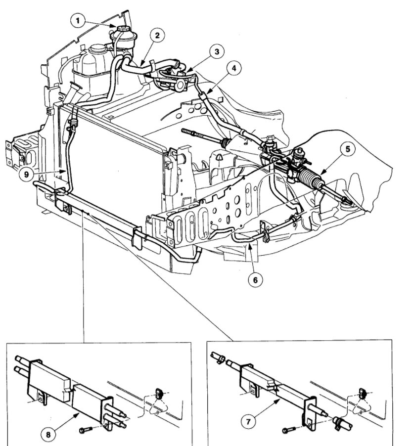
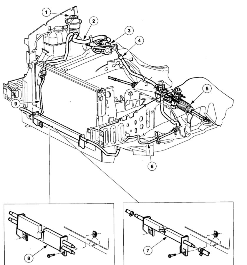
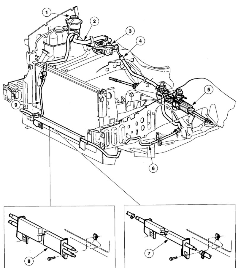
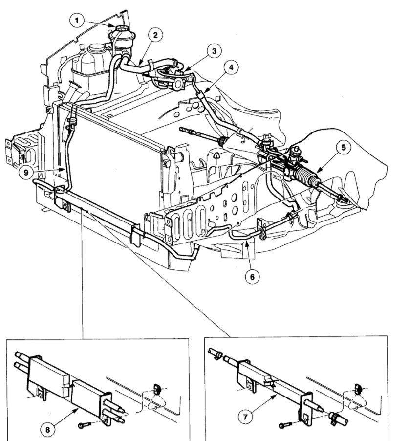
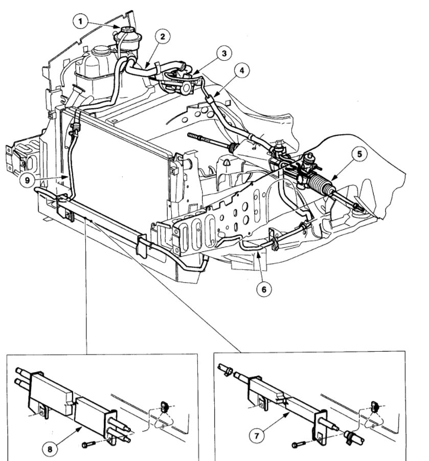
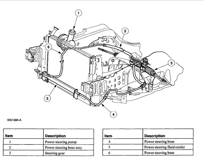
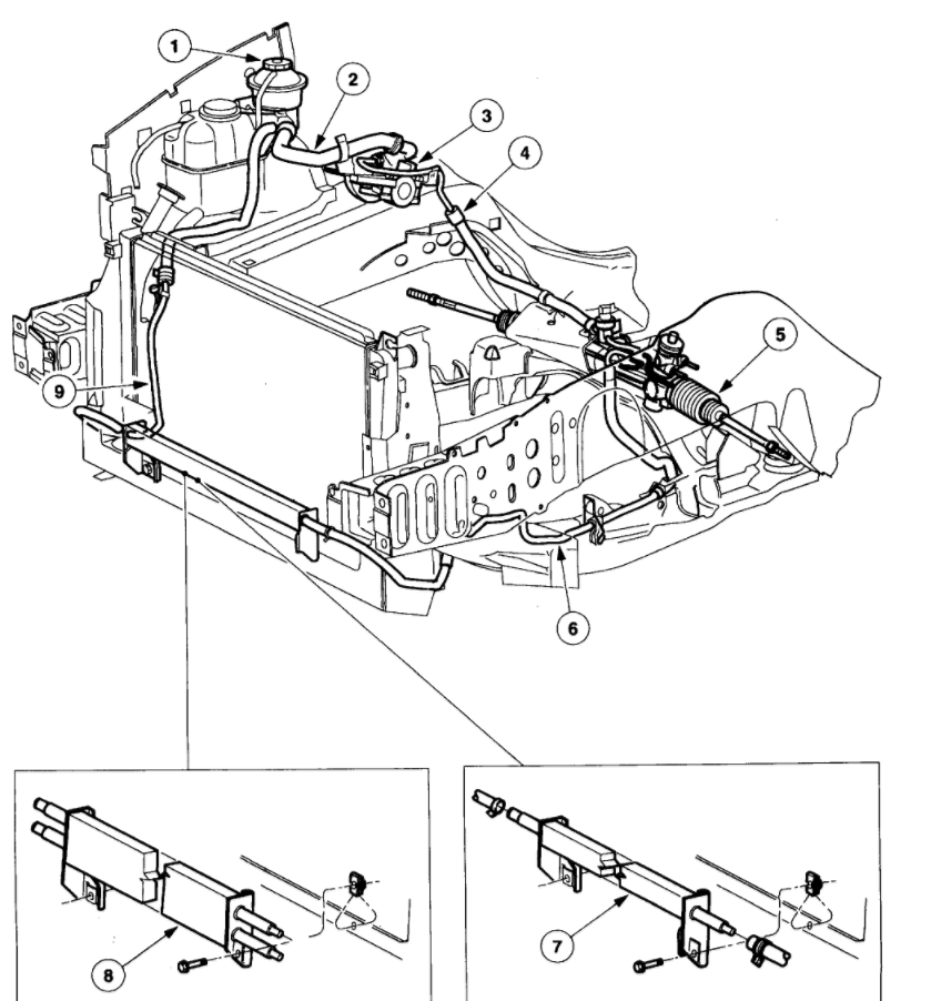
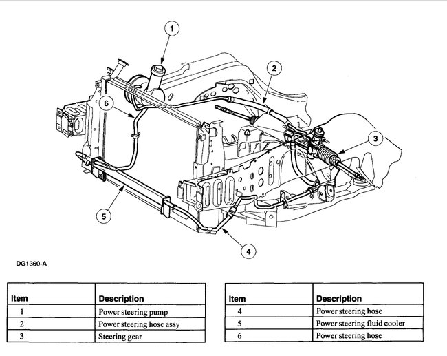
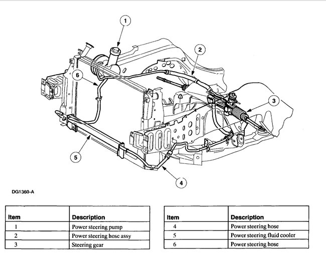
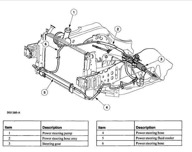
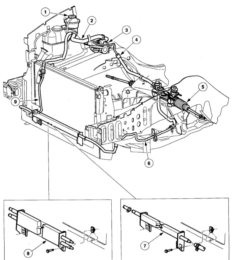
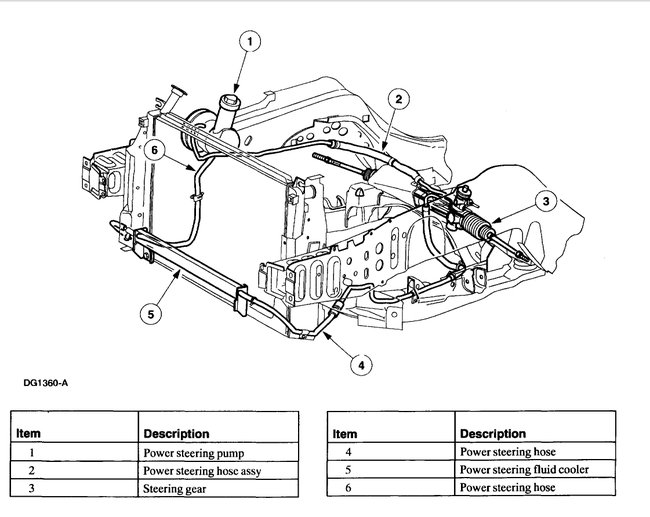
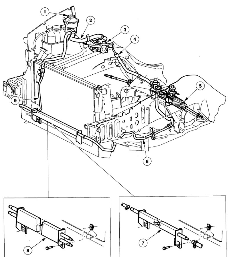
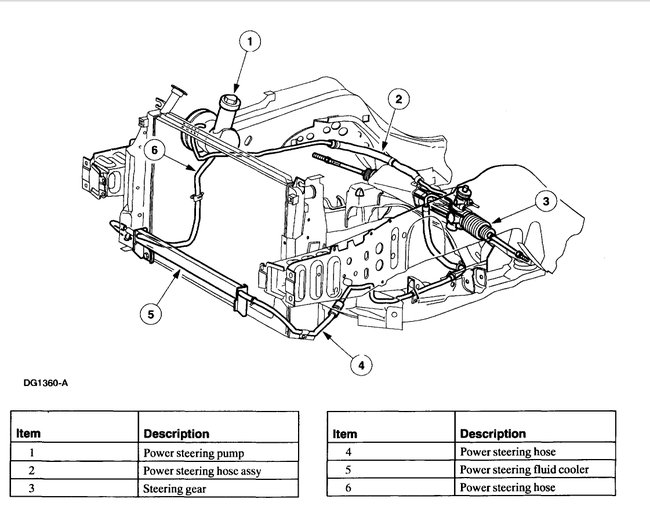
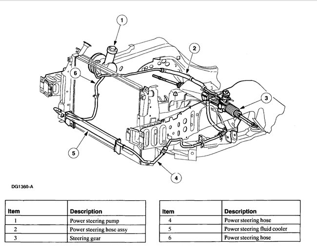
Here is a video and a guide (below) with some diagrams to help you get the job done.

https://youtu.be/BGBUv5r9fk0

Here are instructions from the book.

Park your car in a safe place. Make sure you have enough room at the front to work on your car. Open the hood and place a drain pain directly underneath the power steering hose you need to replace. Disconnect the hose you want to replace at the power steering pump. Use a tube wrench to loosen the nut.

Let the power steering fluid from the unplugged hose drip onto the drain pan. Disconnect the other end of the power steering hose from the rack and pinion assembly or linkage system, depending on the particular vehicle model you own. Use the tube wrench.

Let the power steering fluid drip onto the drain pan. Remove the hose from the engine compartment. Install the New Power Steering Hose

Connect the new power steering pressure hose to the rack and pinion assembly or linkage system. Start the connecting nut by hand to avoid damage to the threads. Connect the other end of hose to the power steering pump. Start the nut by hand first to avoid damage to the threads.

Tighten both ends of the steering hose connecting nuts using the tube wrench. Check the steering fluid level in the power steering reservoir, and add new fluid if necessary. The steering fluid level should be between the low and full marks. Use a funnel to add fluid through the reservoir dipstick tube or filler neck, depending on your particular vehicle model.

You should flush the system when completed.

https://www.2carpros.com/articles/power-steering-fluid-flush

Bleeding the Power Steering System

Start the engine. Turn the steering wheel fully to the left and right at least four times. Check the power steering fluid level. Make sure the level is between the "Low" and "Full" marks. Add as necessary. Repeat steps 2 and 3 until the power steering reservoir keeps the fluid at the appropriate level.

This guide will help you lift the car up

https://www.2carpros.com/articles/jack-up-and-lift-your-car-safely

Diagrams (Below)

Please let us know if you need anything else to get the problem fixed.

Cheers, Ken
Was this
answer
helpful?
Yes
No
+3
Wednesday, October 18th, 2017 AT 5:23 PM
Tiny
TATMANDO
  • MEMBER
  • 1 POST
  • 1998 FORD WINDSTAR
  • 230,000 MILES
1998 windstar power steering connections to the rack and pinon
Was this
answer
helpful?
Yes
No
+2
Wednesday, October 18th, 2017 AT 5:24 PM (Merged)
Tiny
DRCRANKNWRENCH
  • MECHANIC
  • 3,380 POSTS
They are usually esay to match up size and bends to figure out what goes where.
The largest fitting is the high presure intake and the outp willunderneath it or across from it and the other on is a return line.
If you have speed senstibe speed steering it looks more intimidating, but don't worry. When you start fitting ny size it is usually abvious as you put them on that some need to be routed/interchanged differantly.
Was this
answer
helpful?
Yes
No
+1
Wednesday, October 18th, 2017 AT 5:24 PM (Merged)
Tiny
REX JAMESON
  • MEMBER
  • 3 POSTS
  • 1998 FORD WINDSTAR
  • 6 CYL
  • FWD
  • AUTOMATIC
  • 150,000 MILES
Steering problem
1998 Ford Windstar 6 cyl Front Wheel Drive Automatic 150000 miles

Somehow, pressure is building in power steering return line between steering gear and pump reservoir & blowing the line apart in different places. I cannot find anything that could cause a blockage. Have blown thru line with air & seems ok.

What could cause pressure to build up here?
Was this
answer
helpful?
Yes
No
Wednesday, October 18th, 2017 AT 5:24 PM (Merged)
Tiny
SCHRIMPIEMAN
  • MECHANIC
  • 166 POSTS
Pwr Steering return line is designed to be low pressure, so there's got to be something blocking the path. It may require some logical diagnostics, but work your way from the pump back to the rack/pinion trying to find the blockage. Remove hoses and connections one by one, starting nearest the resovoir. Blow into the hose towards the resovoir and see if there is free flow.

When you get to a connection which no longer allows air flow, you know the blockage is someplace between that connection and the one you tried previously.

You mentioned "blowing thru line with air and seems ok." If you disconnected the hose at the pump resovoir and air passed thru, then the blockage is at the resovoir inlet nipple. Remove pump, detach resovoir, and inspect. Clean or replace as necessary.
Was this
answer
helpful?
Yes
No
Wednesday, October 18th, 2017 AT 5:24 PM (Merged)
Tiny
REX JAMESON
  • MEMBER
  • 3 POSTS
Thanks, you confirmed my thinking. I've done as you suggest and can't find a blockage. I put a pressure gauge on the line. On startup (cold morning) pressure spikes to about 450 psi for about 30 seconds then drops to about 100. After idling for a minute or two, down to about 50. After warm up down to about 30 or 40.

Any thoughts on why the high spike? Can't be just the cold oil, cause it drops pretty quickly after the first spike.
Was this
answer
helpful?
Yes
No
Wednesday, October 18th, 2017 AT 5:24 PM (Merged)
Tiny
SCHRIMPIEMAN
  • MECHANIC
  • 166 POSTS
By any chance you have the pressure lines reversed? Either on the pump itself (highly unlikely), or if there was some work done on the rack/pinion, if the lines are reversed on the rack?

But even on the rack/pinion, I think there are two sizes of spin-on connectors, so reversing them is impossible.

If the reversed-connector idea is not applicable, I'd recommend removing the pwr steering pump and paying special attention where the return line plugs into the resovoir. There's got to be a blockage there.
Was this
answer
helpful?
Yes
No
Wednesday, October 18th, 2017 AT 5:24 PM (Merged)
Tiny
REX JAMESON
  • MEMBER
  • 3 POSTS
I have not had the lines completely off, so they are not reversed, but here is the latest.

If I run a piece of hose about 10 inches long from my pressure gauge to the bottom of the reservoir, gauge shows no pressure in return line, even when starting from a cold condition. So the inlet to the reservoir is ok.

Reconnecting from the gauge to the cooler tube and back to the reservoir results in high pressure again. So I figured tubes are plugged. Replaced them with new. Same result.

Replaced power steering fluid with ATF type F fluid. Pressure drops to about half. Cold morning, starts out at about 200 psi now and drops to about 80 until it warms up, then drops to 20-30.

Any thoughts?
Was this
answer
helpful?
Yes
No
Wednesday, October 18th, 2017 AT 5:24 PM (Merged)
Tiny
SCALIZZI
  • MEMBER
  • 1 POST
  • FORD WINDSTAR
Hi.I have been having trouble with my power steering hoses. They keep popping off and the fluid is a grey/black color.I have tightened them a few time already. It has happened to each hose. The weather has been extremely cold here also.I have a 1996 Ford windstar. Please help me
Was this
answer
helpful?
Yes
No
Wednesday, October 18th, 2017 AT 5:24 PM (Merged)
Tiny
SERVICE WRITER
  • MECHANIC
  • 9,123 POSTS
I would flush out the fluid and replace it with new-uses transmission fluid. Try replacing the clamps with new ones. May have a pressure problem?
Was this
answer
helpful?
Yes
No
Wednesday, October 18th, 2017 AT 5:24 PM (Merged)
Tiny
SCHRIMPIEMAN
  • MECHANIC
  • 166 POSTS
I ran into this scenarion one time: I'll try to explain it best I can.

The factory hose (in part) is composed of both metal and rubber. At the junction of one of my customer's hoses (where the metal crimp meets the flexible rubber), there was a rip to the inside of the hose. It was not distinguishable at all from the outside. So as the PS Fluid flowed, it pushed a ripped portion of the rubber hose and acted like a check valve. I was about to give up, but started to disassemble each junction one by one to search for the obstruction. I used a dremil cutoff tool, slid off each hose off it's metal counterpart, and. Whaddya know? One junction had that ripped hose on the inside acting as a check valve. The ripped portion of rubber would bend as fluid started to flow, causing the obstruction.

Try to do your best in process of elimination to determine where the obstruction is. Maybe you have a hose junction acting like a check valve.
Was this
answer
helpful?
Yes
No
Wednesday, October 18th, 2017 AT 5:24 PM (Merged)
Tiny
NOCTURNAL
  • MEMBER
  • 1 POST
  • 1998 FORD WINDSTAR
  • 6 CYL
  • FWD
  • AUTOMATIC
  • 325,000 MILES
Steering problem
1998 Ford Windstar 6 cyl Front Wheel Drive Automatic 325000 miles

what could cause enough pressure to split a new rubber pwr strg return hose.
Was this
answer
helpful?
Yes
No
Wednesday, October 18th, 2017 AT 5:24 PM (Merged)
Tiny
MHPAUTOS
  • MECHANIC
  • 31,937 POSTS
HI there,

Possibly the pump developing to much pressure or a faulty hose.

Mark (mhpautos)
Was this
answer
helpful?
Yes
No
Wednesday, October 18th, 2017 AT 5:24 PM (Merged)
Tiny
SPIRITINTHESKY
  • MEMBER
  • 1 POST
  • FORD WINDSTAR
Every time I start or move my van the power steering fluid drains out, Have no idea why.
It is a 1998 ford windstar, 8 cilender, 122 thousand miles

Someone said might be pump or busted hose, and check engine light has always been on since I bought and no one can find problem
HELP
Was this
answer
helpful?
Yes
No
Wednesday, October 18th, 2017 AT 5:24 PM (Merged)
Tiny
SERVICE WRITER
  • MECHANIC
  • 9,123 POSTS
For the check engine light, you will need to get the codes from the computer read to begin diagnosis.

For the power steering fluid, you need to fill it, have one person turn the wheel back and forth with the engine on, while the other person looks to see where it's coming from. Once you find the source, take a picture and post it for identification.

Back to the CEL, I would be concerned about this and look into it. This 3.8 engine is sometimes refered to as a timebomb. The only year this particular engine fits is 98 and has a bad reputation.
Was this
answer
helpful?
Yes
No
Wednesday, October 18th, 2017 AT 5:24 PM (Merged)

Please login or register to post a reply.