Hello
I have provided where the relay and fuse are.
Also, you can check the blower by putting 12 volts directly to the plug. I would think your blower is bad.

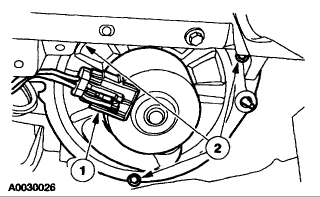
Blower motor removal
REMOVAL

Remove pin-type retainers and the right instrument panel insulator.

Remove the blower motor.
1 Disconnect the electrical connector
2 Remove the screws and remove the blower motor.
INSTALLATION
To install, reverse the removal procedure.
Sunday, November 9th, 2008 AT 8:39 PM