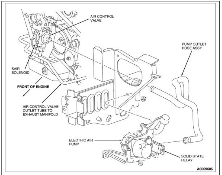
I had just failed a emissions testing and got the code p1414 which is the secondary air injection system monitor circuit high voltage. I'm trying to figure out what parts are involved to this system before I go to a mechanic to have fixed. If anyone has an idea and could geve me more info on this, it sure would be appreciated!
Wednesday, October 14th, 2009 AT 2:52 PM




