HOME
ASK A QUESTION
REPAIR GUIDES
BECOME A MEMBER
LOG IN
Login with Facebook
OR
Remember me
NOT A MEMBER?
FORGOT PASSWORD?
CONTACT US
PRIVACY POLICY
TERMS AND CONDITIONS
☰
Home
Ford
Taurus
Interior
Speaker
1994 Ford Taurus Wireing
JAMESSNELL
MEMBER
1994 FORD TAURUS
1994 Ford Taurus
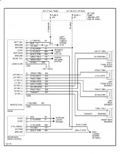
What color is the negtive wire in the front speakers.
Saturday, June 20th, 2009 AT 7:41 PM
1 Reply
BMRFIXIT
MECHANIC
19,053 POSTS
Was this
answer
helpful?
Yes
No
Saturday, June 20th, 2009 AT 9:02 PM
Please
login
or
register
to post a reply.
Related Speaker Content
1994 Ford Taurus Dome Light And Rear Hatch Light...
Electrical Problem 1994 Ford Taurus 6 Cyl Front Wheel Drive Automatic I Have A Problem With My Ford Taurus Station Wagon Rear Hatch...
Asked by
alcaf
·
3 ANSWERS
1994
FORD TAURUS
VIDEO
Door Panel Removal & Speaker Replacement
Instructional repair video
1994 Ford Taurus Interior Lights
Interior Problem 1994 Ford Taurus Engine Size Unknown Front Wheel Drive Automatic 10000 Miles After Temperatures Dropped Overnight...
Asked by
genise
·
5 ANSWERS
1994
FORD TAURUS
1994 Ford Taurus Dashboard Engine Temperature...
Doesn't Seem To Work Anymore. Before I Had The Transmission Rebuilt, It Worked But It Got Kinda Wild! Now It Just Makes Slight Attempts...
Asked by
Gacole3
·
4 ANSWERS
1994
FORD TAURUS
2001 Ford Taurus Broken Gas Pedal
My Gas Pedal Broke; It Is Now Just Laying Attaced And Sitting On The Floor. I Tried Lifting It Back Up And Noticed It Looked Like It Was...
Asked by
kfj5915
·
3 ANSWERS
2001
FORD TAURUS
Cruise Control Wires
My Car Was Stolen They Ripped The Wires On The Right Hand Side Of The Steering Column Out And It Wont Start There Are Six Of Them For Cruise...
Asked by
Brian Fahey
·
1 ANSWER
1 IMAGE
1999
FORD TAURUS
VIEW MORE
Ask a Car Question. It's Free!
Door Panel Removal
Instrument Cluster Replacement
Window Switch Replacement and Test