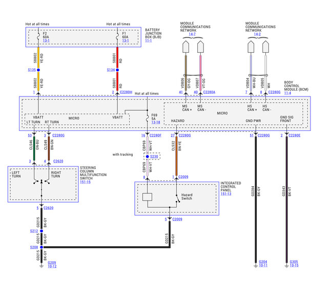
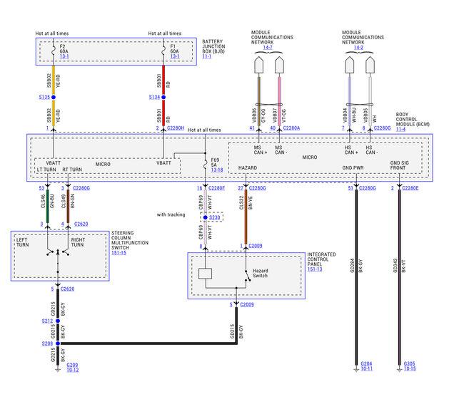
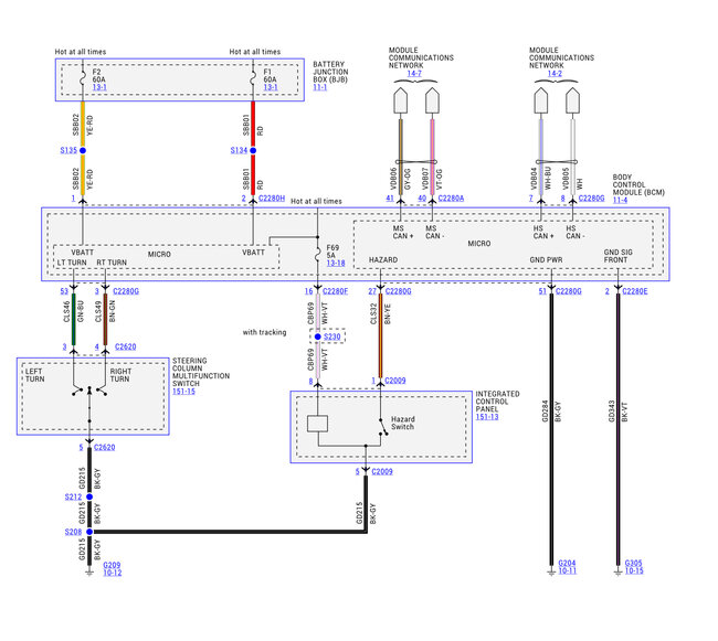
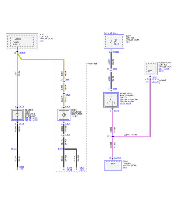
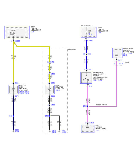
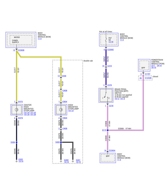
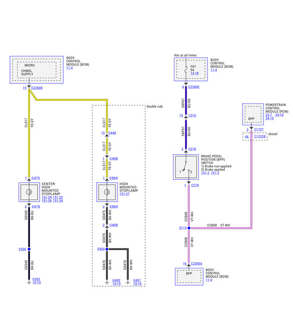
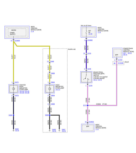
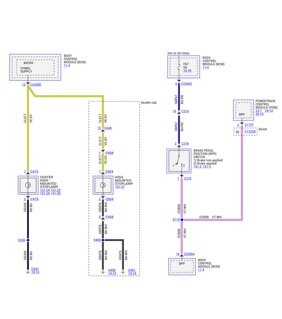
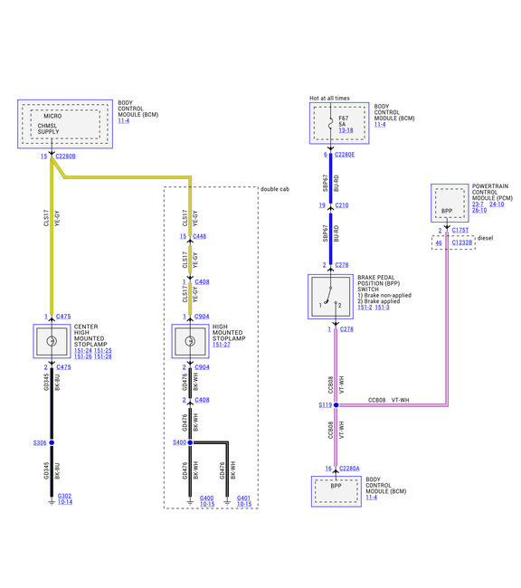
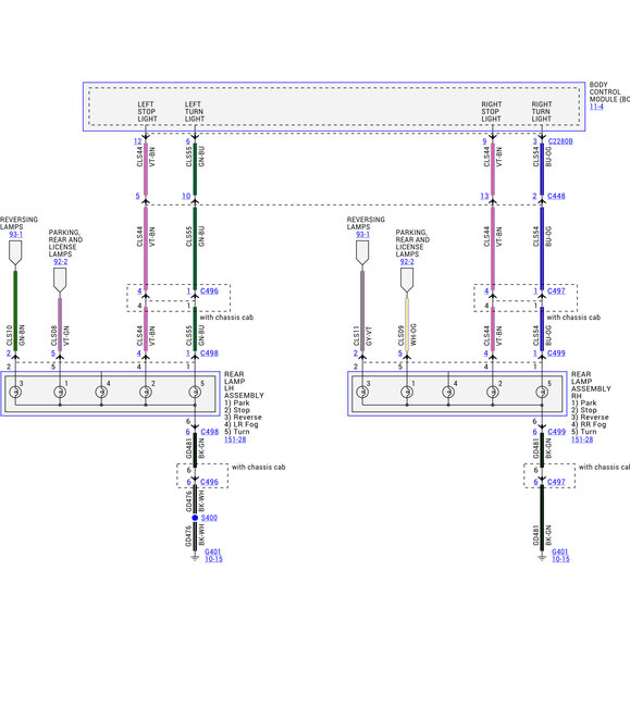
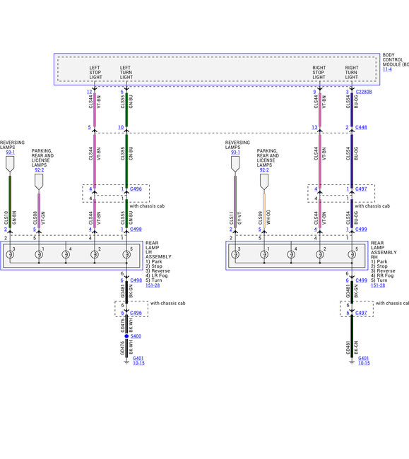
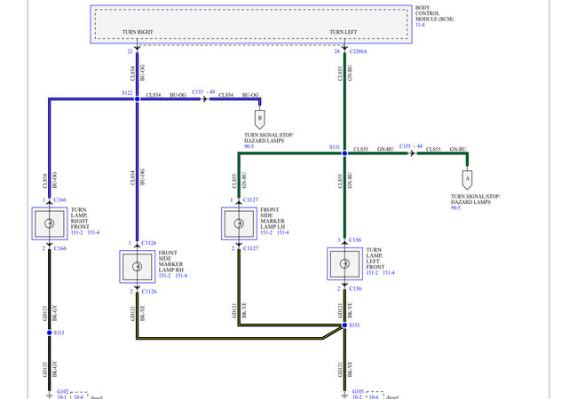
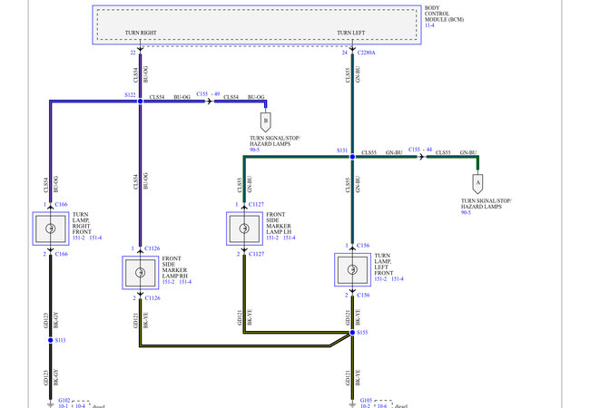
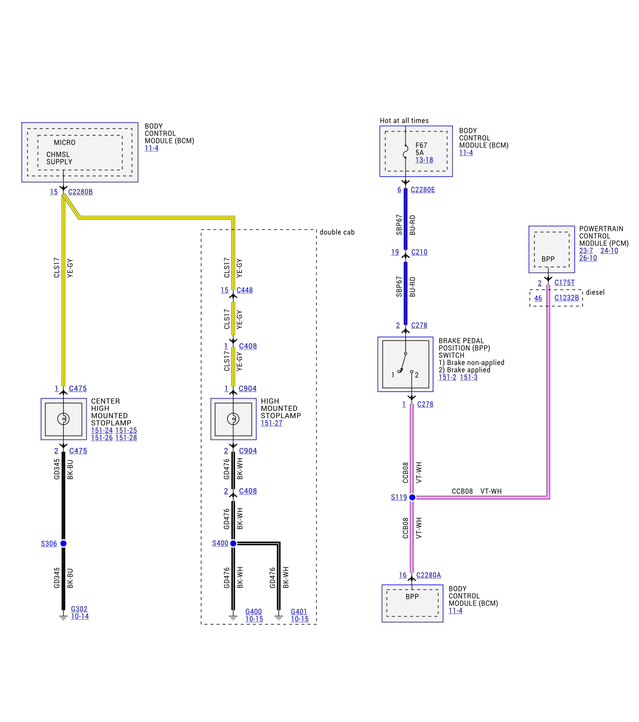
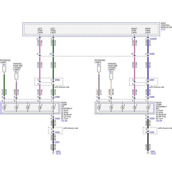
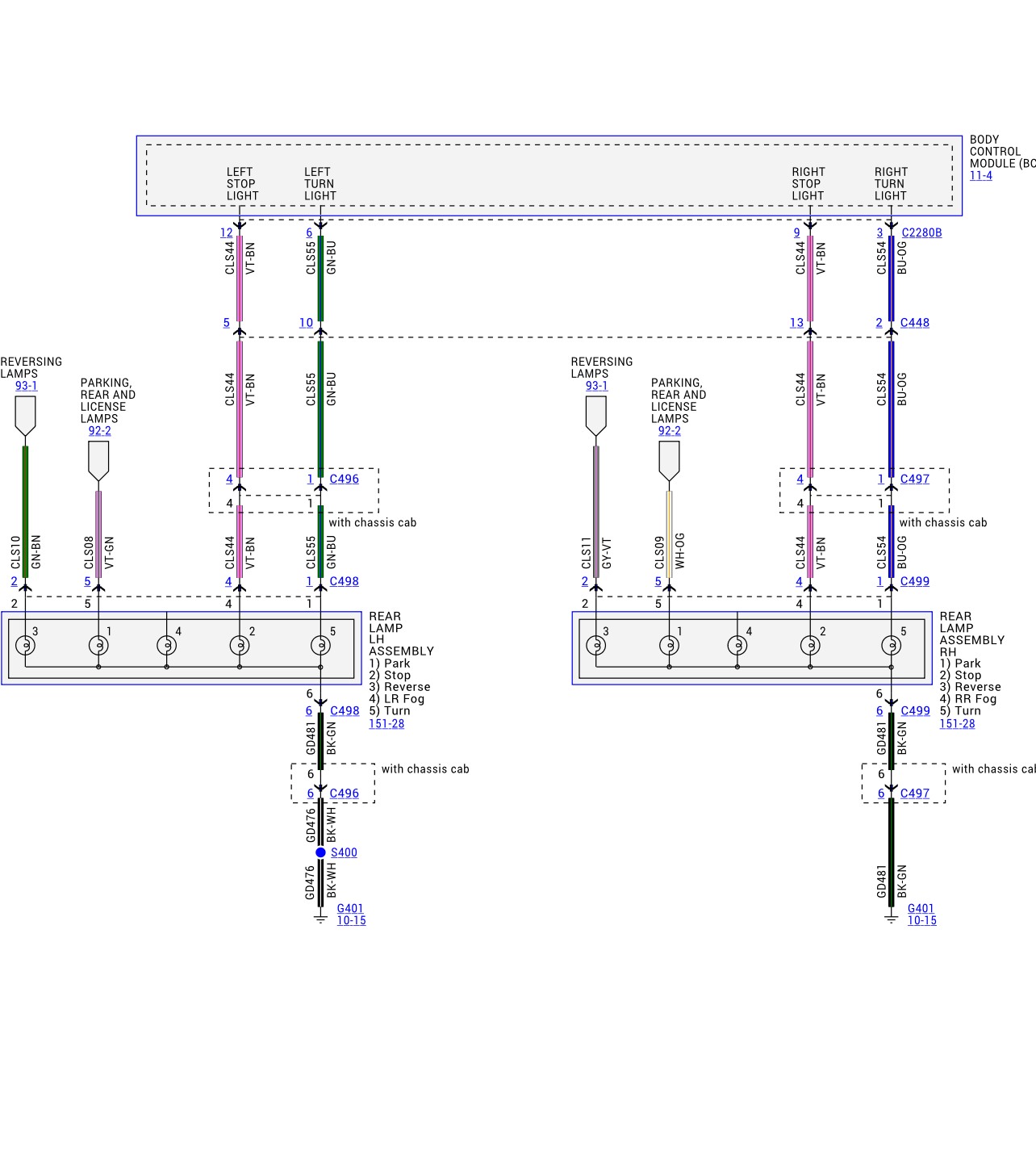
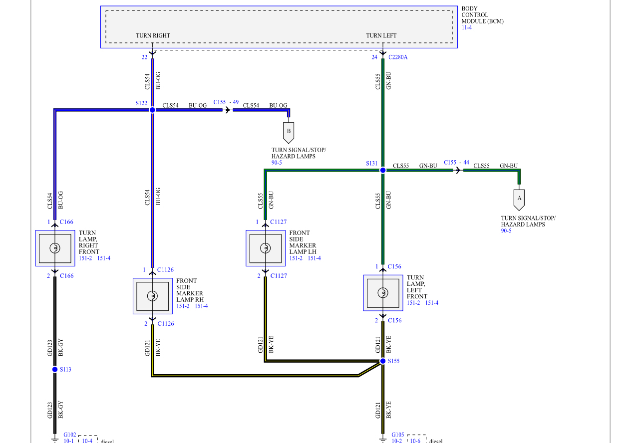
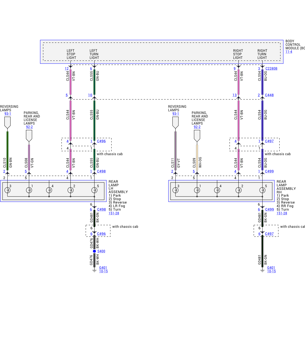
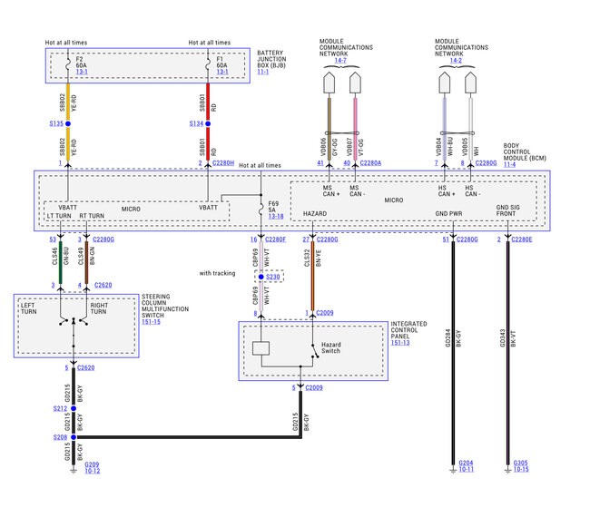
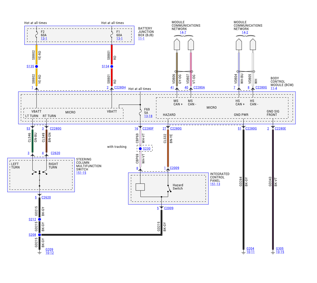
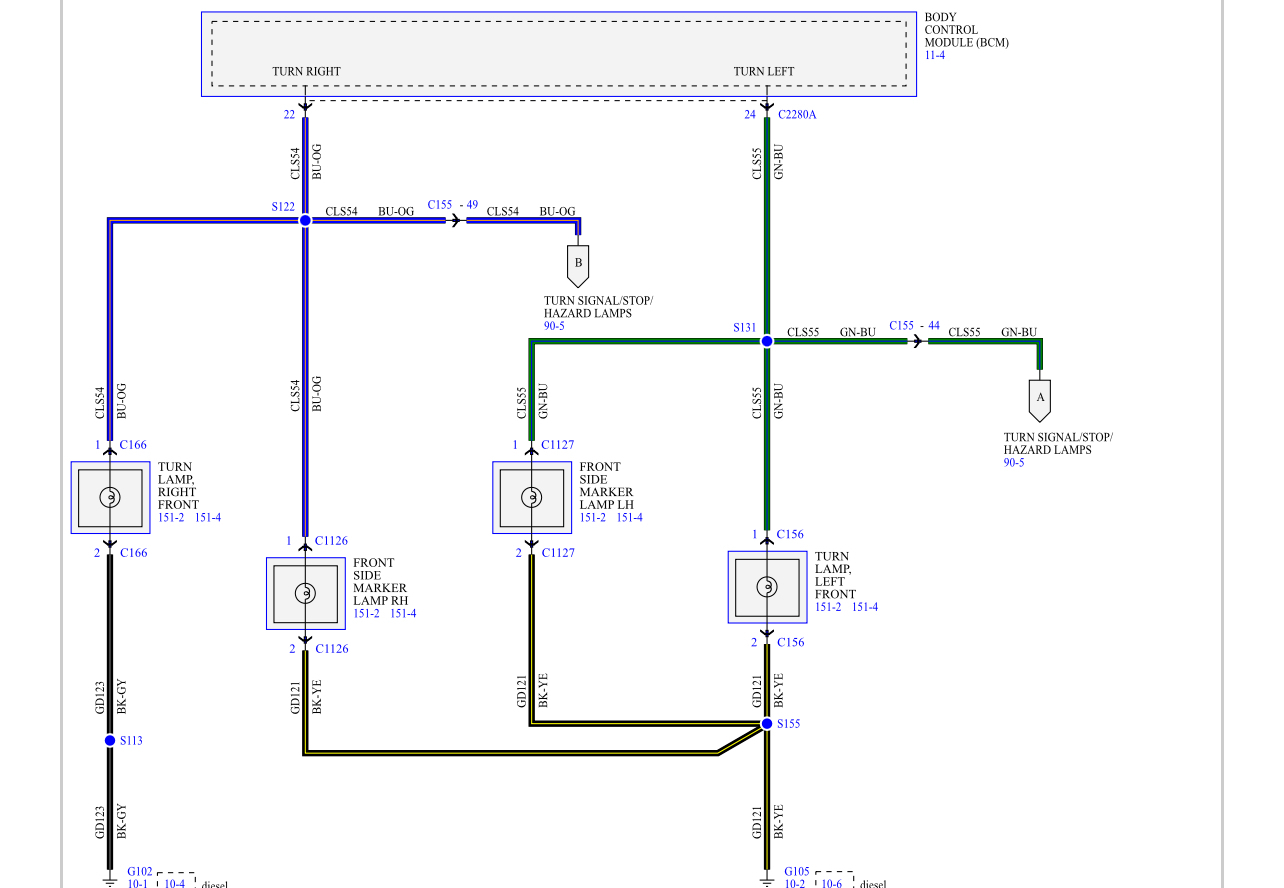
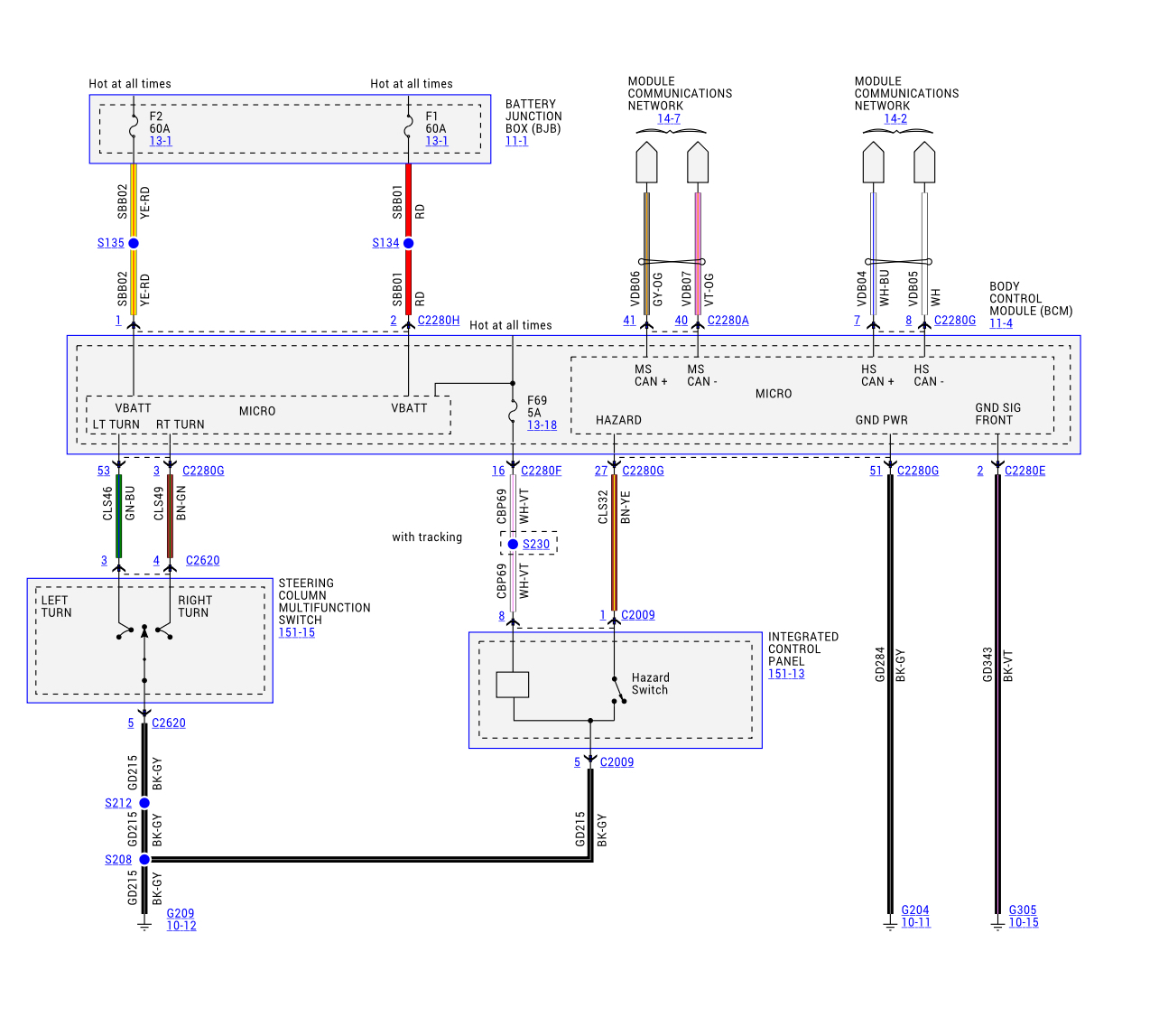
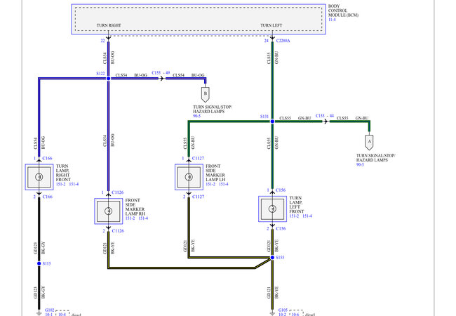
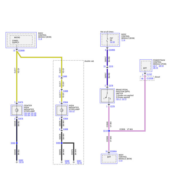
I need a wiring diagram for the brake pedal switch including wiring to the taillights. My brake lights are not working, fuses and relays are okay, brake pedal switch replaced but still the same. I now need the wiring diagram to trace the wires and find out where the problem is. Thank you so much.
Thursday, February 6th, 2025 AT 2:35 PM






