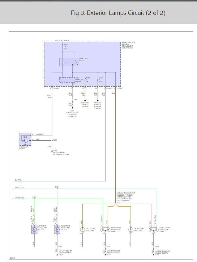
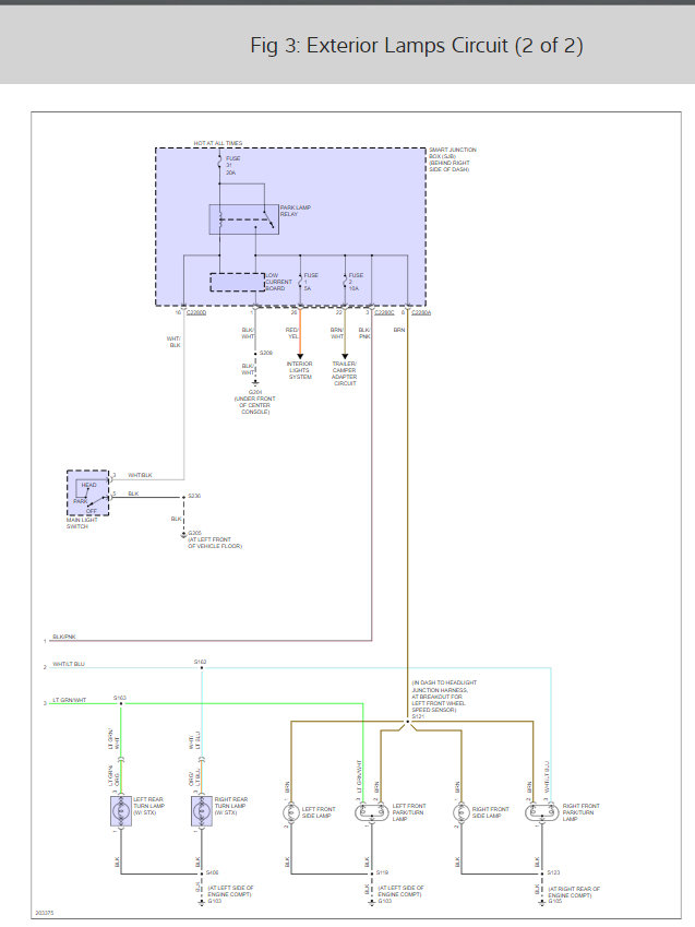
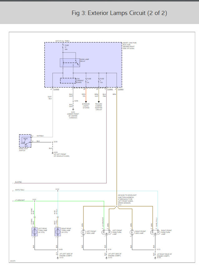
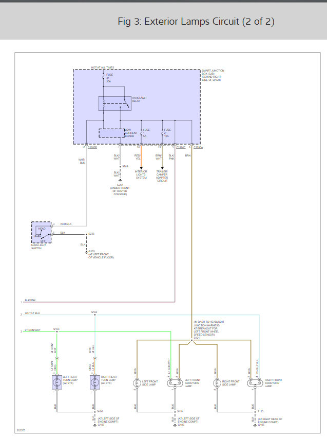
my ranger came from the factory with a 4 wire flat connector. I installed a 7 wire to pull a camper. It has worked fine up until now. I have lost marker/tail lights. I have checked all the fuses that I can find to check and checked all my wires. I don't have any broken wires. I cannot get current to the tail/marker lights. What else can I check? Thanks.
Monday, April 26th, 2010 AT 3:53 PM





