Friday, January 16th, 2009 AT 12:55 PM
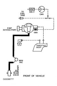
My ranger shutters and stalls when I go over 3000 rpm or when the temperature is below zero until the engine warms up. It sounds like a bearing squeel for a second during the shutter and then clicks and continues along just fine. No trouble lights come on when this happens and I have recently changed my fuel filter and spark plugs. I'd like to get this fixed before it breaks down. I was also wonder where my PCV valve is. The 2003 model isn't addressed in Chiltons or Hanes manuals.



