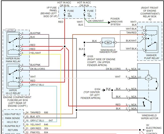
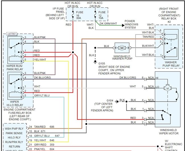
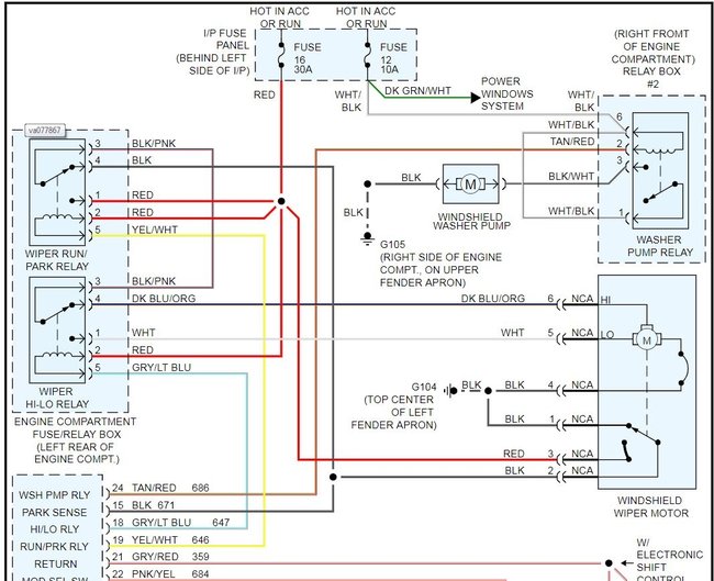
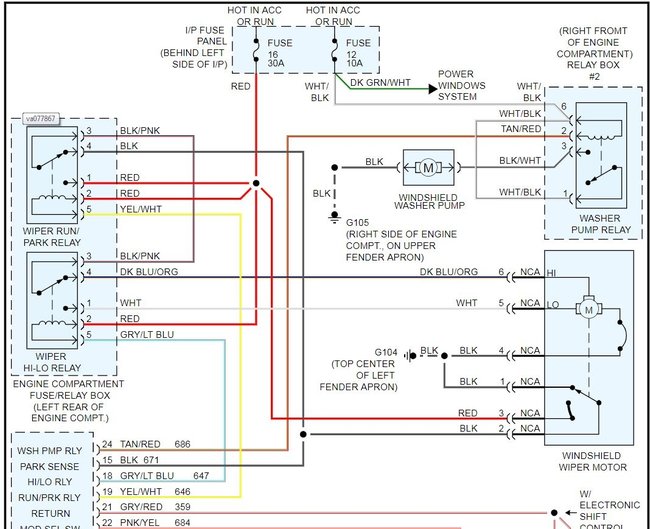
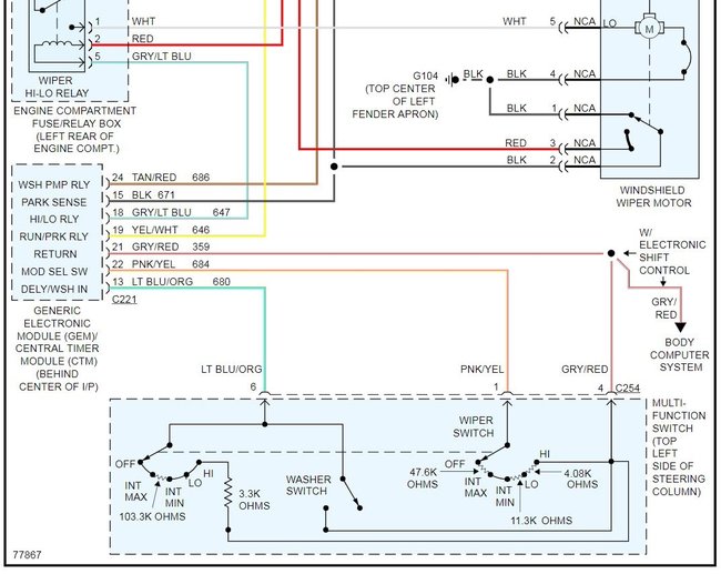
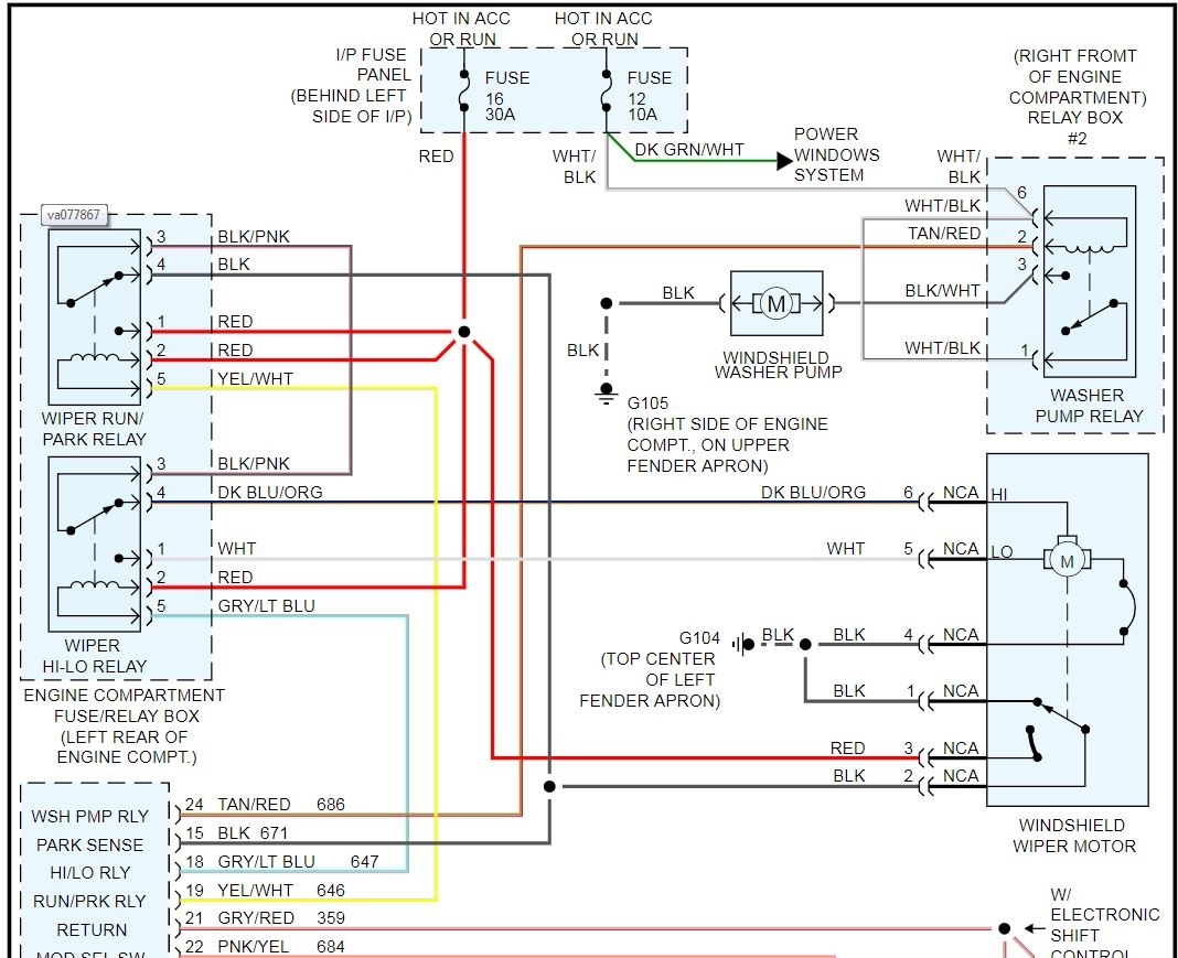
wipers quit Smelled something electrical cook. Replaced motor and burned out fuse. I have no power to new motor. Is there a relay somewhere that cooked? I unfortunately don't have an owners manual or schematic of system. Any help before it rains or snows would be great.
Wednesday, November 19th, 2008 AT 9:04 PM



