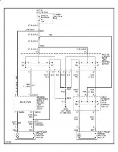
2002 Ford Mustang 6 cyl Automatic 93000 miles
my driver side window in down and wont come back up. I can here a clicking sound but nothing will happen. Is there a fuse I should check or what shall I do? I don't have a manual to look this up
Sunday, June 7th, 2009 AT 1:23 PM


