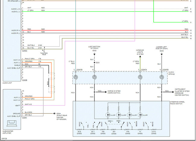
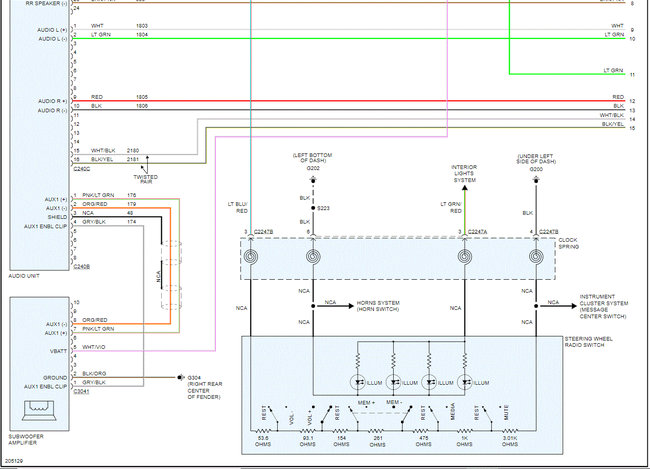
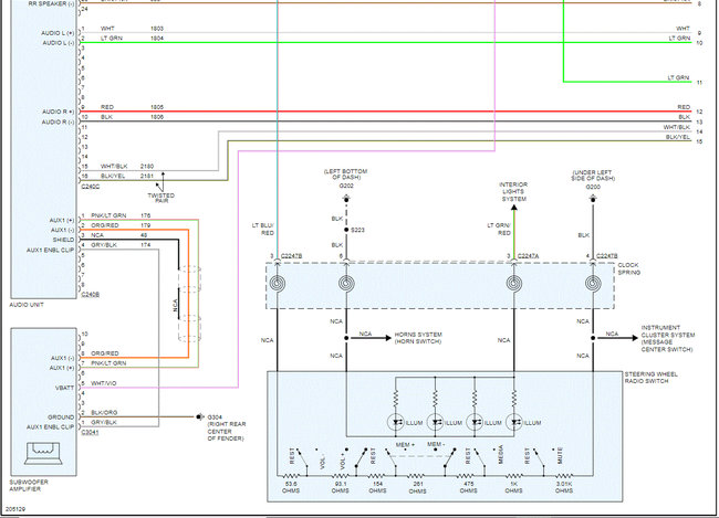
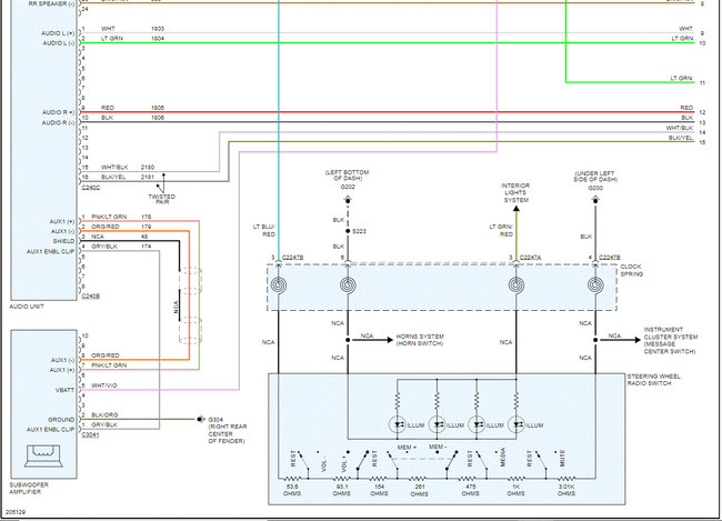
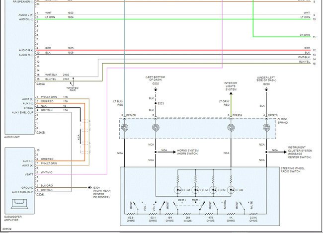
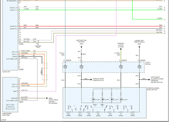
The wiring diagram is from a shaker model. I think that is a a amp addon and uses the J4 connector. Mine only has the J1 & J3 connectors. I think the pinouts are the same on all of these connectors.
My main concern would be not blowing the stereo because two units are inputting to the AUX. I don't plan on playing the DVD player and iPod and the same time but. I doubt the combined power of the two units would do any damage but tolerances of today's electronics are the same as in the 80's so I thought I'd ask.
Thanks for the time.
Sunday, April 20th, 2008 AT 8:05 PM





