1.Raise and support the vehicle.

2.Disconnect the adjusting clevis.
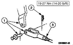
1 Remove the clevis pin locking pin.
2 Remove the clevis pin, and disconnect the adjusting clevis from the parking brake lever.( Parking Brake Release Handle Nuts 8-11 Nm (6-8 ft. lbs.)

3.Set the adjusting clevis.
1 Loosen the jam nut several turns.
2 Position the parking brake lever in the applied position.
3 Tighten or loosen the adjusting clevis until the adjusting clevis hole lines up with the parking brake lever hole, and then loosen the adjusting clevis 13 mm (0.5 inch).

4.Install the pins, and tighten the jam nut.
1 Install the clevis pin through the adjusting clevis and the parking brake lever.( Parking Brake Release Handle Nuts 8-11 Nm (6-8 ft. lbs.)
2 Install the locking pin in the clevis pin.
3 Tighten the jam nut.
5.Lower the vehicle.
6.Test the parking brake operation.
Wednesday, March 17th, 2021 AT 12:36 PM