Saturday, October 2nd, 2010 AT 12:08 PM
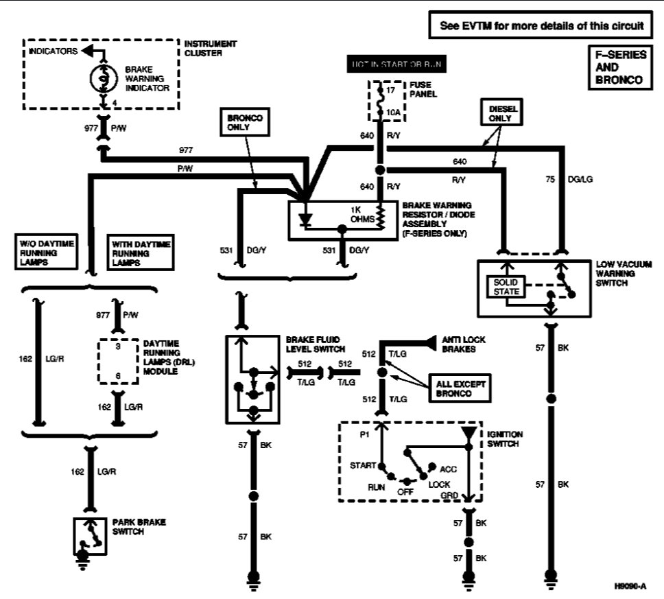
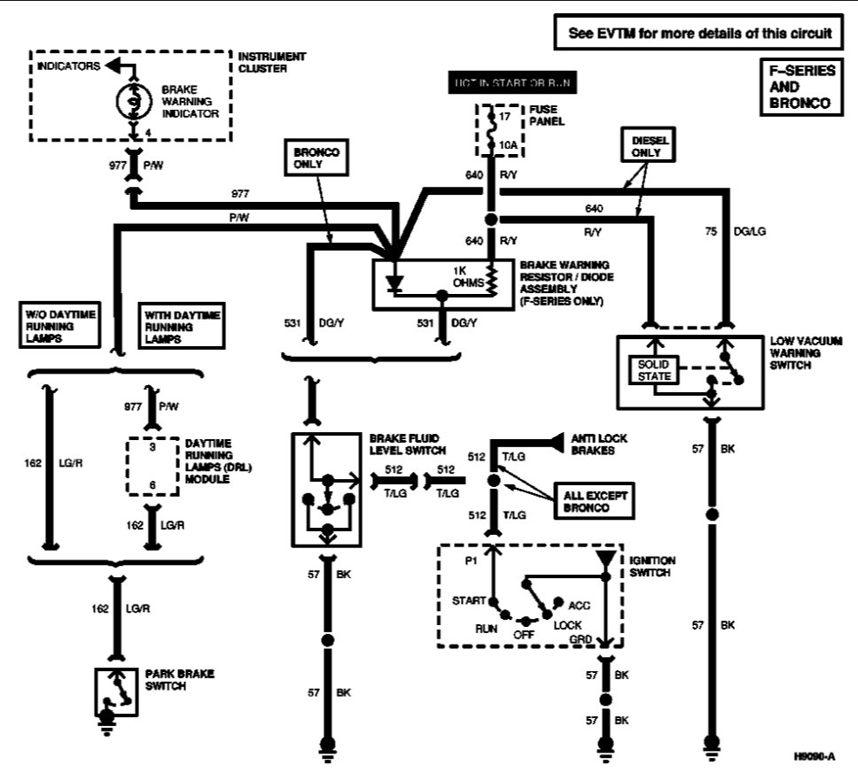
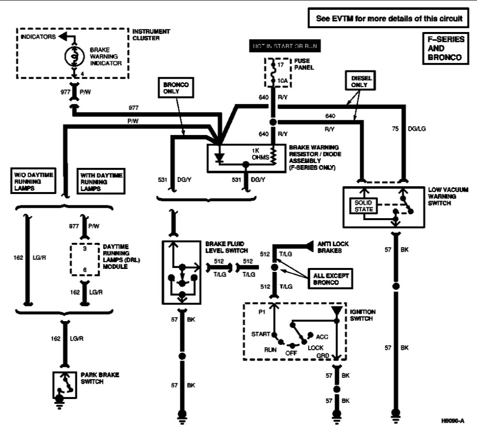
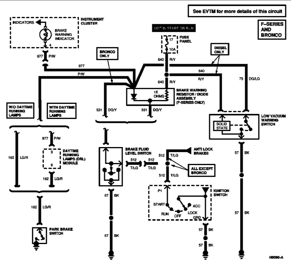
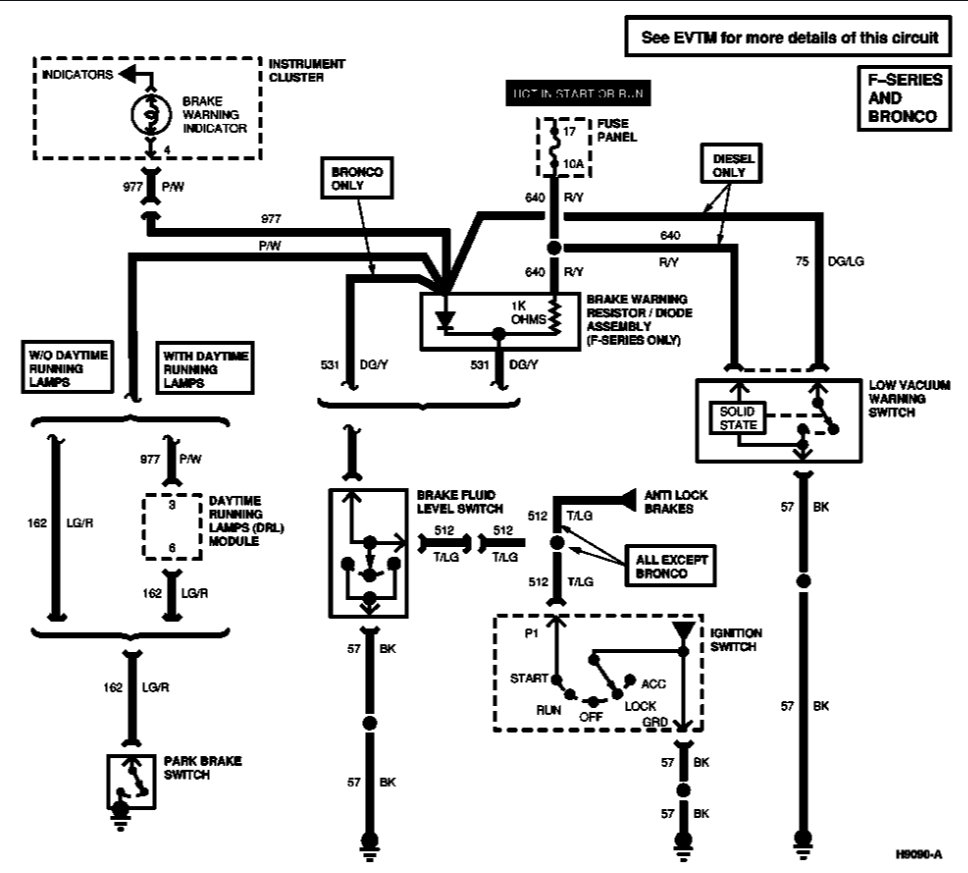
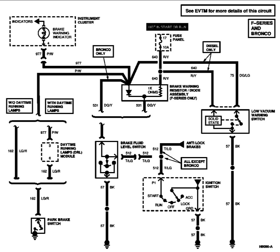
When get on the brakes hard the abs and brake light comes on, when I turn off ing. And turn it back on again the lighs go off, When I hook up a trailer(not pluged in)the lights will come back on and if I try to stop the rear brakes will lock up, when I un hook trailer the brakes will unlock, note the trailer is not pluged in, and everytime I turn the ing. Off and back on again the abs and brake light will go off





