1998 Ford F-250 Ford F-250 Brakes will not come on

Tiny
TXSRAT
  • MEMBER
  • 1998 FORD F-250
  • V12
  • 4WD
  • AUTOMATIC
  • 185,000 MILES
We have tried and tried to figure out why the brake lights will not come on. We can not seem to find an online wiring manual to try to follow. Can anyone point me in the right direction on how to figure out why the brake lights will not come on? Thank you
Ford F250 1998 4X4
Friday, August 7th, 2009 AT 2:39 PM

1 Reply

Tiny
RASMATAZ
  • MECHANIC
  • 75,992 POSTS
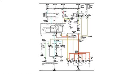
You can start by checking the brake switch follow the barke pedal arm till it meets the brake support bracket its right here. Could be the multifunction switch and fuse no.13 15amp


https://www.2carpros.com/forum/automotive_pictures/12900_brake_circuit_1.jpg

Was this
answer
helpful?
Yes
No
Friday, August 7th, 2009 AT 4:04 PM

Please login or register to post a reply.