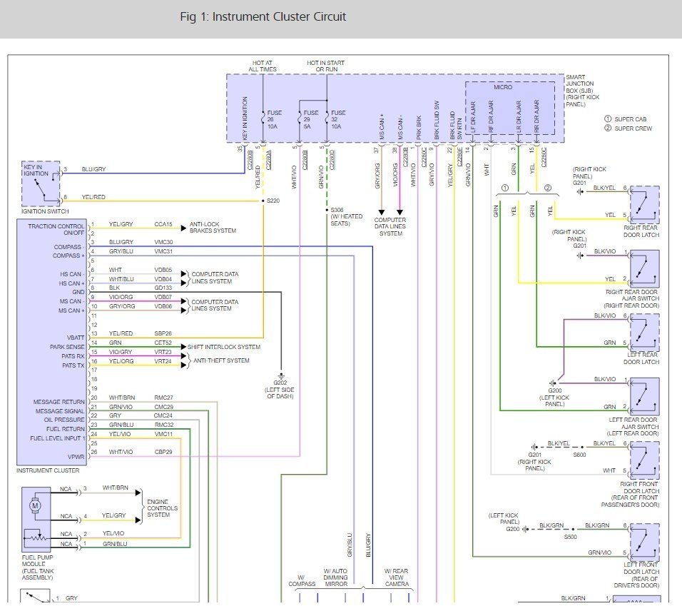
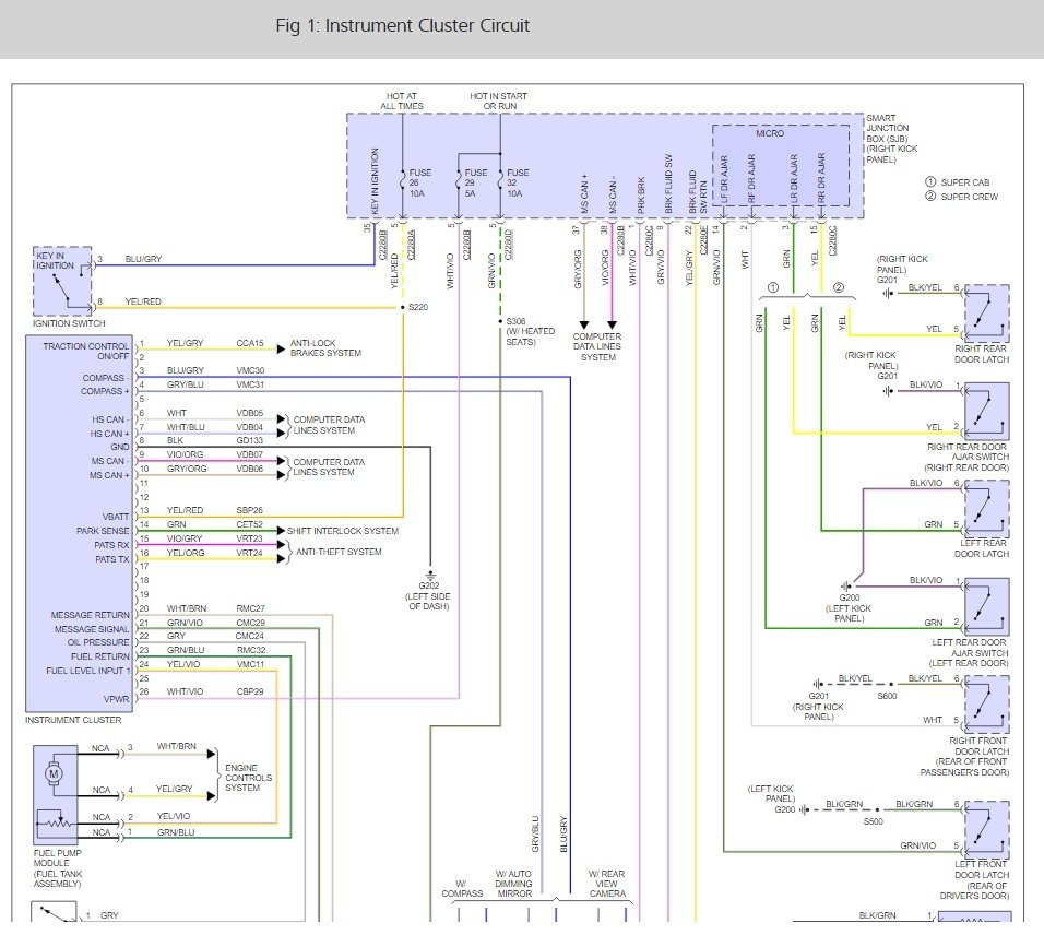
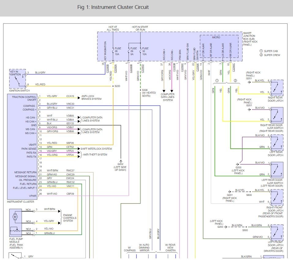
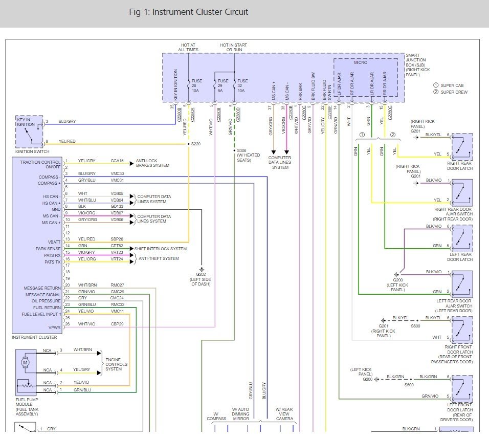
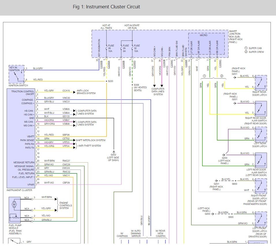
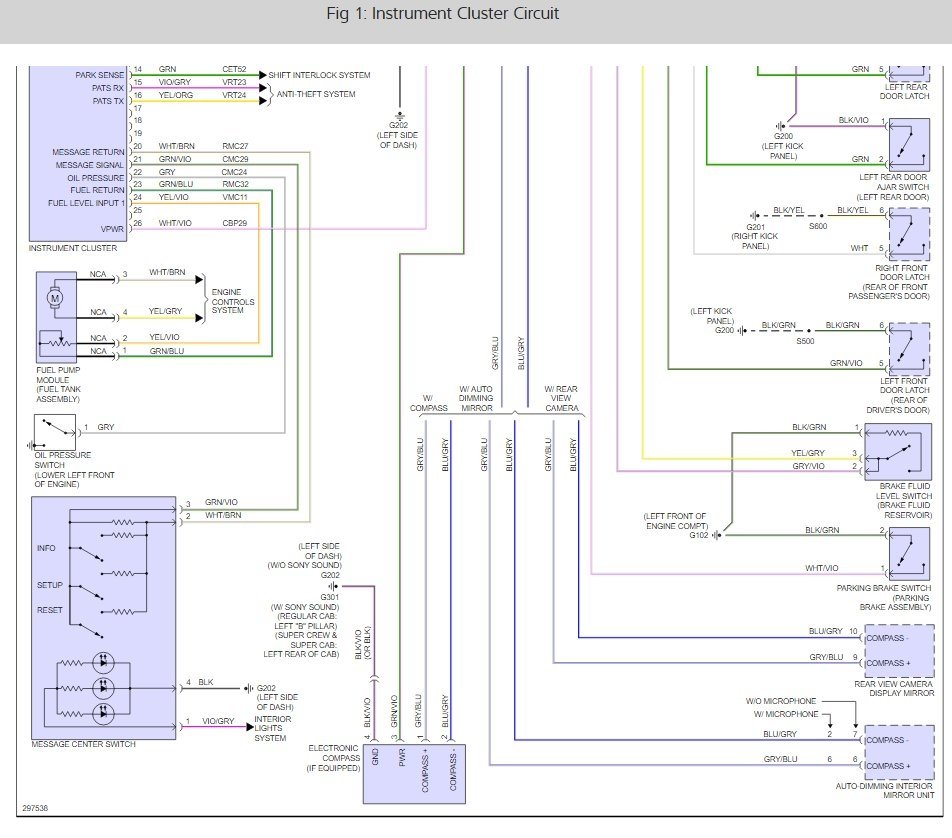
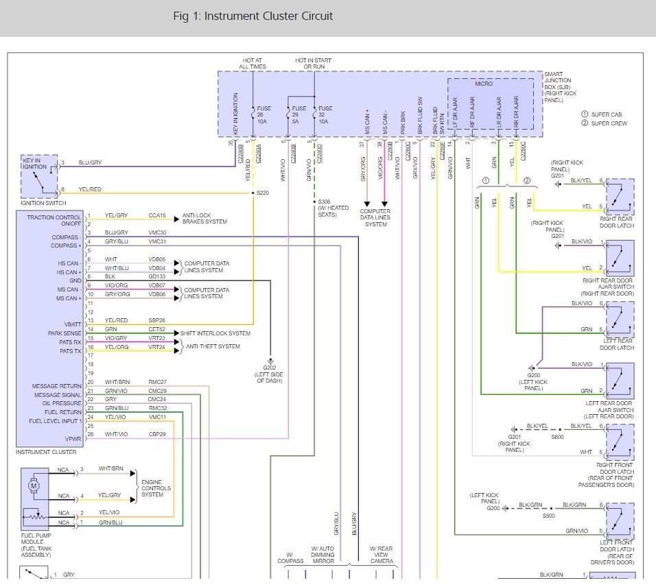
Intermittent gauge operation. All gauges drop to zero and then return. Conditions: The vehicle is traveling on a straight and level dry paved road @ 55MPH. Ambient temp approx 57 degrees.
Not to unearth any "rabbit holes" to chase down but here are some additional observations that may or may not apply: Hear what sounded like clicking from behind or under the dash. I noticed the airbag light was lit on the instrument cluster when the needles dropped to zero.
Tuesday, April 27th, 2010 AT 11:00 AM




