Sunday, January 10th, 2010 AT 1:23 PM
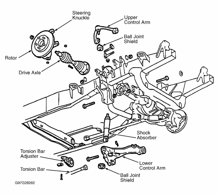
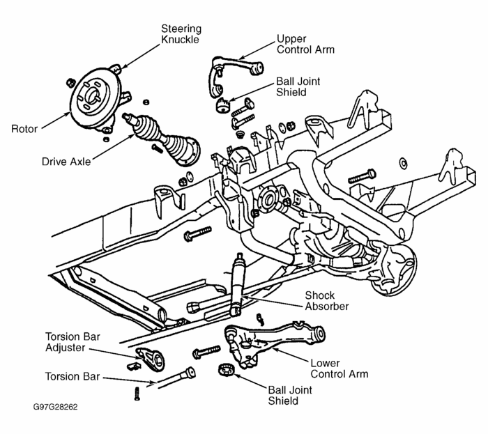
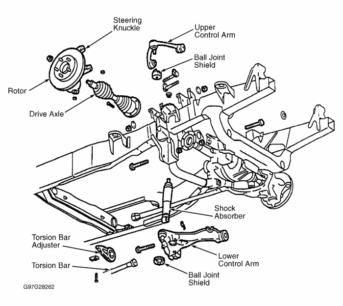
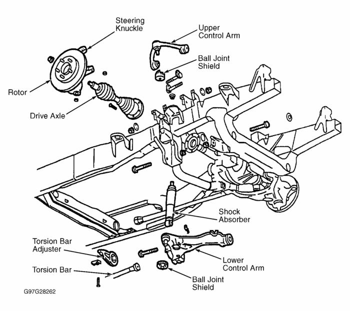
What are other options to loosening the front rotor and hub assembly. I already tried lubricate spray & rubber hammer, and lined it w brake fluid then rubber hammer.






