MULTIFUNCTION SWITCH TESTING
Switch Position....Between Terminals No.(1) ...Ohms
Wiper Switch
Off........................589 & 993....................47,600
Intermittent...........589 & 993....................11,330
Low......................589 & 993......................4080
High......................589 & 993.......................0-4
Intermittent Wipers
Intermittent & Off...590 & 993.......................(2)
Low & High.............590 & 993....................3300
Washer Switch
Off.........................590 & 993..................103,300
On.........................590 & 993....................0-4
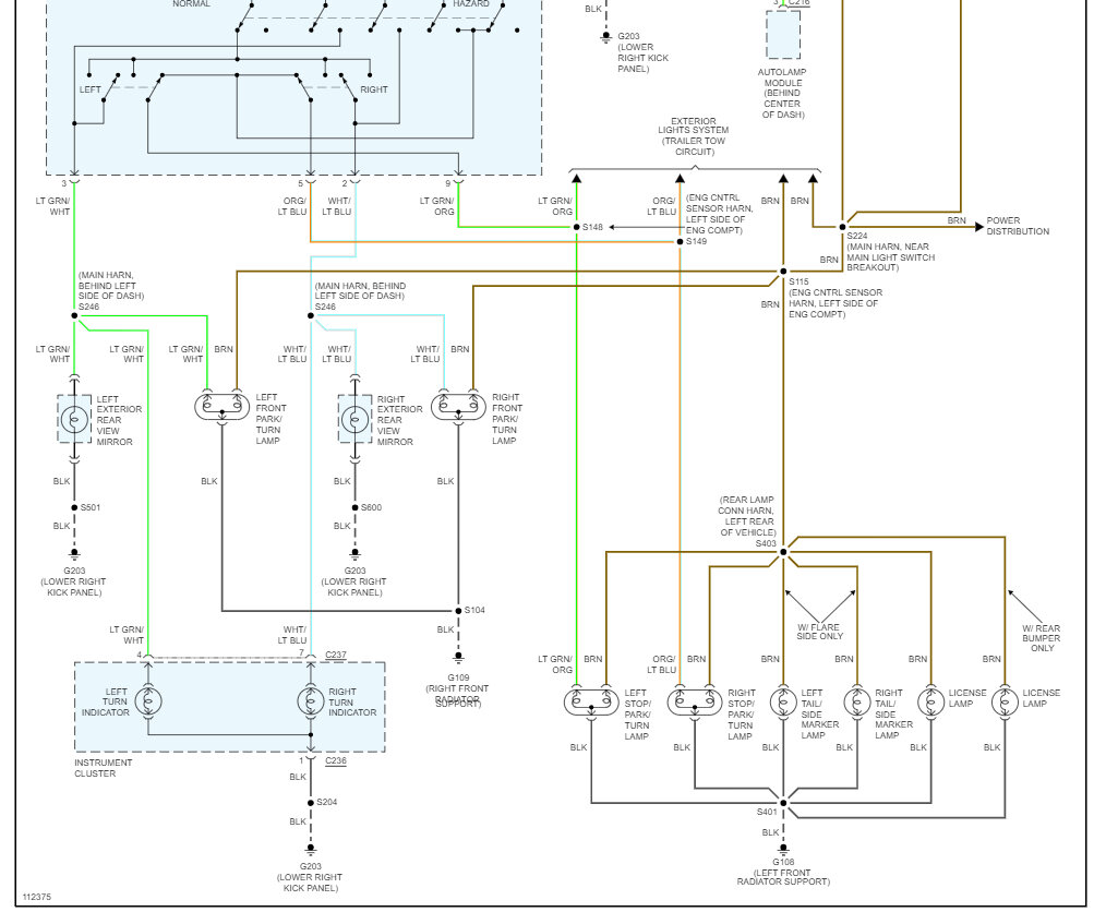
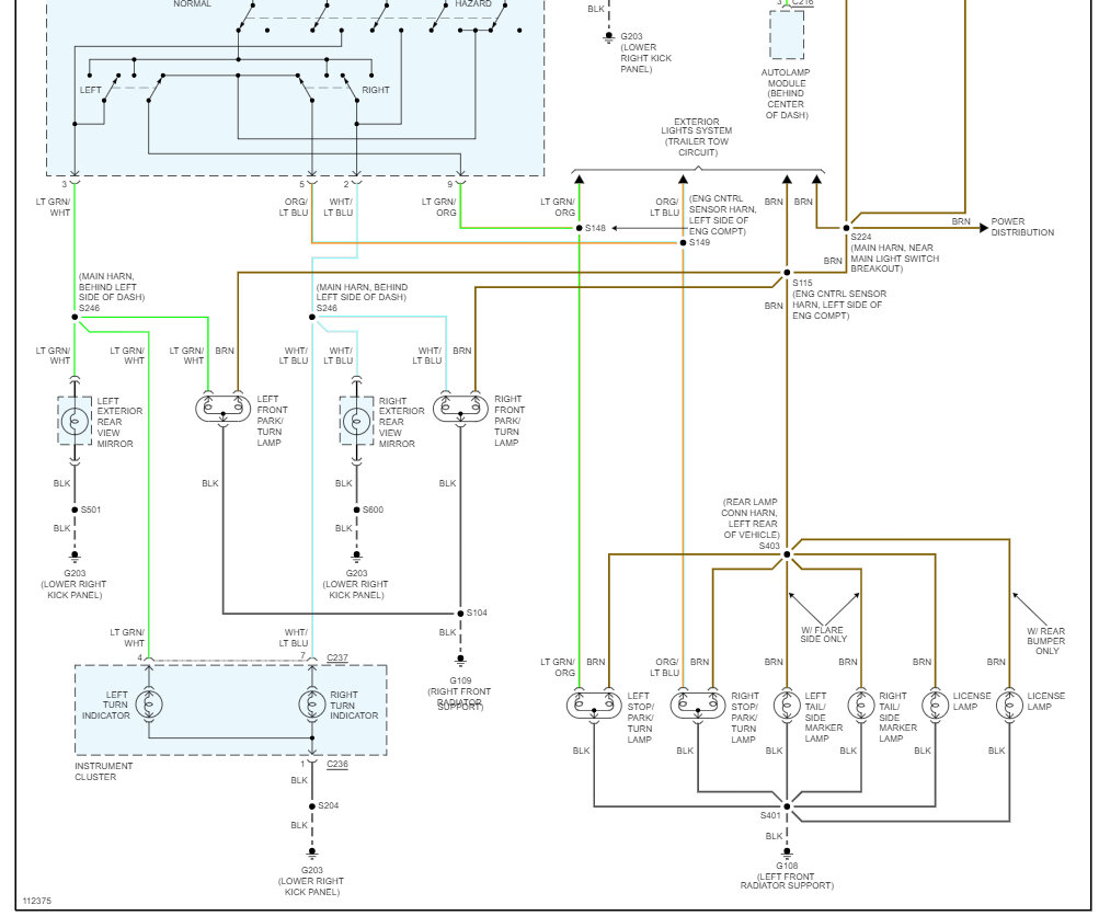
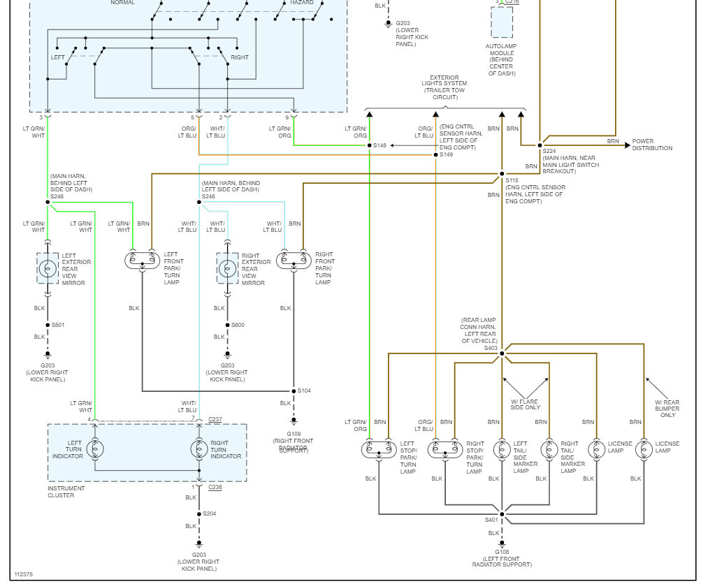
Hazard Switch On......2, 3, 5, 9 & 385............0-4
Left Turn Signal On....3, 9 & 44.....................0-4
Right Turn Signal On....2, 5 & 44...................0-4
High Beam On.............12 & 15.....................0-4
Low Beam On.............15 & 507...................0-4
Flash-To-Pass On...........12 & 196..................0-4
(1)Specification can vary by as much as 10 percent.
(2)Rotate control from maximum delay to minimum delay. Resistance should gradually decrease from approximately 103 k/ohms to 3.3 ohms.

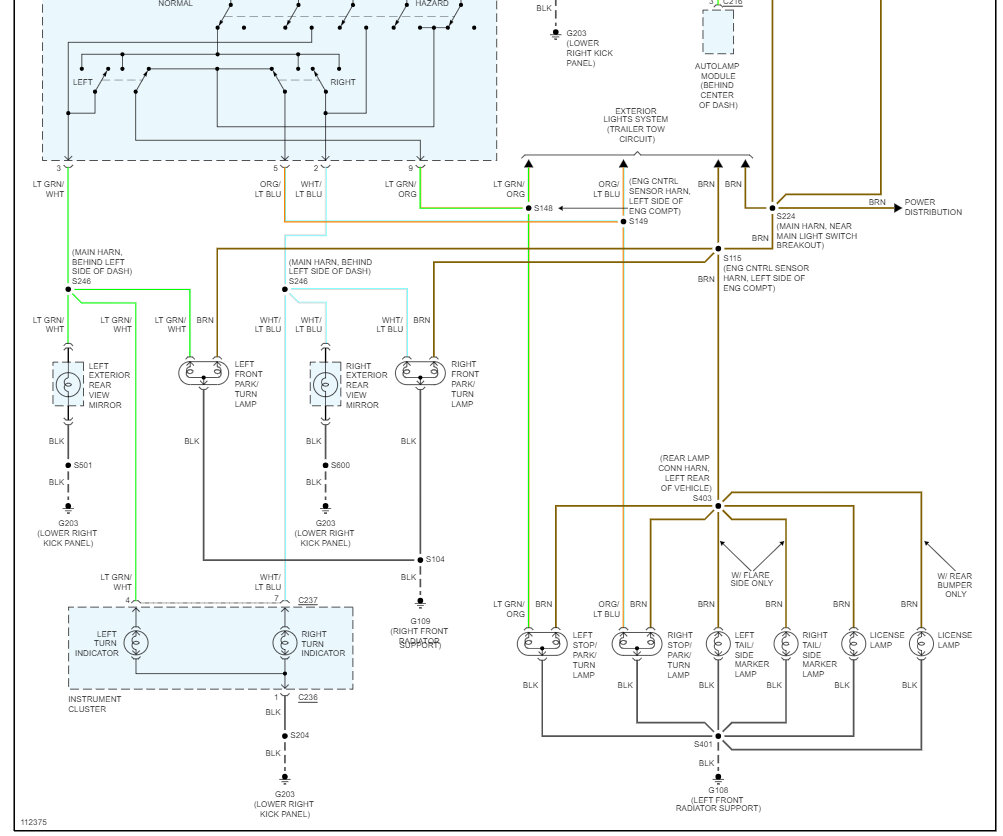
Check out the images (Below). Please let us know what you find.
Images (Click to make bigger)
Friday, January 30th, 2009 AT 9:29 PM