Ignition switch will not unlock

Tiny
BRIAN BEE
  • MEMBER
  • 1990 FORD F-150
  • V8
  • 2WD
  • AUTOMATIC
  • 175,000 MILES
The steering colunm is locked and I can't get the key to turn. I moved my car this morning - no problem, I went back to move the truck back and couldn't get the key to turn. I wiggled the steering wheel to take the pressure of the key lock - no go. I did notice some sort of pin below just under the ignition switch that moves when I try to turn the key.

Is this pin the release?
How can I unlock the ignition switch without removing it?
How do I remove the ignition switch if I can't get it to work or must replace it?

Thank you!
Friday, December 4th, 2009 AT 10:13 AM

3 Replies

Tiny
BLACKOP555
  • MECHANIC
  • 10,386 POSTS
That pin is what holds in the ignition cylinder. What I suggest doing is spraying in graphite lock lube in it and hitting on the cylinder housing and the end of the cylinder itself see if the tumblers will pop free. Also try a different key for your vehicle. Yours may be too worn or bent.

Try more pressure on the steering wheel. Left and right.
Was this
answer
helpful?
Yes
No
Friday, December 4th, 2009 AT 3:38 PM
Tiny
BUBBA123
  • MEMBER
  • 1 POST
My dad has a 1990 Ford F150; the steering wheel will turn but the ignition switch is locked. How can I get the ignition switch out? And it wont turn.
Was this
answer
helpful?
Yes
No
-1
Tuesday, July 14th, 2020 AT 10:29 AM
Tiny
KASEKENNY
  • MECHANIC
  • 18,907 POSTS
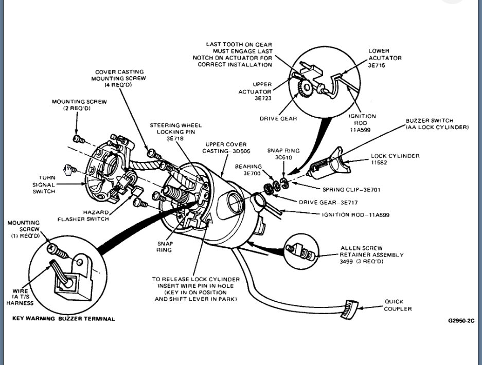
This is most likely the ignition switch lock. Normally it locks the steering wheel as well but there may be damage to the gear. Either way, I attached the process on the ignition lock gear. I would suggest removing this and getting into just to see what is going on it there.

Let me know what you find. I included the process for both tilt and non tilt columns.
Was this
answer
helpful?
Yes
No
+2
Tuesday, July 14th, 2020 AT 2:16 PM

Please login or register to post a reply.