Wednesday, February 3rd, 2010 AT 9:47 PM
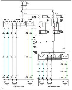
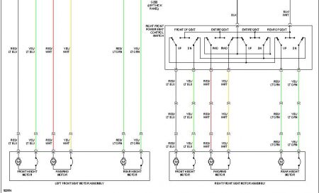
My power seat and adjustable pedals are not working. I think it might have been due to an 8 gauge wire grounding out on the drivers door that ran an amplifier. I checked the fuses and the fuses are fine. I also have the memory position that is not working since it controls both the pedals and seat. Do you think my problem resides in the memory switch. I dont think its the motor or the seat switch since the pedals and seat went out at the same time. Please help me know where to go with my problem now.












