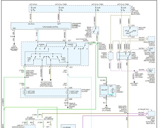
Friday, July 3rd, 2009 AT 11:07 AM
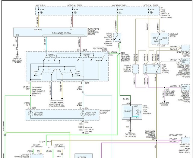
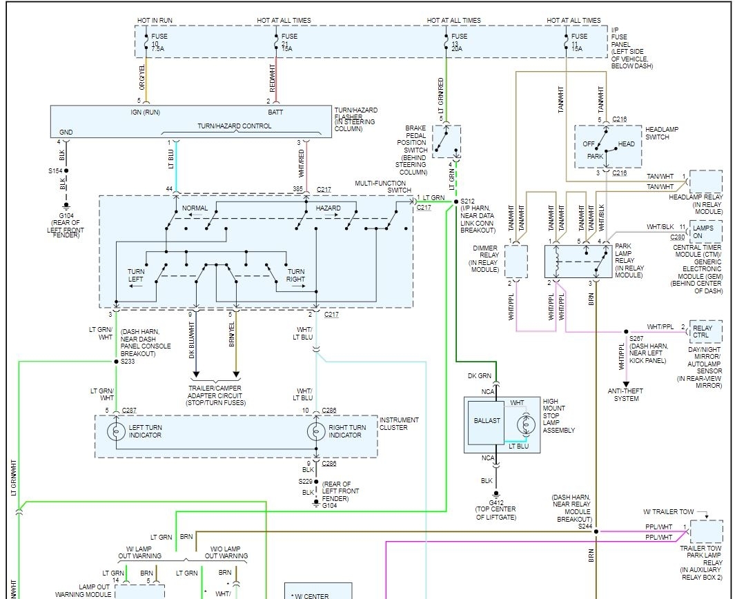
Two lower brake lights don't work, one above hatch does. I replaced the bulbs, and did not find a blown fuse. What else can it be. If the brake light switch was bad, wouldn't the upper light not work also?



