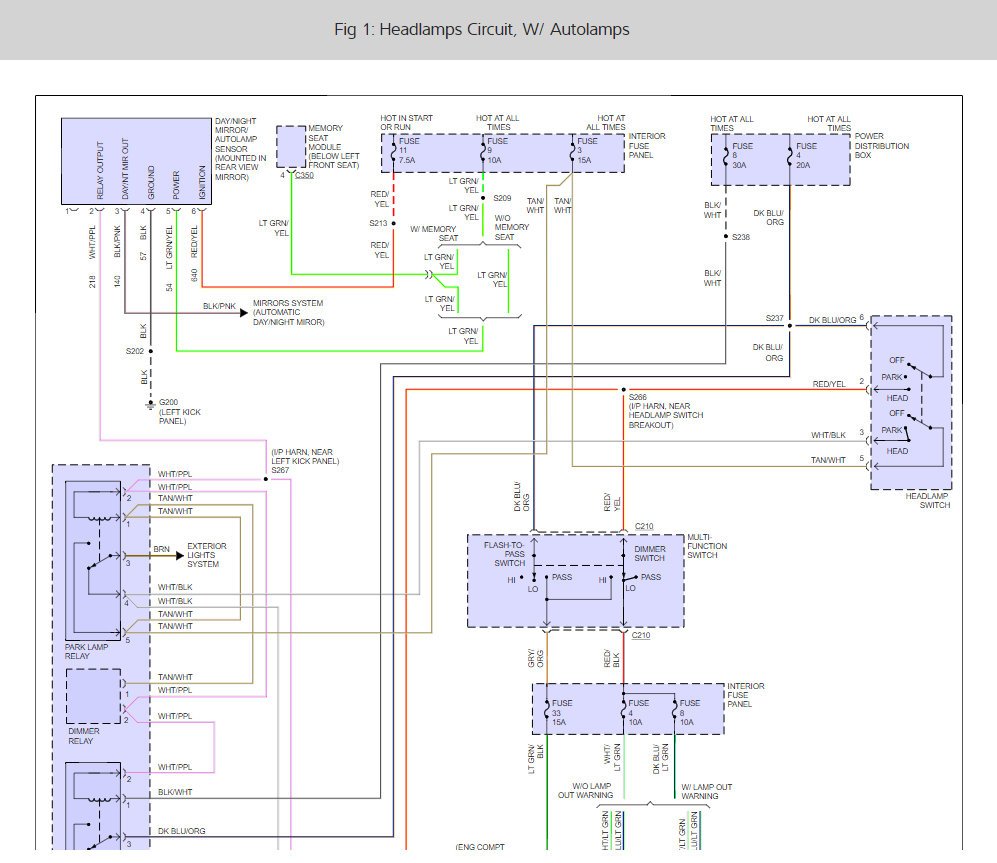
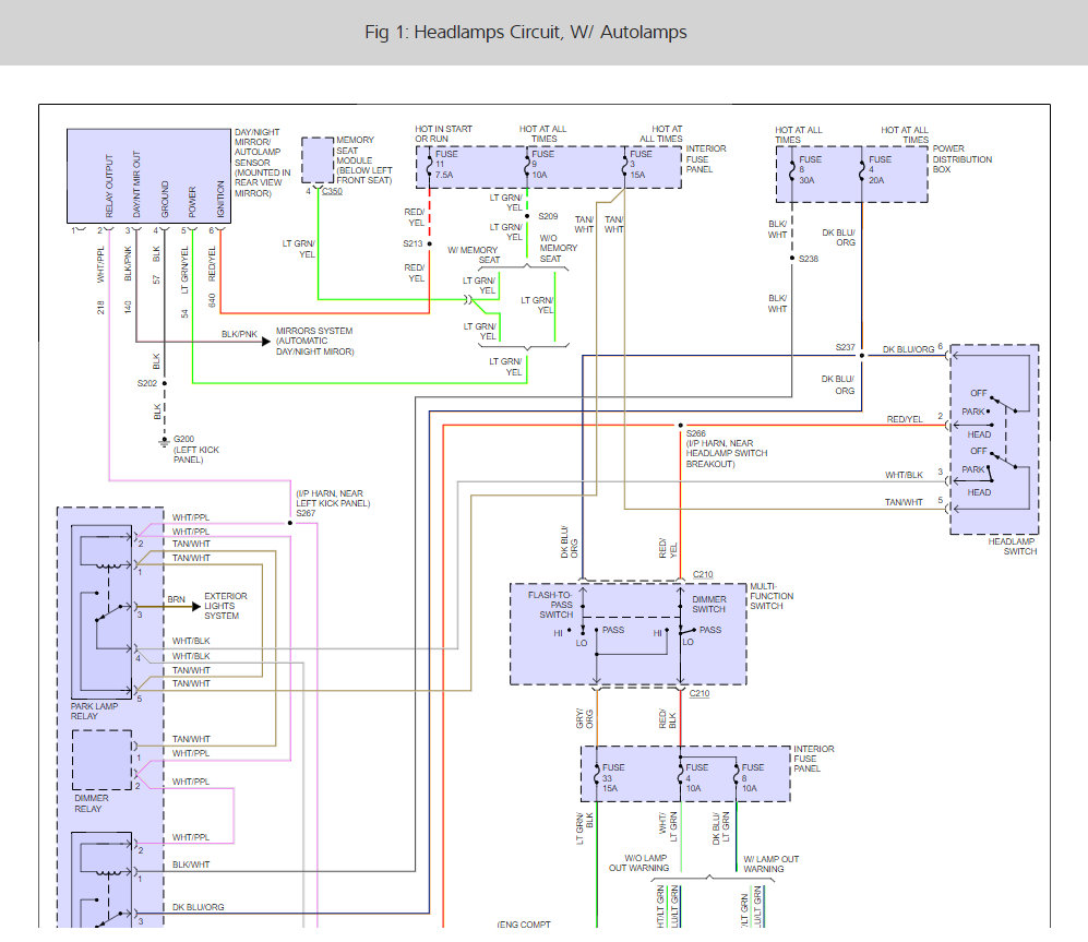
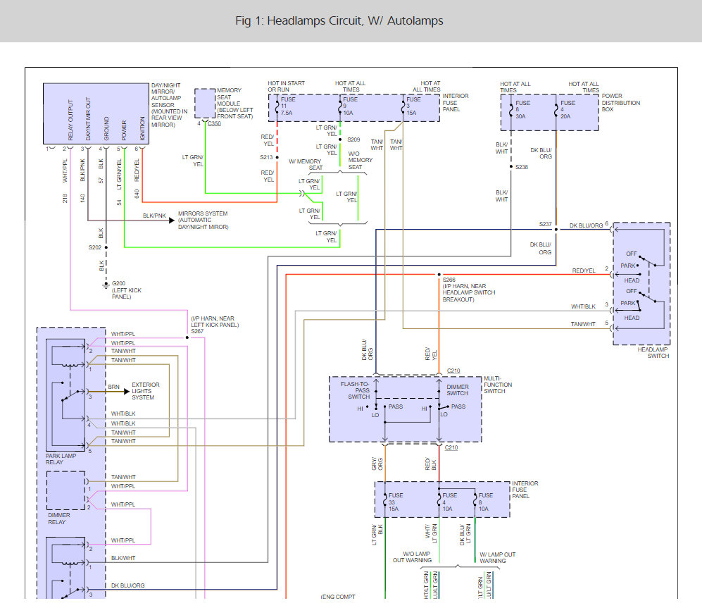
The problem started with the loss of the driver side low beam. Lamps, fuses, relays and every less ok. Then the loss of the other (right side) lamp. now we have only high beam lights. The combination switch is ok - turn lights - high beam - flash switch etc. Yes I have checked the lamps - there is NO POWER ! There is power for all the lights except the low beams. Yes I have checked very thing. The vehicle does not have DRL and/or if it does they do not work. The vehicle has auto lamp. Now WHAT?
NOW WHAT !!!????
NOW WHAT !!!????
Oct 3, 2008 at 10:54 PM

