Sunday, February 7th, 2010 AT 1:21 PM
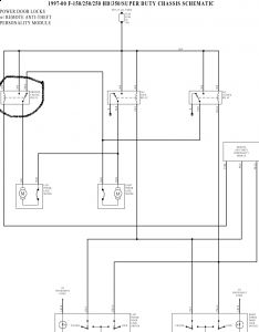
I have a 1999 Frod Expedition and I have only had it for a few days but noticed that when I go to lock the truck 3 of the for doors will lock and one will not why is that. All the door will unlock but I have to manually lock the door when getting out. What can I do.



