IAC Valve

Tiny
DKSNAKE
  • MEMBER
  • 2000 FORD ESCORT
  • 4 CYL
  • FWD
  • MANUAL
  • 91,000 MILES
Ok I checked with autozone and they ran some codes for me and told me my IAC was bad the next time we went out for a look, just short of removing the throttlebody we could not find this component and on top of that they want almost 100 dollars for it when they cant locate it any idea where its at?

If you email me back I will be more that happy to send some pictures of the engine
Wednesday, December 26th, 2007 AT 11:28 PM

14 Replies

Tiny
RASMATAZ
  • MECHANIC
  • 75,992 POSTS
The IACV Its on the top left rear of engine see item #13 below


https://www.2carpros.com/forum/automotive_pictures/12900_iacv_2.jpg

Was this
answer
helpful?
Yes
No
+4
Thursday, December 27th, 2007 AT 2:34 AM
Tiny
DJHARD1!
  • MEMBER
  • 1 POST
  • 1998 FORD ESCORT
Engine Performance problem
1998 Ford Escort 4 cyl Two Wheel Drive Automatic 63k miles

My 98' Ford Escort idles way too high (approx. 1300 rpm) and idles very rough while stopped, in gear or in neutral, and worse when the aircon is off. I'm convinced it's a dirty IAC valve.

Where is it located? Can I clean it or will it need replacing? The Motorcraft part # F7CZ9F715-AC. VIN # 1FAFP10P8WW222130. Please help.

Dan H>
Was this
answer
helpful?
Yes
No
Monday, January 6th, 2020 AT 3:23 PM (Merged)
Tiny
OBXAUTOMEDIC
  • MECHANIC
  • 3,711 POSTS
You can try cleaning it first.....

The pic below if for a DOHC 16 Valve


https://www.2carpros.com/forum/automotive_pictures/188069_98escirtDOHC16VALE_1.jpg



This one is for SOHC with EGR Valve


https://www.2carpros.com/forum/automotive_pictures/188069_98escortsohcw_egr_1.jpg



And this one is for SOHC without EGR Valve


https://www.2carpros.com/forum/automotive_pictures/188069_98escortsohcw_o_egr_1.jpg

Was this
answer
helpful?
Yes
No
Monday, January 6th, 2020 AT 3:23 PM (Merged)
Tiny
JAKE567
  • MEMBER
  • 2 POSTS
  • 1991 FORD ESCORT
  • 200 MILES
The car will start but then after about 5 seconds the will die and there is nothing I can do to keep it idling or running for longer then 5 seconds
Was this
answer
helpful?
Yes
No
Monday, January 6th, 2020 AT 3:23 PM (Merged)
Tiny
JAKE567
  • MEMBER
  • 2 POSTS
The car has around 210469 miles on it
Was this
answer
helpful?
Yes
No
Monday, January 6th, 2020 AT 3:23 PM (Merged)
Tiny
DRCRANKNWRENCH
  • MECHANIC
  • 3,380 POSTS
The Ford tem for it is, "Idle Air By-Pass Valve". It is in location number 8 on this diagram.
Was this
answer
helpful?
Yes
No
+1
Monday, January 6th, 2020 AT 3:23 PM (Merged)
Tiny
GREG KRUEGER
  • MEMBER
  • 3 POSTS
  • 1989 FORD ESCORT
Engine Mechanical problem
1989 Ford Escort 4 cyl Two Wheel Drive Manual

hi

my escort will not idle.
If I give it some gas it runs fine.
I do see that when I look in the carburetor and pressing on the gas, the injector spray plenty of fuel but when letting it idle there is no fuel spraying?
Everything I have found online leads me to beleive its the idle air control valve?
But I can't find anything that looks like the images that show online.
Can you tell me where to find it on the carburetor?
Or if i'm even going in the rightr direction with this?
Thanks
greg
Was this
answer
helpful?
Yes
No
Monday, January 6th, 2020 AT 3:23 PM (Merged)
Tiny
WRENCHTECH
  • MECHANIC
  • 20,761 POSTS
First, your car doesn't have a carb. It's fuel injected. It doesn't use an Idle Air control. This one uses and electronic speed control motor.


https://www.2carpros.com/forum/automotive_pictures/561653_ISC_89_Escort_1.jpg

Was this
answer
helpful?
Yes
No
Monday, January 6th, 2020 AT 3:23 PM (Merged)
Tiny
GREG KRUEGER
  • MEMBER
  • 3 POSTS
H
i thought it has a fuel injected carburetor?
It does have a small fuel injector right above the carb
and it doesn't spray any fuel when at idle.
Any suggestions on how to fix it inexpensively or where I should start.

The guy that gave the car to my son said he had the same problem and took it to the shop a couple of times but nobody could fix it?
I don't know what kind of shops they were.
It used to stay running at idle when it was like 70 degrees out
Was this
answer
helpful?
Yes
No
-2
Monday, January 6th, 2020 AT 3:23 PM (Merged)
Tiny
JOE MENDES
  • MEMBER
  • 3 POSTS
  • 1988 FORD ESCORT
  • 1.9L
  • 4 CYL
  • FWD
  • AUTOMATIC
  • 57,000 MILES
My 1988 Ford Escort is having idle issues. However I cannot find an IAC valve anywhere near the fuel injector/air intake.

Does the 1988 Ford Escort 1.9 liter engine have an IAC valve?

Thanks
Joe Mendes
Was this
answer
helpful?
Yes
No
Monday, January 6th, 2020 AT 3:23 PM (Merged)
Tiny
HMAC300
  • MECHANIC
  • 48,601 POSTS
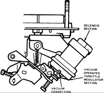
If this is what you have in pic then item 5 is iac
Was this
answer
helpful?
Yes
No
Monday, January 6th, 2020 AT 3:23 PM (Merged)
Tiny
JOE MENDES
  • MEMBER
  • 3 POSTS
Hmac300, thank you very much. Very kind of you to help me.

I did remove that part and wiped it down, it did not appear to be an IAC valve but more like an actuator (like an small electronic piston) that physically pushes on the throttle when it receives electronic signals to do so.

One thing I noticed is that it moves slowly, do you know if it can be lubricated, can I try to oil it? Or is that a bad idea?

Once again, Thank you very much.

Joe
Was this
answer
helpful?
Yes
No
Monday, January 6th, 2020 AT 3:23 PM (Merged)
Tiny
HMAC300
  • MECHANIC
  • 48,601 POSTS
It doesn't push on the throttle it allows air in and it's supposed to work slow. No need to oil I ttry cleaning with choke cleaner spraying into the hole. Then scan for codes and check fuel pressure with a gauge. Autoparts rent it.
Was this
answer
helpful?
Yes
No
+1
Monday, January 6th, 2020 AT 3:23 PM (Merged)
Tiny
JOE MENDES
  • MEMBER
  • 3 POSTS
Hmac300,

Will do, thank you very much, I really appreciate it.

Joe Mendes
Was this
answer
helpful?
Yes
No
Monday, January 6th, 2020 AT 3:23 PM (Merged)

Please login or register to post a reply.