Brake lights will not go out

Tiny
FASTEDB4
  • MEMBER
  • 2000 FORD ESCORT
  • 4 CYL
  • 2WD
  • MANUAL
  • 78,000 MILES
The brake lights will not go out-we have taken out the fuse
Monday, July 19th, 2010 AT 5:39 PM

1 Reply

Tiny
RASMATAZ
  • MECHANIC
  • 75,992 POSTS
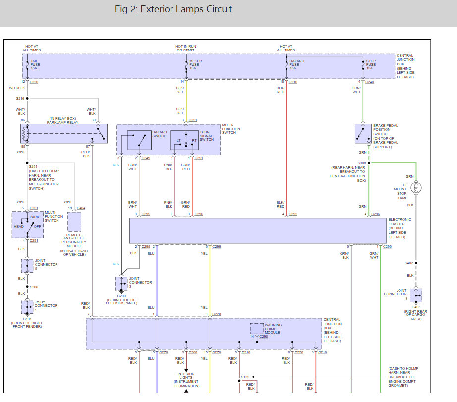
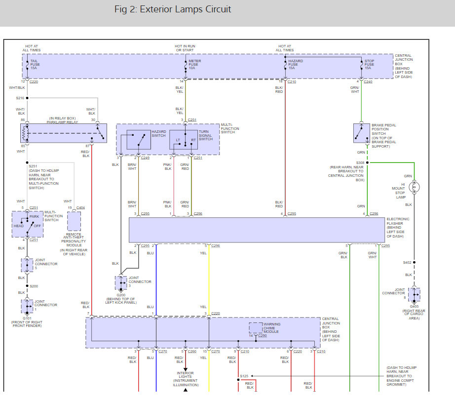
Test through the brake light switch to make sure it is cutting the circuit when the pedal is up if okay the the flasher module needs to be replaced here is a wiring diagram so you can see how the system works and the location of the flasher module is:

Electronic Hazard Warning Flasher is located behind left side of Instrument Panel, near cowl

Check out the diagrams (Below). Please let us know if you need anything else to get the problem fixed.

Cheers
Was this
answer
helpful?
Yes
No
Monday, July 19th, 2010 AT 6:02 PM

Please login or register to post a reply.