Saturday, November 22nd, 2008 AT 3:09 PM
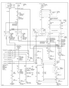
We had a problem with the charging system and had to have the car jump started, the jumper cables where hooked up backwards and every since the headlights have not worked. I have changed both bulbs due to being blown. I have checked fuses and went as far as to change the steering column. I did find what looks like a relay under the hood but have been unable to figure out how it comes out. I have tried using a volt meter to try to check for power but without a schematic I have not figure out how the power runs. Any Ideas?


