Rear shock Replacement

Tiny
JOSORIO1980
  • MEMBER
  • 2005 FORD ESCAPE
  • 6 CYL
  • 4WD
  • AUTOMATIC
  • 96,000 MILES
I would like to know how to replace the rear shocks?
Saturday, October 9th, 2010 AT 2:49 PM

6 Replies

Tiny
BLUELIGHTNIN6
  • MECHANIC
  • 16,542 POSTS
Hello,

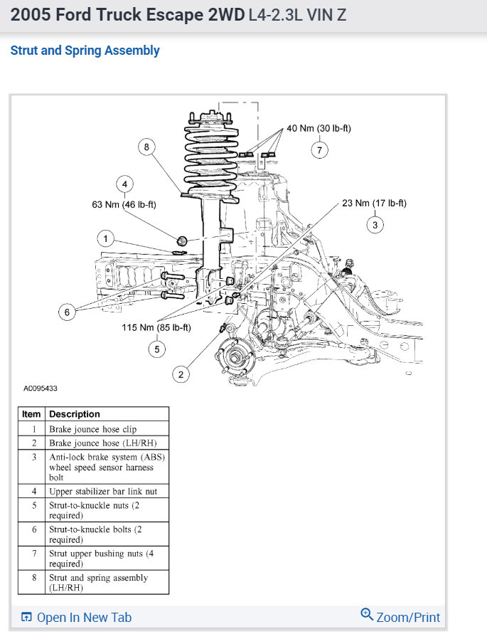
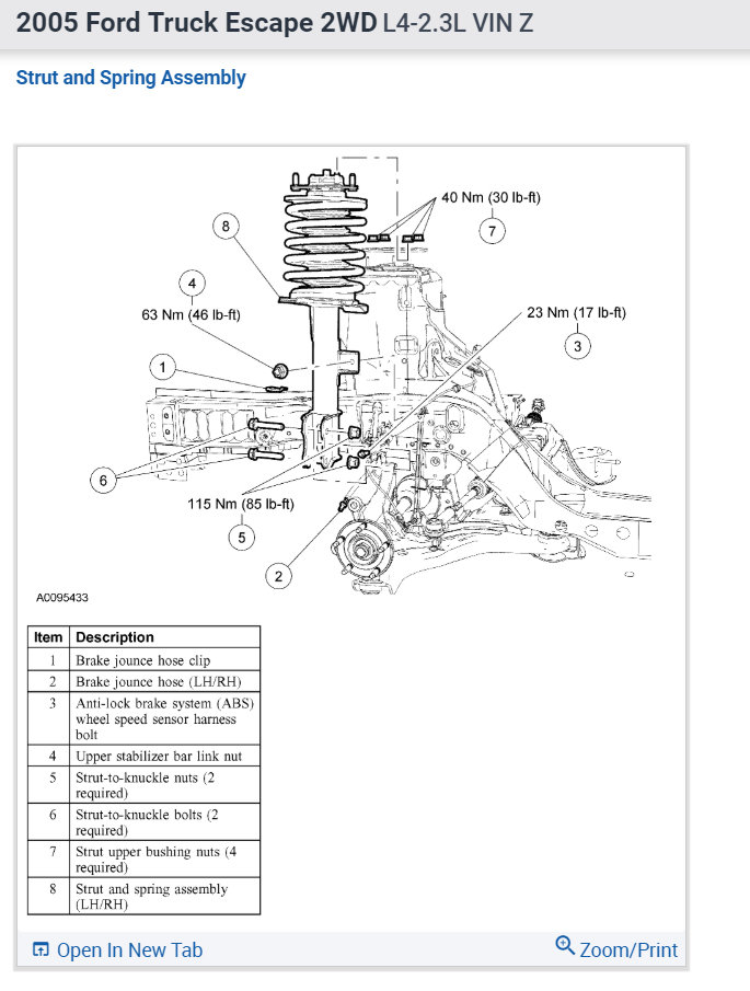
It looks like they came with both struts and shocks here are instructions on how to change both the diagrams below. Please let us know if you need anything else to get the problem fixed.
Was this
answer
helpful?
Yes
No
-1
Sunday, October 10th, 2010 AT 9:44 AM
Tiny
BILL WENTZEL
  • MEMBER
  • 1 POST
  • 2003 FORD ESCAPE
  • 4 CYL
  • FWD
  • AUTOMATIC
  • 62,000 MILES
When replacing struts do the shock absorbers need to be replaced also?
Was this
answer
helpful?
Yes
No
Friday, August 2nd, 2019 AT 4:49 PM (Merged)
Tiny
BLUELIGHTNIN6
  • MECHANIC
  • 16,542 POSTS
Your vehicle uses strut assemblies on the front and shock absorbers on the back. If you replace the front struts then you should go ahead and replace the back shocks also as they have all endured the same wear and tear.
Was this
answer
helpful?
Yes
No
Friday, August 2nd, 2019 AT 4:49 PM (Merged)
Tiny
JAYKAY123
  • MEMBER
  • 1 POST
  • 2001 FORD ESCAPE
  • 6 CYL
  • 4WD
  • AUTOMATIC
  • 135,000 MILES
I have a 2001 Ford Escape XLT. In the past few weeks it has been making a noise - coming from the front driver side tire area - that sounds like a creeky door. It does NOT make this noise when braking, and it doesn't matter what the weather is. Once the car is going above 35-40 mph, the sound goes away. It's also more prominent when driving over rougher terrain, like a road with potholes or bumps in it. Could this be an axle, strut, shock type of problem? I've had bad wheel bearings and ball joints on other cars, and this doesn't seem like that would be it. Any thoughts?
Was this
answer
helpful?
Yes
No
Friday, August 2nd, 2019 AT 4:49 PM (Merged)
Tiny
BMRFIXIT
  • MECHANIC
  • 19,053 POSTS
Most common and I would suspect a bad outer tie rod end and or lower ball joint
move the wheel side to side
and than jack wheel up move the wheel side to side does the noise go away
until start driving again
check it out and let me know
Was this
answer
helpful?
Yes
No
-1
Friday, August 2nd, 2019 AT 4:49 PM (Merged)
Tiny
ADRONDUBE
  • MEMBER
  • 1 POST
I have the same kind of problem. I am thinking it's a really screwed up CV Joint. Basically at low speed, particularly when taking off and even when braking, but most notably when turning at low speeds, there is a TERRIBLE crackling noise coming from my suspension. A mechanic friend looked at it today. Apparently, the bolts holding the lower suspension piece/arm to the frame is loose or faulty. When you turn the wheels, you can see the piece where it connects move. Not good. Gotta get it up on a lift and have someone look at it at a shop downtown. Hopefully this is a quick and inexpensive fix versus a new axle, shocks, struts, etc. I'll keep you posted and please advise if you're able to have yours fixed. On top of this, I may have a fuel pump/filter issue as well as a problem with the AC. I have no cold air and now pressure and I tried one of those do it yourself coolant kits. My compressor comes on, pressure builds, then goes down again. I'll post on this issue as well. Also, I have a problem with a vacuum hose. It's not connected to anything. Plugged it up as a temp fix. It seems like it should go to the emmissions sensor thing (one of the 3 valves is naked on it). Does anyone have a schematic for the 2001 Escape with a V-6? Thanks.
Was this
answer
helpful?
Yes
No
+1
Friday, August 2nd, 2019 AT 4:49 PM (Merged)

Please login or register to post a reply.