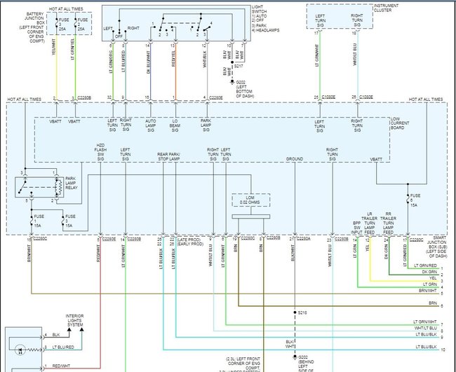
Monday, December 28th, 2009 AT 10:21 PM
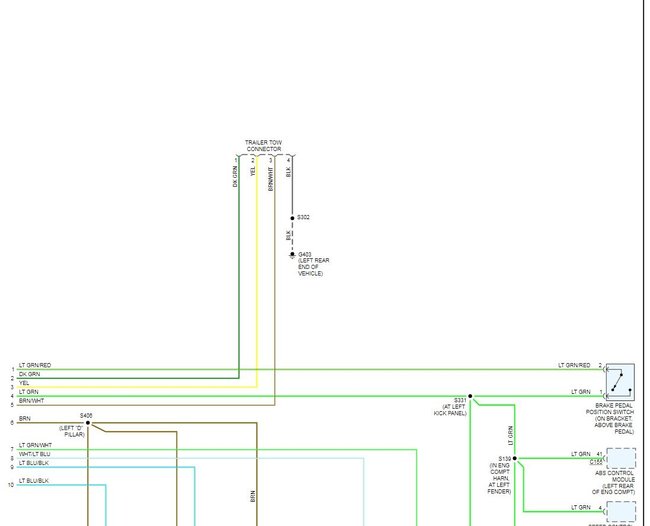
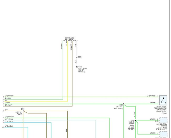
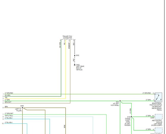
In the past 2 days, I have blown 2 fuses for the brake lights. They are 15amp fuses per the owners manual. When this fuse blows, the safety feature on the car does not allow you to take the car out of park, you can't shift the car into reverse, drive, etc. Why am I blowing this fuse? Do I have a bigger electrical problem somewhere else? I have blown the cigar lighter fuse before. I have not done anything electrical to the car except in 2007 I installed a trailer hitch/tow package but didn't have any problems with it nor have I towed anything in awhile.





