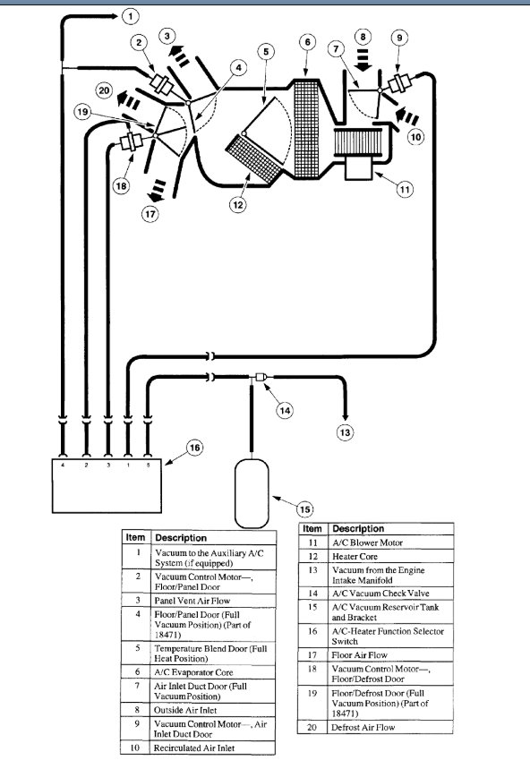
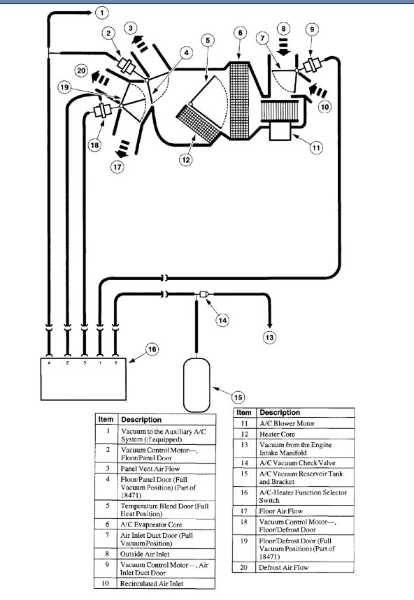
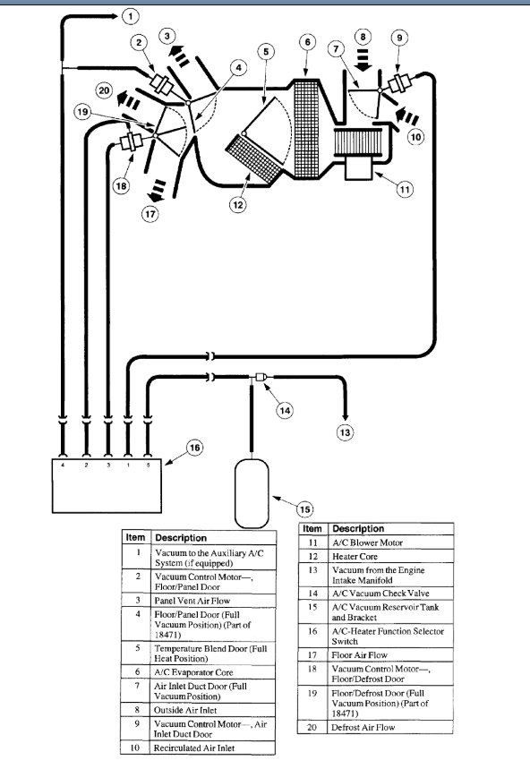
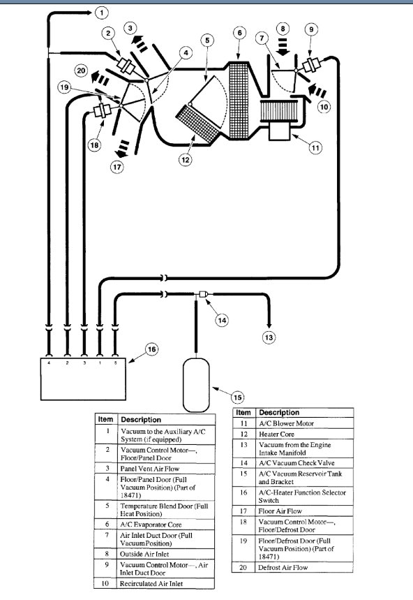
so I have determined that the probable reason that the air conditioning is only coming out of the defrost vents by the windshield is due to a lack of vacuum pressure. My first problem is that I have been unable to locate the vacuum canister on this vehicle. Secondly, I am not really sure what to do once I find it, as I do not have any experience with vacuum systems. Any help on this would be greatly appreciated, as the Arizona heat is getting to be a bit unbearable.
Thursday, July 15th, 2010 AT 4:35 PM




