Location of AC relay

Tiny
LOSTWOLF
  • MEMBER
  • 2007 FORD CROWN VICTORIA

where can I find out whitch one is the ac relay
Tuesday, June 15th, 2010 AT 5:48 PM

15 Replies

Tiny
WAY2OLD
  • MECHANIC
  • 195 POSTS
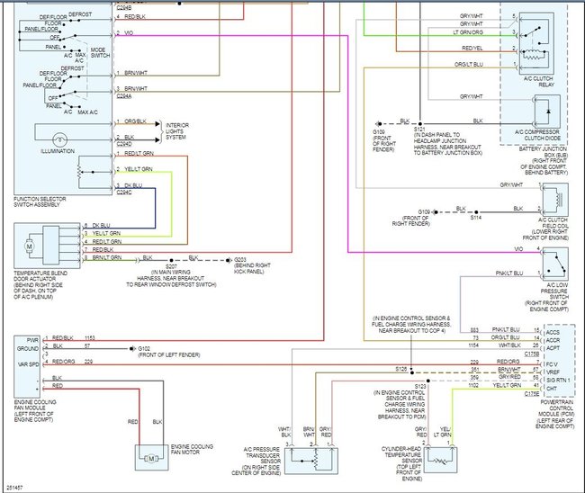
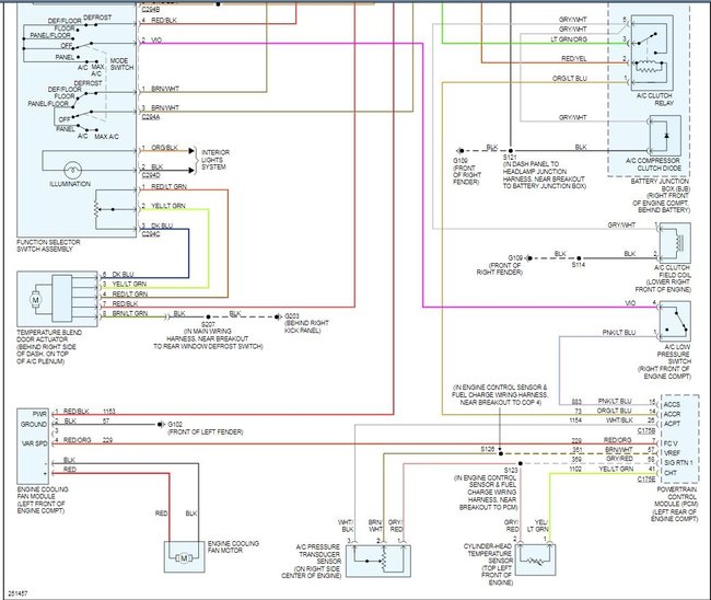
The A/C relay is located in the battery junction box.... right front of engine compartment behind the battery

Heres a guide to help you test it

https://www.2carpros.com/articles/how-to-check-an-electrical-relay-and-wiring-control-circuit

See the full wiring diagram below and AC clutch relay in the third diagram.
Was this
answer
helpful?
Yes
No
+1
Tuesday, June 15th, 2010 AT 6:37 PM
Tiny
ASVENTU
  • MEMBER
  • 14 POSTS
  • 2004 FORD CROWN VICTORIA
  • 158,194 MILES
Ford crown victoria 2004. 158,194km. The low side hose in the engine compartment too much cold, but it blows hot air inside the car. DTC B1249. Blend door fail or short. Where is the location of the blend door?
Was this
answer
helpful?
Yes
No
+2
Saturday, July 27th, 2019 AT 10:46 AM (Merged)
Tiny
KHLOW2008
  • MECHANIC
  • 41,814 POSTS
Blend door actuator is under the dash and for removal, you would need to remove the instrument panel.
Was this
answer
helpful?
Yes
No
+1
Saturday, July 27th, 2019 AT 10:46 AM (Merged)
Tiny
ASVENTU
  • MEMBER
  • 14 POSTS
Sir, thank U for the suggestion.I removed the instrument panel and I replaced the blend door actuator w/ a brand new and original parts. But still the actuator not working. Can you show to me pls. Even just a simple wiring diagram from a/c control switch to to blend door actuator. Thank you so much.
Was this
answer
helpful?
Yes
No
+2
Saturday, July 27th, 2019 AT 10:46 AM (Merged)
Tiny
KHLOW2008
  • MECHANIC
  • 41,814 POSTS
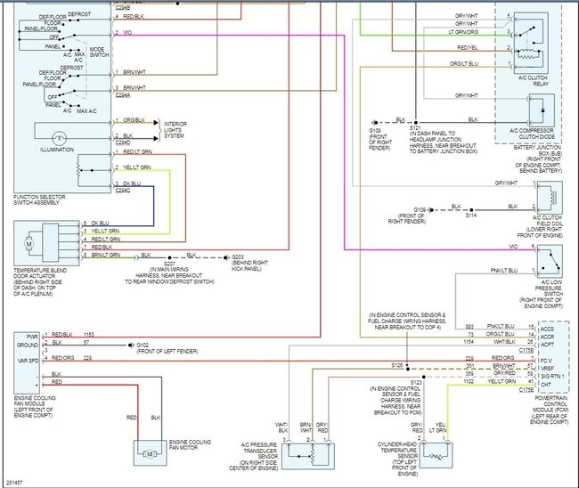
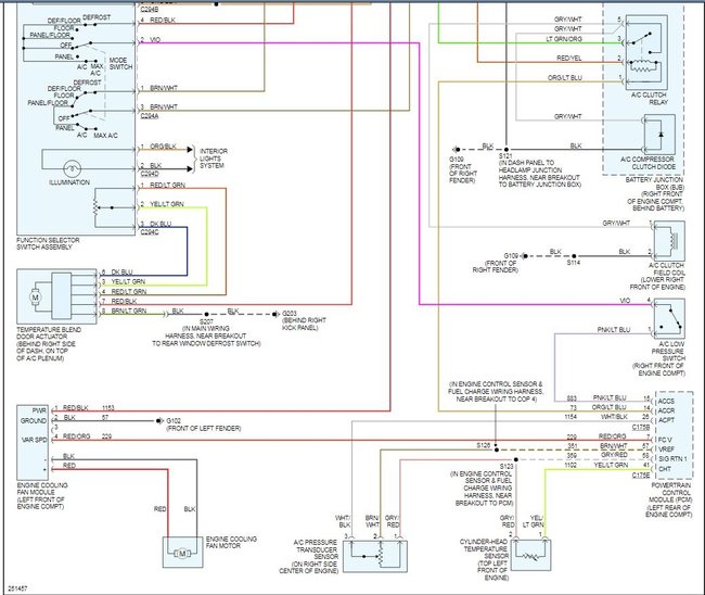
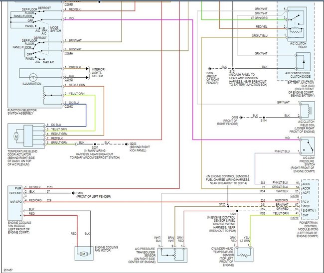
Here are the schematics. If you require the diagnostic procedures, let me have an email.
Was this
answer
helpful?
Yes
No
Saturday, July 27th, 2019 AT 10:46 AM (Merged)
Tiny
ASVENTU
  • MEMBER
  • 14 POSTS
Sir, thank U so much for the diagrams of the EATC. Here is my email add. Asventu@gmail. Com Can U pls. Send to my email the diagnostic procedure of the EATC and the schematic diagram as well so that I can print it? I am a filipino from philippines working here in saudi arabia. Thank U very much and more power.
Was this
answer
helpful?
Yes
No
Saturday, July 27th, 2019 AT 10:46 AM (Merged)
Tiny
DAOVIC
  • MEMBER
  • 3 POSTS
  • 1997 FORD CROWN VICTORIA
  • V8
  • 2WD
  • AUTOMATIC
  • 170,000 MILES
The AC shuts off above 90 degrees. Filled the Freon with the proper pressures 45-55 psi. After running, it shut off with low pressure above 165 psi. Brought psi down to avoid damage to the low side of the system.

Please advise. From what I have seen, problem may be an inoperative expansion valve. Where is it, and how is it replaced? Is this a DIY, or Shop required?

Never used this site before.

Thanks
Was this
answer
helpful?
Yes
No
Saturday, July 27th, 2019 AT 10:46 AM (Merged)
Tiny
BUDDYCRAIGG
  • MECHANIC
  • 2,262 POSTS
I'm going to have to ask you a lot of questions.
Even though you said a lot of stuff, you left a few little things out with each statement.

The AC shuts off above 90 degrees.
When what is above 90 degrees?

How does the AC shut off?
Is the compressor clutch disengaging?
Or
is the compressor still running but the air out the vents is warm?
Was this
answer
helpful?
Yes
No
Saturday, July 27th, 2019 AT 10:46 AM (Merged)
Tiny
KHLOW2008
  • MECHANIC
  • 41,814 POSTS
File has been sent. Hope it turns out well. Good luck.
Was this
answer
helpful?
Yes
No
Saturday, July 27th, 2019 AT 10:46 AM (Merged)
Tiny
DAOVIC
  • MEMBER
  • 3 POSTS
Buddy -

The ambient temperature is about 90 degrees. The AC cools until running for a while, then shuts down.

The compressor shuts off.

I checked the pressure for the first time yesterday. This was done after filling the low pressure side until it reached 50(+ or -) psi, with the ambient temperature around 85. I ran the car for a while and the compressor shut off. I searched the Internet for similar problems and found that the cause may be the expansion valve/orifice. I checked the pressure (low side) and it was around 165 psi. Seeing that this was the low side and did not want damage done, so I reduced the pressure back to around where it started before filling (around 25-30 psi).
Thanks,
DAOrner
Was this
answer
helpful?
Yes
No
Saturday, July 27th, 2019 AT 10:46 AM (Merged)
Tiny
ASVENTU
  • MEMBER
  • 14 POSTS
Sir, I already got the diagnostic procedures that sent to my email. And I done the step by step procedures and I found the problem. There is one open wire from the EATC module going to the blend door actuator.I repair it and now it is working good. Thank U so much and also for the very informative website WWW.2CARPROS, COM. More power.
Was this
answer
helpful?
Yes
No
Saturday, July 27th, 2019 AT 10:46 AM (Merged)
Tiny
BUDDYCRAIGG
  • MECHANIC
  • 2,262 POSTS
If the low side was at 50 with the compressor running, then you have 3 possibilities.

The compressor valves are weak.
The expansion valve is not closing.
You have too much freon in the system.

If you can tell me what the high side readings are, it will help rule out having too much freon.

The low side can get to 165 when the engine is off and the under hood temps are in the 220F range

And PS, 25 30 is where you want the low side to be with the compressor running.
Was this
answer
helpful?
Yes
No
Saturday, July 27th, 2019 AT 10:46 AM (Merged)
Tiny
KHLOW2008
  • MECHANIC
  • 41,814 POSTS
You're welcome.

Glad to know you have fixed the problem.
Was this
answer
helpful?
Yes
No
Saturday, July 27th, 2019 AT 10:46 AM (Merged)
Tiny
DAOVIC
  • MEMBER
  • 3 POSTS
The engine was running with the low side @ 165 psi and the compressor shut off (AC still on).

The hood was open, outside ambient was 85 degrees. Temp under hood was well under 220 degrees.

The instructions on the can show low pressure 45-55 psi @ 85 degrees ambient.

Do not have a dual guage (simple low side refill kit).

Thanks
Was this
answer
helpful?
Yes
No
Saturday, July 27th, 2019 AT 10:46 AM (Merged)
Tiny
BUDDYCRAIGG
  • MECHANIC
  • 2,262 POSTS
That would be for a charged system, without the compressor running.

I just checked my quickie chart and r-134 would be 165psi at 118F without the compressor, so that's totally believable.

Go get yourself a cheap set of gauges.
I paid $40 for my first set and they lasted 6 years.(Other than the plastic knobs cracked and had to be replaced.)

right now, we dont know why the compressor is shutting off. Knowing high side readings would help narrow that down.

The high side could be getting too high and a pressure switch is tripped,
or
the evaporator is freezing up
Was this
answer
helpful?
Yes
No
Saturday, July 27th, 2019 AT 10:46 AM (Merged)

Please login or register to post a reply.