Wednesday, June 4th, 2008 AT 10:14 AM
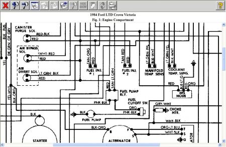
Car only starts when I use starting fluid in the throttle body. After that it runs fine all day until the next day. Then I have to use the fluid again. Can't figure it out.



