How to change the fuel filter

Tiny
BSTUTES
  • MEMBER
  • 1994 FORD BRONCO

does it take special tools to change the fuel filter on an 94 Bronco. Is the fuel system pressurized? How do I keep fuel from pouring out when I take off the old filter?
Saturday, August 9th, 2008 AT 10:13 PM

1 Reply

Tiny
SOUTH3RNB0Y
  • MEMBER
  • 2 POSTS
Yes, it takes a fuel line release tool. They are available at most every auto parts store

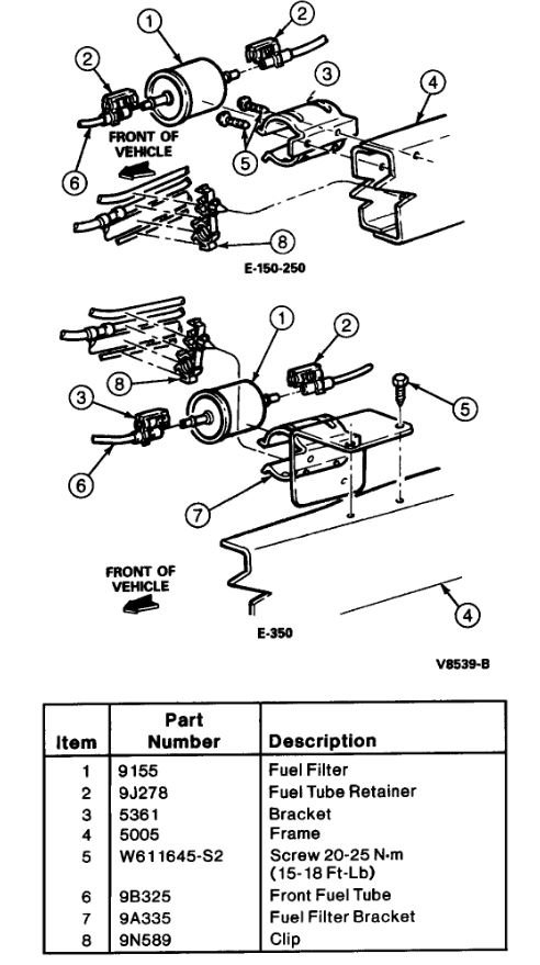
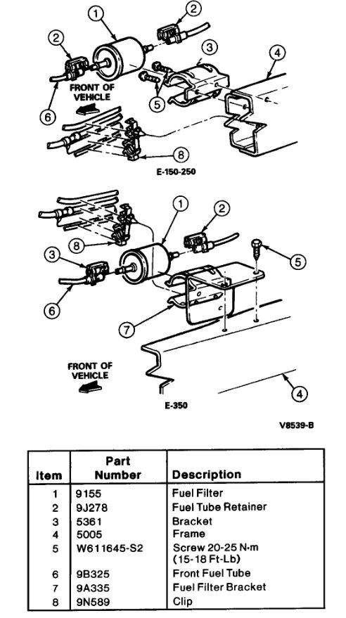
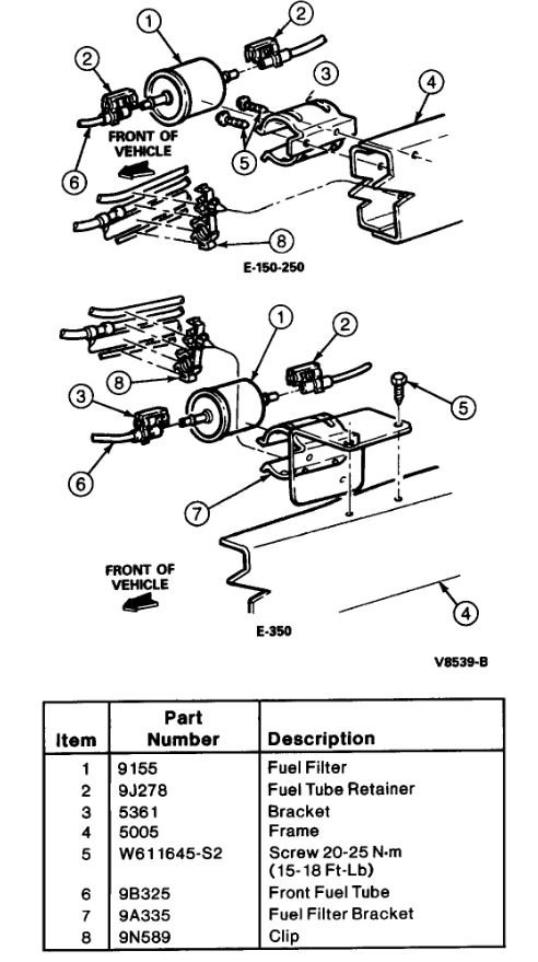
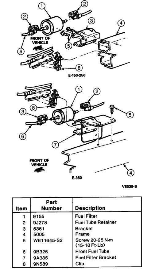
REMOVAL

CAUTION: If the fuel filter is being serviced with the rear of the truck higher than the front, or if the tank is pressurized, fuel leakage or siphoning from the tank fuel lines could occur. To prevent this condition, maintain the vehicle front end at or above the level of the rear of vehicle. Also, relieve tank pressure by loosening the fuel fill cap. Cap should be retightened after pressure is relieved. If vehicle is warm, change the fuel filter before the pressure rebuilds.

1. Shut engine off. De-pressurize fuel system by depressing the schrader valve in the fuel rail. Use caution to prevent combustion from fuel spillage.

2. Raise vehicle on hoist.

3. Remove push connect fittings at both ends of fuel filter. Install new retainer clips in each push connect fitting.

4. Remove two nuts from filter studs and remove filter and bracket assembly.

NOTE: It may be necessary to unclip and move parking brake cable.

5. Remove two nuts from filter studs and remove fuel filter bracket.

INSTALLATION

1. Install filter and bracket, ensuring proper direction of flow as noted by arrow. Tighten nuts to 6-7 lb in (8-10 Nm).

NOTE: Direction of the flow arrow points to the tab of the bracket against which the filter rests.

2. Install push connect fittings at both ends of filter.

3. Snap on filter-to-fuel line retainer clips. Long legs of clips go onto fuel lines.

4. Lower vehicle.

5. Turn ignition switch from OFF to RUN several times and check for leaks.

See the diagram below
Was this
answer
helpful?
Yes
No
-1
Monday, January 19th, 2009 AT 8:13 AM

Please login or register to post a reply.