HOME
ASK A QUESTION
REPAIR GUIDES
BECOME A MEMBER
LOG IN
Login with Facebook
OR
Remember me
NOT A MEMBER?
FORGOT PASSWORD?
CONTACT US
PRIVACY POLICY
TERMS AND CONDITIONS
☰
Home
Ford
Aerostar
Engine
Serpentine Belt
Diagram
Belt diagram
CPLETZ
MEMBER
1994 FORD AEROSTAR
6 CYL
2WD
AUTOMATIC
160,000 MILES
I just need a diagram for the belts on this van
Sunday, December 30th, 2007 AT 2:14 PM
1 Reply
KASEKENNY
MECHANIC
18,907 POSTS
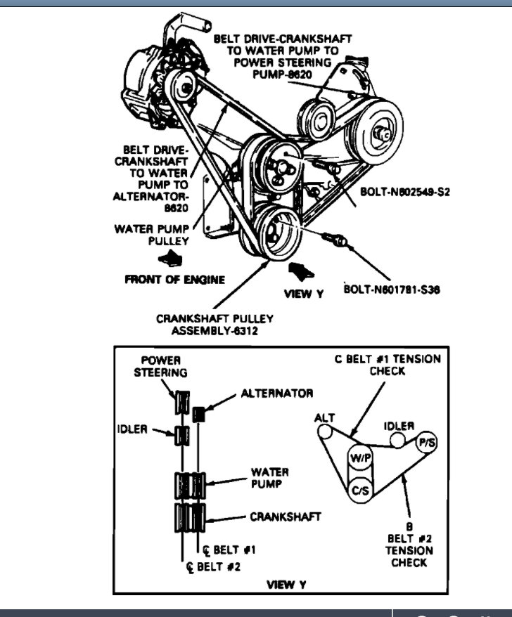
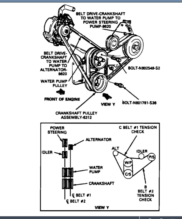
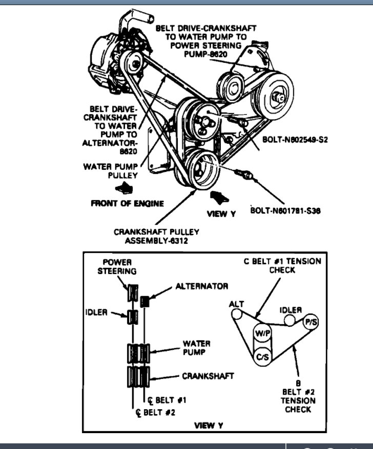
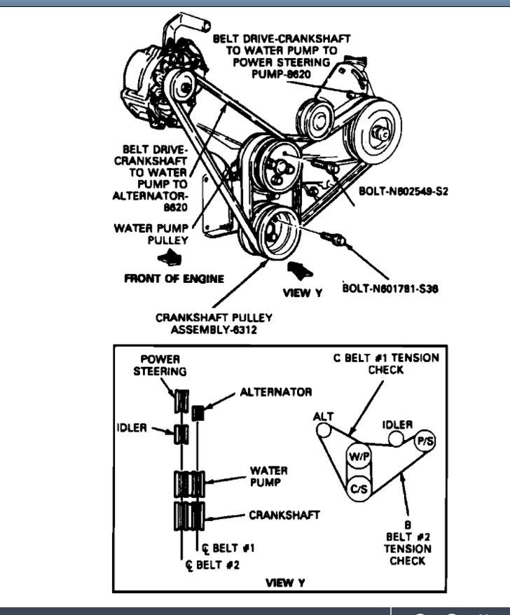
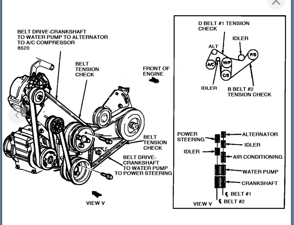
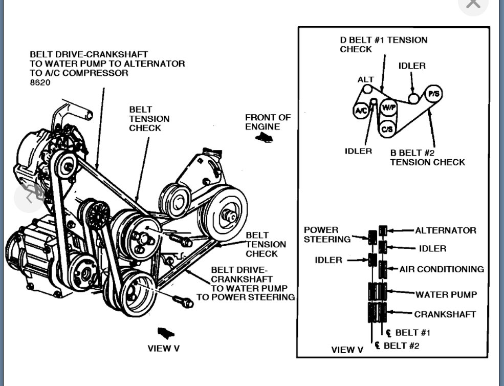
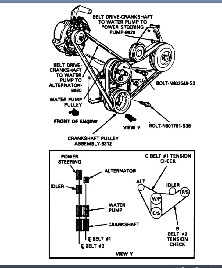
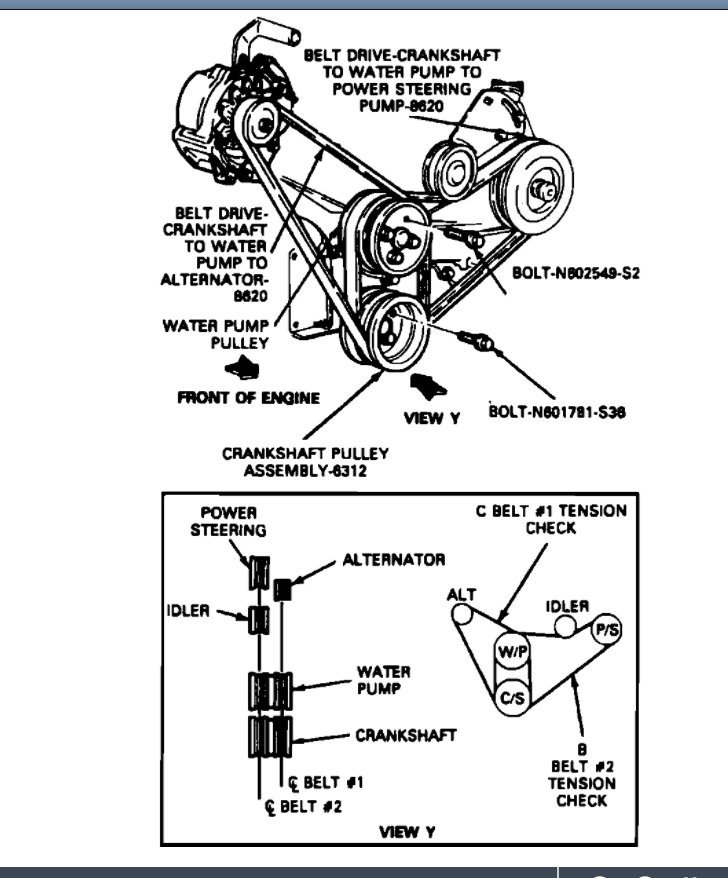
I am attaching the diagrams below but here are a couple of guides that will help with this:
https://www.2carpros.com/articles/replace-serpentine-belt
https://www.2carpros.com/articles/how-a-serpentine-belt-works
The first 2 diagrams below are for a 3.0L with and without A/C. The next two are for the 4.0L with and without A/C.
Please run through all this info and let us know if you have more questions.
Thanks
Images (Click to make bigger)
Was this
answer
helpful?
Yes
No
+1
Thursday, March 3rd, 2022 AT 4:34 PM
Please
login
or
register
to post a reply.
Related Serpentine Belt Diagram Content
1991 Ford Aerostar Drive Belt Routing
I Am Replacing The Original Alternator. At The Same Time, I Am Replacing Both Drive Belts. I Have The Power Steering Belt On And Tight....
Asked by
jim kirchofer
·
3 ANSWERS
1991
FORD AEROSTAR
GUIDE
Serpentine Belt - Timing Belt - Timing Chain Diagrams
We have collected many popular serpentine belt timing belt and timing chain diagrams up to 2004 only which show the routing of the belts and chains along with the marks to ...
3.0 Liter 2wd I'm Having A Hard Time Putting My Belt...
3.0 Liter 2wd I'm Having A Hard Time Putting My Belt Back On After Replacing My Alternator. Do You Have A Diagram That Would Help?
Asked by
Chadwellx
·
2 ANSWERS
1992
FORD AEROSTAR
1994 Ford Aerostar Control Module
I Don't Have Power To #2 And #4 At Control Module. I Have Primary Power, But No Secondary Power To Coil And No Spark. I Have Proper Voltage...
Asked by
jbrit87
·
1 ANSWER
1994
FORD AEROSTAR
1996 Ford Aerostar Timing Belt
How Do I Adjust Timing Belt When It Has Slipped?
Asked by
Dan Kepple
·
1 ANSWER
1996
FORD AEROSTAR
Oil Change
How Many Quarts Of Oil Do I Need To Do An Oil Change On My Van?
Asked by
davis_c1202
·
1 ANSWER
1997
FORD AEROSTAR
VIEW MORE
Ask a Car Question. It's Free!
How to Replace Serpentine Belt Toyota Prius
Serpentine Belt Replacement Chrysler
Serpentine Belt Replacement Chevrolet Tahoe