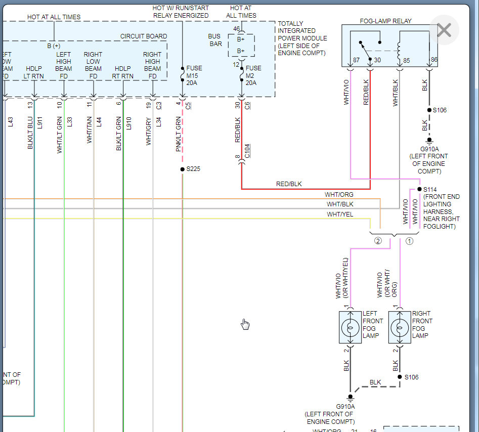
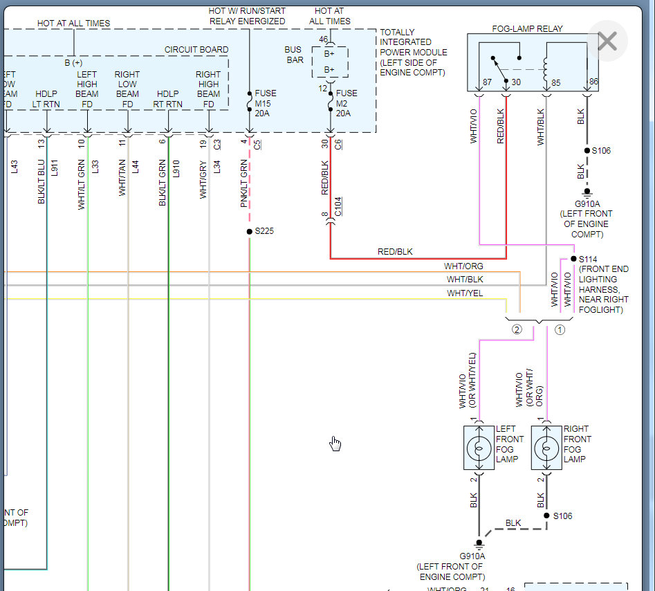
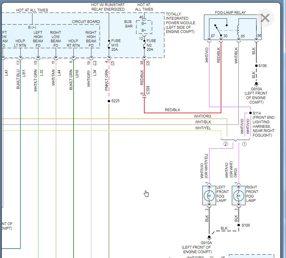
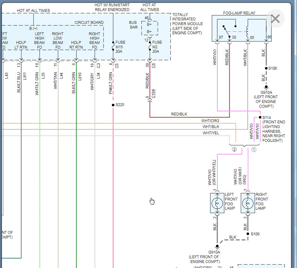
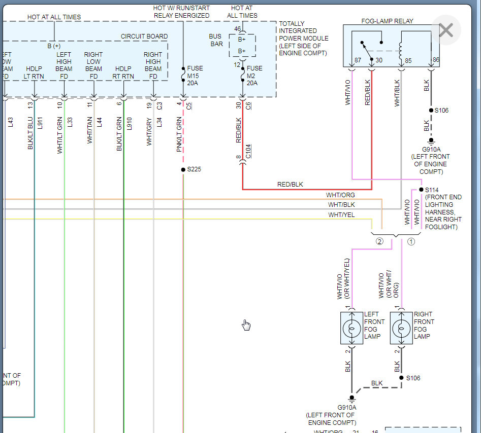
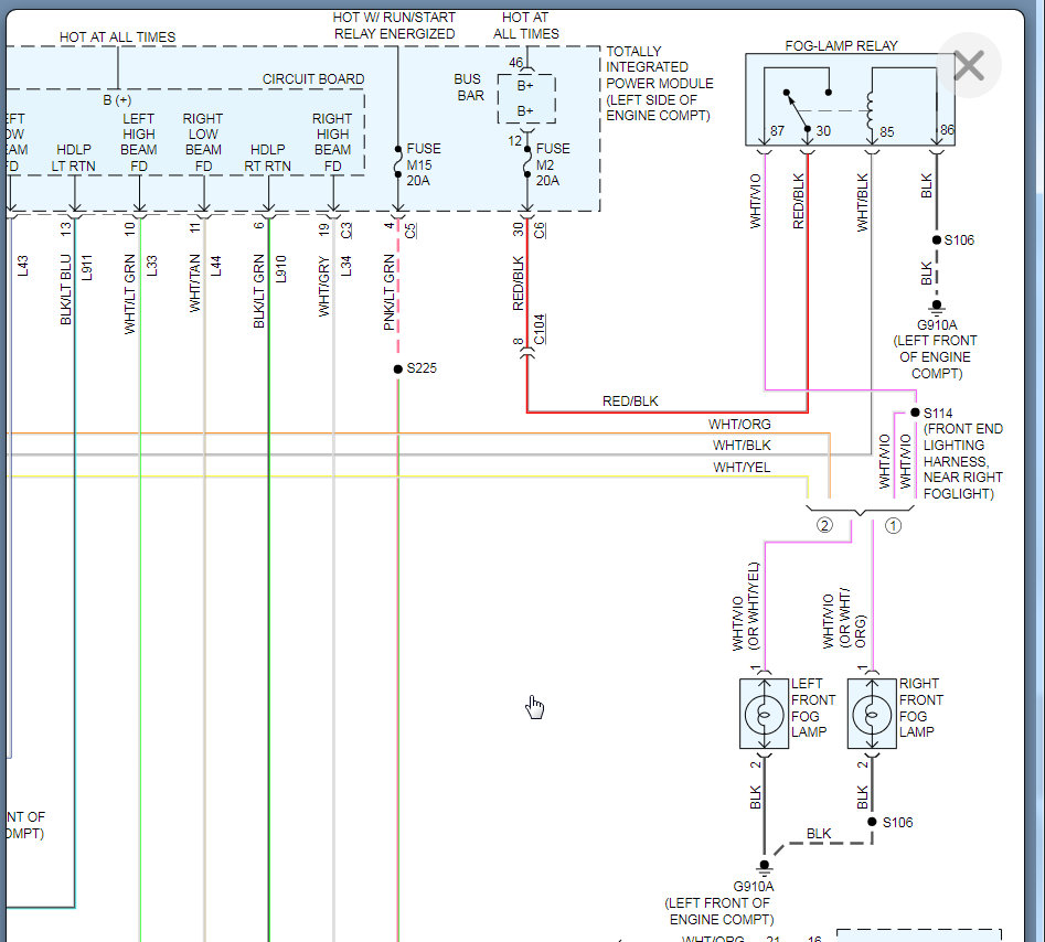
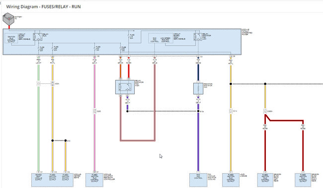
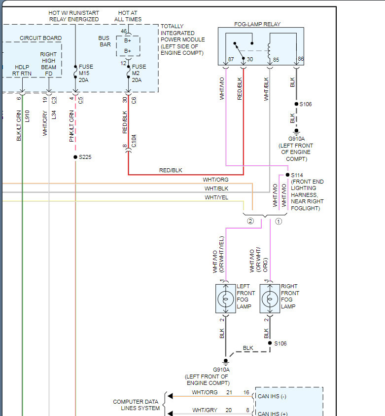
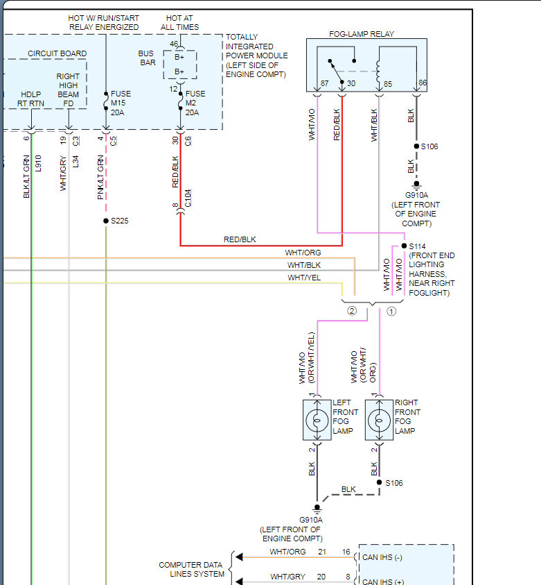
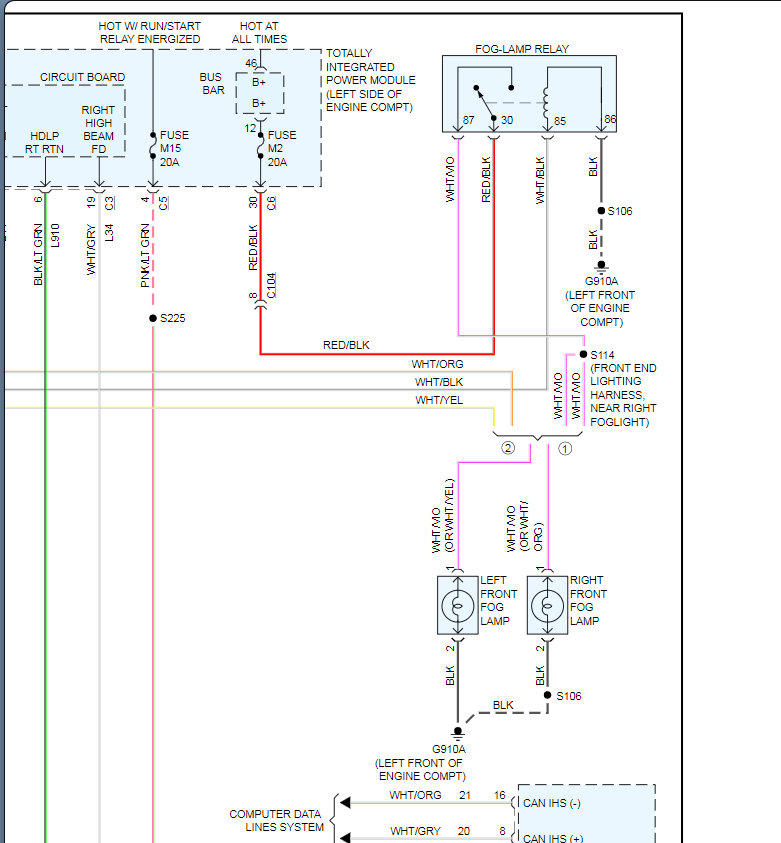
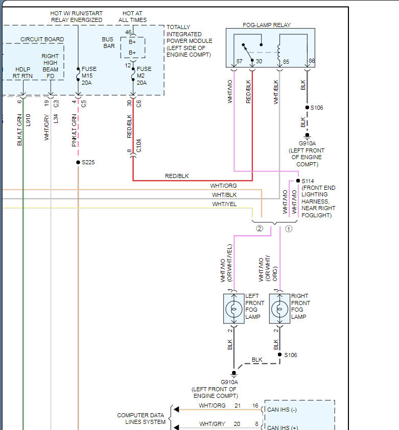
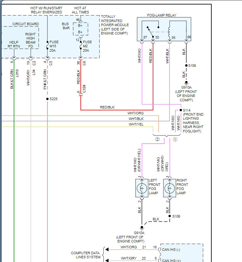
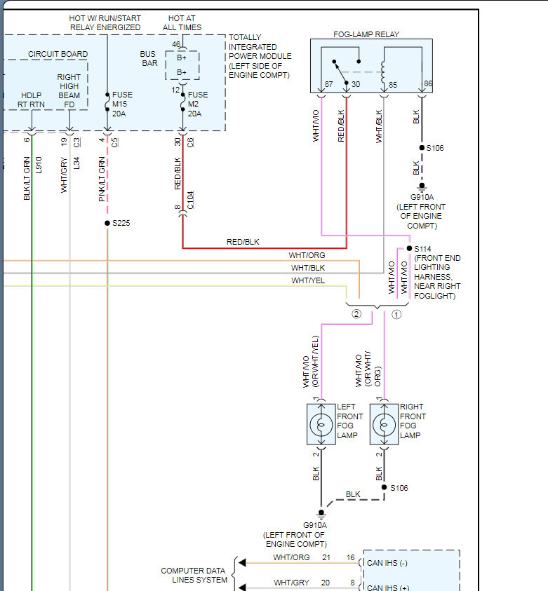
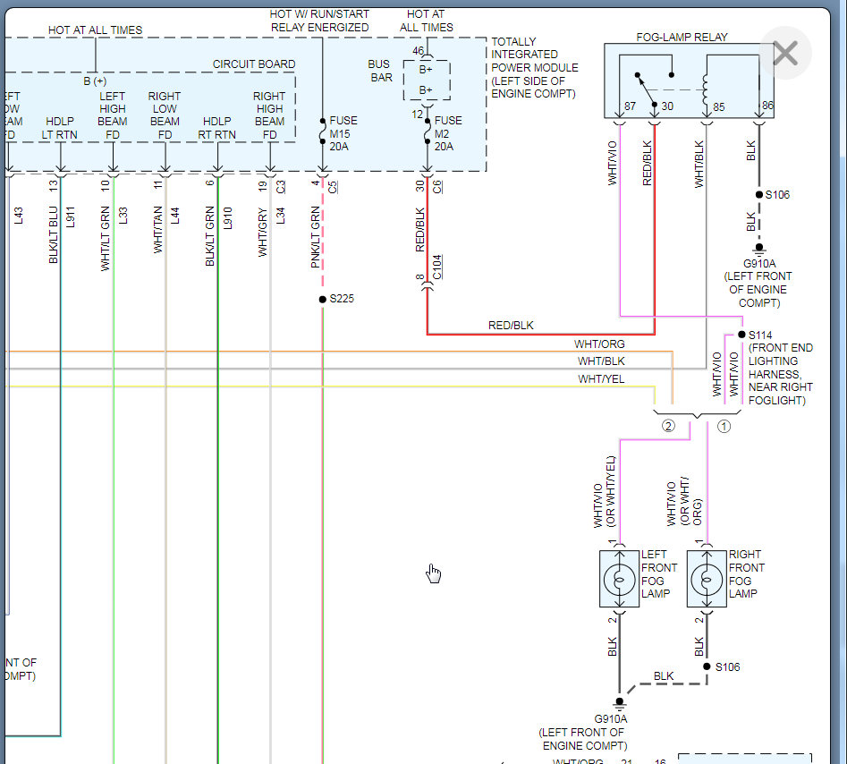
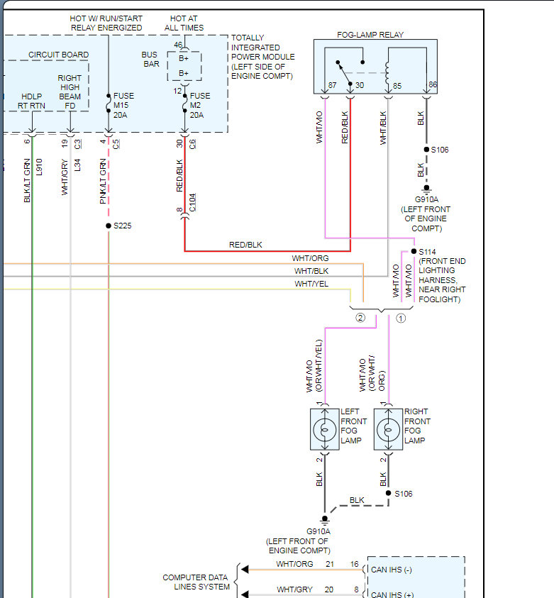
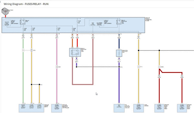
I would like to add DRL LED lamps instead of front fog lamps. I need to connect to +12V power supply after engine starts. Which wire or junction it can be near front left lamp which I could easy to connect?12V after the engine starts automatically, not manually by pushing light switch. I need to disconnect fog wire or wires, I don't know which one goes to fog connector, from TIPM box. Or somewhere is better place where I can cut the wire and connect the 12V power? Or disconnect fuse for fog lamps?
Wednesday, January 13th, 2021 AT 9:23 AM










