Flasher relay problem

Tiny
SODAPOP65
  • MEMBER
  • 2003 FORD EXCURSION
  • 6.8L
  • V10
  • 4WD
  • AUTOMATIC
  • 175,000 MILES
Flasher relay will not stop clicking. All lights and turn signals work properly. Replaced flasher but no change.
Saturday, June 23rd, 2018 AT 7:33 AM

1 Reply

Tiny
KEN L
  • MASTER CERTIFIED MECHANIC
  • 55,182 POSTS
Hello,

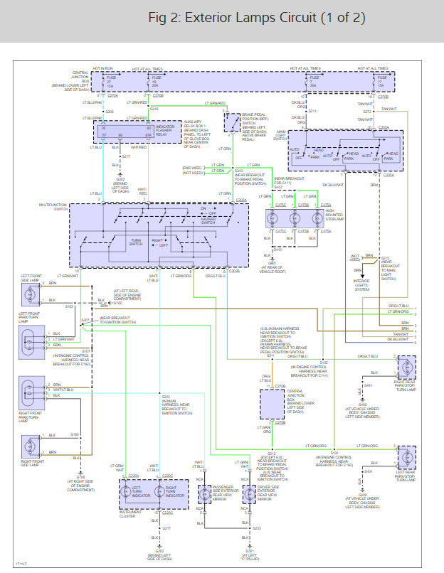
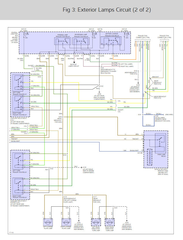
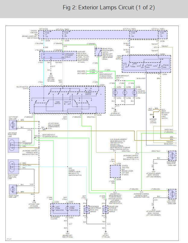
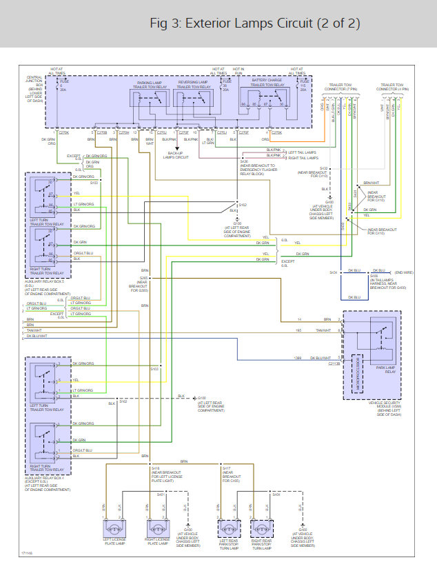
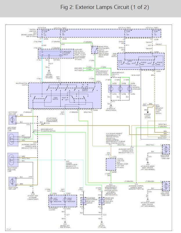
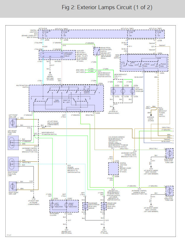
I would cycle the hazard switch many times to clean the switch contacts. Next I would remove the trailer tow relays one at a time to see if that affects it. Here is a blinker wiring diagram so you can see how the system works. Let me know if you are not on a phone and cannot enlarge the diagrams I will send larger ones.

Here are the relay and fuse panel locations as well.

Check out the diagrams (below). Please let us know what happens.

Cheers, Ken
Was this
answer
helpful?
Yes
No
-1
Sunday, June 24th, 2018 AT 1:04 PM

Please login or register to post a reply.