Saturday, January 14th, 2017 AT 10:10 AM
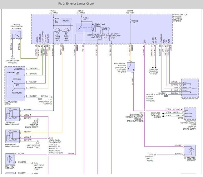
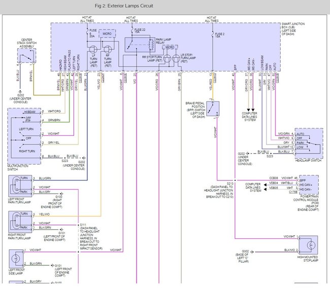
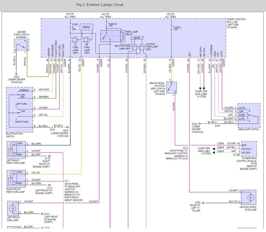
I have a titanium diesel estate. When I indicate right full beam comes on, when I indicate left the voice control is activated. The steering wheel control module has been replaced and a new stalk has been urged and it is still the same. Any ideas would be great. The wiring and earth's have also been checked.


