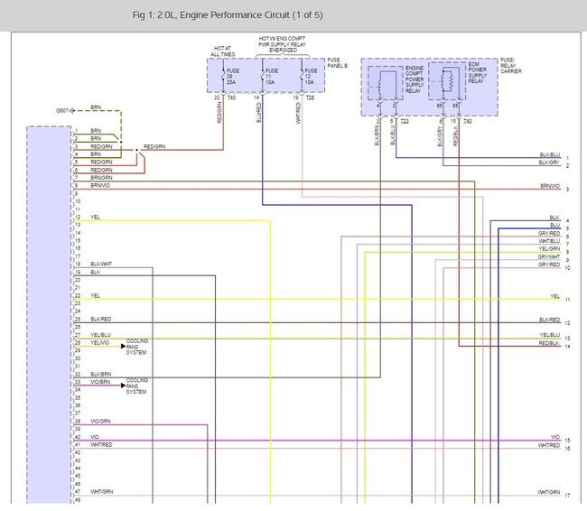
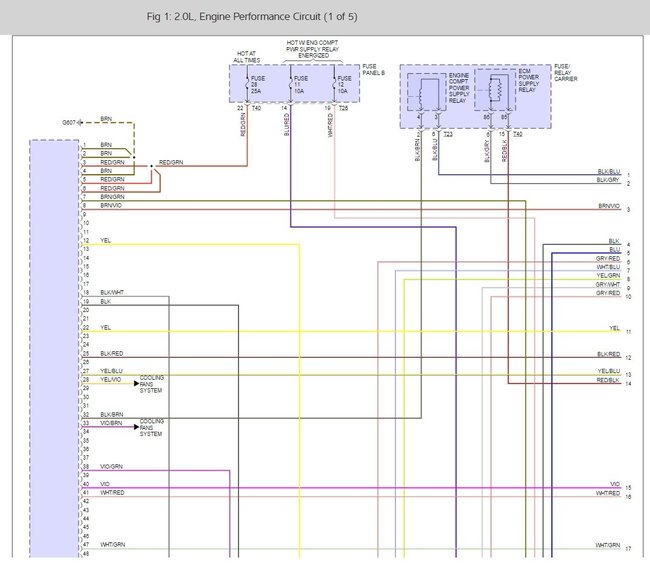
Friday, March 31st, 2017 AT 6:26 AM
Car is throwing codes P0100 and P0172. I have changed the mass air flow sensor and PCV valve with no better results. Car seems to idle fine, but she said she has noticed it sluggish sometimes when accelerating on to the highway. I looked for and vacuum leeks as best I could.












