Tuesday, September 19th, 2017 AT 4:48 PM
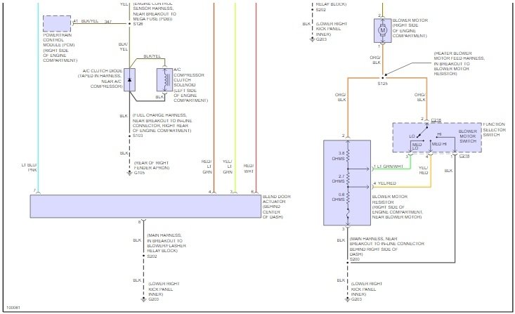
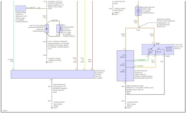
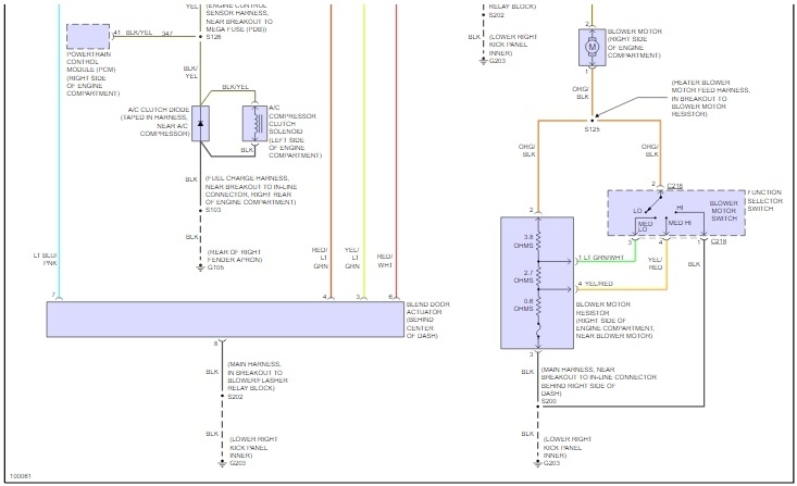
A/C fan yesterday was going in and out, like an electrical problem. Today it has completely stopped working and no fan on A/C. I was thinking blower motor but after reading twenty or thirty articles I find that it could be a relay or resistor. All fuses are fine of course it could not be that easy. But can somebody show me a diagram where the relays and resistors are located and how to replace? My book on my car of course does not show this. Much thanks from sixty two granny shade tree mechanic.





