Fan comes on when key is turned to accessories

2004 VOLKSWAGEN PASSAT
190,000 MILES • 1.8L • 4 CYL • 4WD • MANUAL
Avatar
MILLER MOUW
  • MEMBER
  • 1 POST
Hi I have a 2004 b5 series 1.8T AWM passat DOHC engine wagon. I had a previous problem where my auxiliary fan the small right hand side fan would come on when the key was turned, not started. So I tried to track a blown fuse there is nothing in the fuse box.Nothing in the relay arrangement on thirteen fold auxiliary relay panel, nothing above the relay panel. Seems to be blown because I changed all the fuses or at least switch them out for other ones including the ones that I couldn’t see. A blown fuse display like the clear ones. I’ve checked the fuses Which include The 5, 30, 40 and 60 amp Labeled coolant fan fuse. I’ve checked relay and fuse arrangements on the 8 panel relay panel, also check ECM box under the plastic cover on the driver side. I’ve changed the coolant temperature sensor and all I’ve done is get both fans stuck on.which I think happened after I unplugged the 373 in the ECM box. So I’ve made my prob worse. please help.

In order:
Changed coolant temperature sensor (between firewall and engine).
Checked fuse panel.
Checked relay panels behind steering wheel.
Checked the ECM box for a fuse.
I haven’t wanted to take the housing off between the radiator and plastic cover for the fans because the forms that I’ve read say that there is no fan switch on this specific model engine.
I’m stumped and now really sad.
Please help.
Jun 5, 2019 at 6:39 AM
Advertisement
Avatar
STRAILER
  • CAR REPAIR CONTRIBUTOR
  • 54,256 POSTS
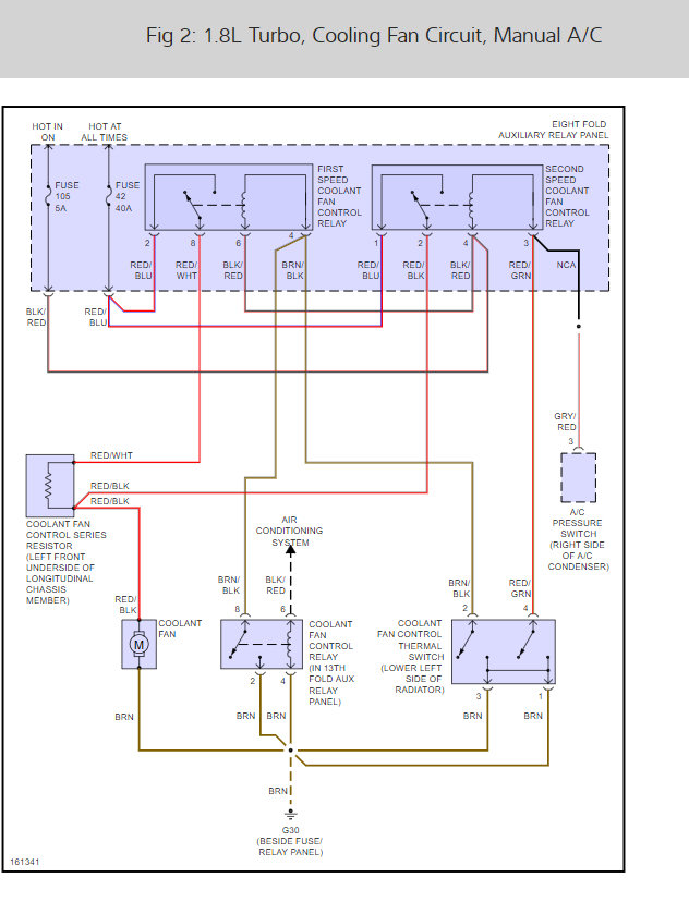
Let disconnect the AC pressure sensor to see if the problem goes away here are the cooling fan wiring diagrams so you can see how the system works. Check out the diagrams (below). Please let us know what you find. We are interested to see what it is.

Jun 6, 2019 at 2:24 PM
Advertisement
Repair Safety Notice: This information is for general instructional purposes only. Vehicle repair can be dangerous. Verify all information, follow manufacturer service procedures, use proper tools and safety equipment, and consult a qualified repair shop when needed.