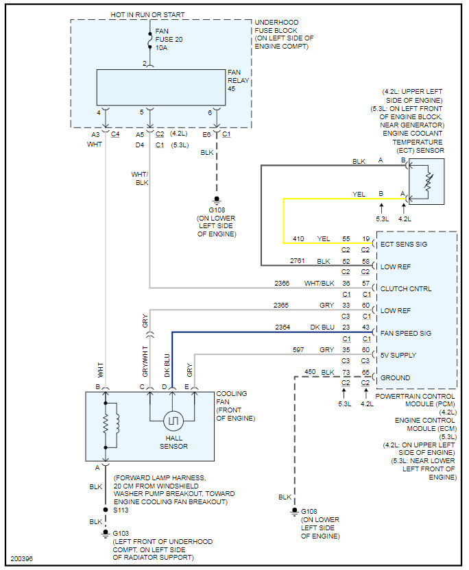
Code PO480, fan clutch is not working

Tiny
BLKSTALLION4
  • MEMBER
  • 2005 GMC ENVOY
  • 6 CYL
  • 4WD
  • AUTOMATIC
  • 73,567 MILES
There is one wire broken in the wiring harness, right at the connection where the wires from the fan connect the the wires from the ECM.
Sunday, October 18th, 2020 AT 12:59 AM

1 Reply

Tiny
KASEKENNY
  • MECHANIC
  • 18,907 POSTS
Can you tell me which specific wire it is that is broken? Clearly if one is broken and it is coming from the PCM to the fan then that would explain everything. If it were me I would repair that wire and then retest everything.

Just strip the wire so you expose the copper wiring and twist it together and then solder that joint. Make sure you put shrink wrap on before you connect the wire then slide the wrap over the solder joint and heat the wrap so that it shrinks over the joint to protect it. Then clear the code and retest the operation.

If that does not solve the issue then I included the testing for that code that we need to run through. Let us know what happens. Thanks
Was this
answer
helpful?
Yes
No
Sunday, October 18th, 2020 AT 8:57 AM

Please login or register to post a reply.