Fan not shutting off

Tiny
HDCOUNTRYGIRL61
  • MEMBER
  • 2005 CHEVROLET SUBURBAN
  • 5.3L
  • V6
  • 4WD
  • AUTOMATIC
  • 165,000 MILES
Fan continues to run after motor is shut off running the battery down. It's not the relay. What could it be?
Wednesday, December 19th, 2018 AT 4:08 PM

5 Replies

Tiny
ASEMASTER6371
  • MECHANIC
  • 52,796 POSTS
Good morning,

There is a blower resistor under the right side of the dash by the blower motor. It is common for this to fail as it shorts to power and continues to feed the blower motor power.

It is a simple replacement and the part is available at any parts store.

Roy
Was this
answer
helpful?
Yes
No
Wednesday, December 19th, 2018 AT 11:23 PM
Tiny
HDCOUNTRYGIRL61
  • MEMBER
  • 3 POSTS
The fan that continues to run is the one in front of the radiator. It's the fan that won't shut off. Any ideas?
Was this
answer
helpful?
Yes
No
Thursday, December 20th, 2018 AT 7:59 PM
Tiny
ASEMASTER6371
  • MECHANIC
  • 52,796 POSTS
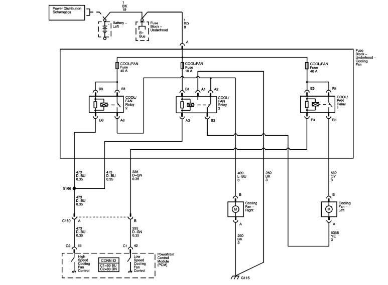
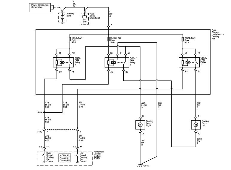
Okay, Wish you would have clarified that in your original post.

I attached a wire diagram for you to view.

You did not specify if it is both or just one. I would start by removing each fan relay one at a time and see if the fan stops. Once you find the relay, then we need to do some testing.

Roy
Was this
answer
helpful?
Yes
No
Thursday, December 20th, 2018 AT 10:09 PM
Tiny
HDCOUNTRYGIRL61
  • MEMBER
  • 3 POSTS
  • 2005 CHEVROLET SUBURBAN
  • 5.3L
  • V6
  • 4WD
  • AUTOMATIC
  • 165,000 MILES
It's not the relays. We have checked those. Draining brand new battery. Any ideas what could be causing this?
Was this
answer
helpful?
Yes
No
Friday, December 21st, 2018 AT 10:14 AM (Merged)
Tiny
ASEMASTER6371
  • MECHANIC
  • 52,796 POSTS
Hi again,

Check your other post as I responded to it with recommendations for you to try.

Roy
Was this
answer
helpful?
Yes
No
Friday, December 21st, 2018 AT 10:14 AM (Merged)

Please login or register to post a reply.