Thursday, December 12th, 2024 AT 4:43 PM
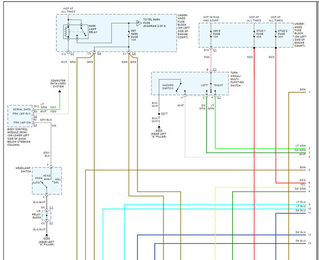
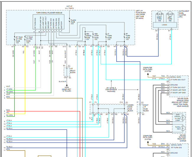
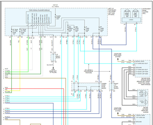
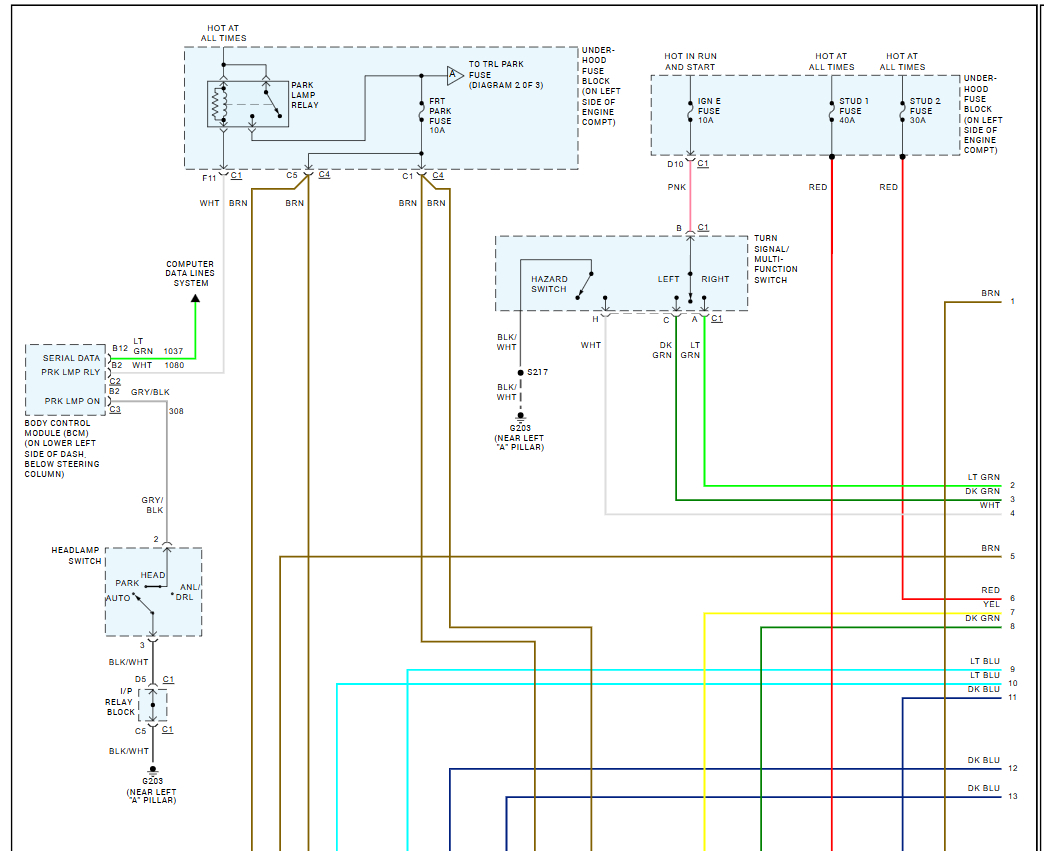
Looking for factory wiring color diagram for 7 pin trailer lights plug for the SUV listed above that doesn't contain a white wire.








