Factory alarm how to turn off to start car?

Tiny
DANG SONY
  • MEMBER
  • 1994 CHEVROLET CAMARO
  • 5.7L
  • V8
  • 2WD
  • 150,000 MILES
The factory alarm is flashing can't start car. How to turn it off?
Wednesday, October 20th, 2021 AT 9:52 AM

1 Reply

Tiny
SQM
  • MECHANIC
  • 6,383 POSTS
Hello,

Try this method to see if you can reset the light.

Unlock the car using the key fob. Use the key to lock and unlock the door.
Inset the key and crank the engine.
Hold the panic button and try starting it.

If this does not work disconnect the battery and wait 60 seconds and reconnect.

Here is helpful article:

https://www.2carpros.com/articles/how-to-reset-a-security-system

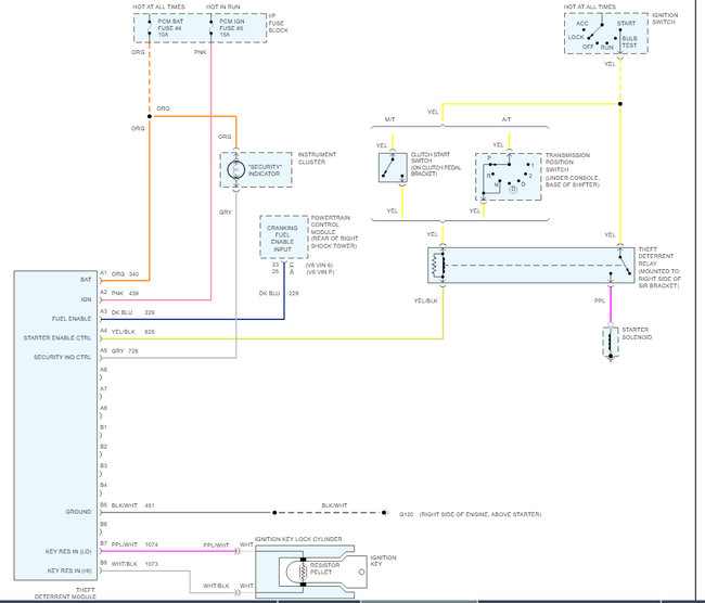
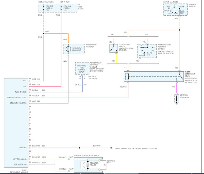
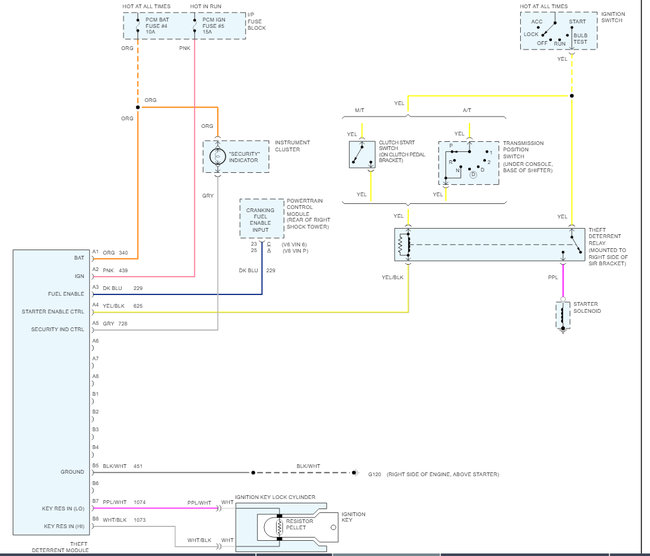
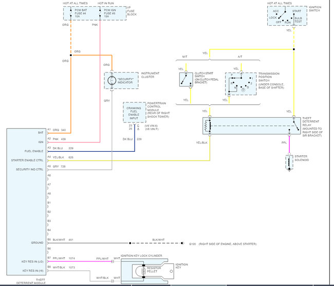
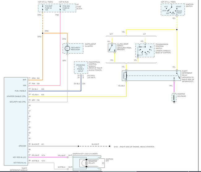
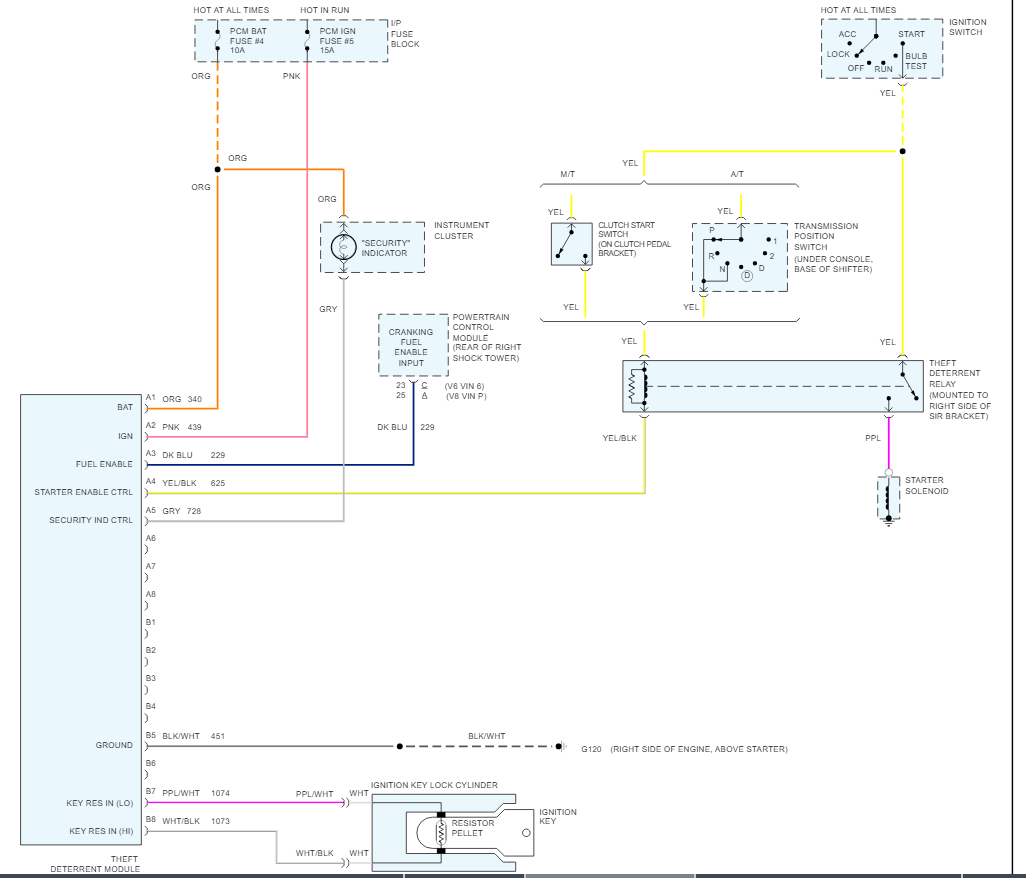
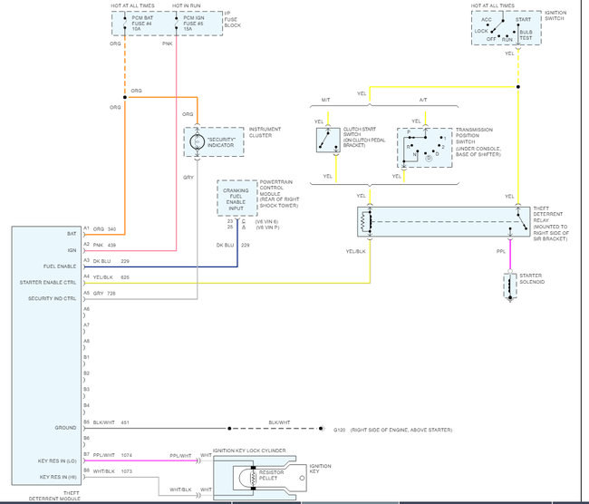
If you are unable to reset it, you could have a bad module. You can try to disconnect the fuse for the alarm.
Check the fuse number 4 and 5, that is located in the under the dash fuse panel.

I have attached diagrams for your reference.

Please let me know if you have any questions.
Thank you.
Was this
answer
helpful?
Yes
No
Wednesday, October 20th, 2021 AT 1:35 PM

Please login or register to post a reply.