Extra letters on display odometer screen?

Tiny
L TIATOM
  • MEMBER
  • 2011 HYUNDAI I20
  • 1.2L
  • 4 CYL
  • 4WD
  • MANUAL
  • 51,000 MILES
Just 2 days ago, I noticed that there are km and ml letters, and letters A and B displayed on the odometer screen when key is at on or engine running. After waiting for about 5 minutes, everything turns normal again. Refer attachment for clearer information.

In normal, it shows km and no A and B displayed, just blank.

No other issues with the car. Just those surprising extra letters!

How to fix it? What causes? Please kindly help.
Wednesday, October 21st, 2020 AT 2:29 AM

15 Replies

Tiny
KASEKENNY
  • MECHANIC
  • 18,907 POSTS
So A and B are called "trip" counters. Meaning it gives you the ability to track the miles/km for a given trip and they can be reset at any point to start that over and it doesn't effect the overall odometer.

With that being said, the picture did not attach. Can you try and attach another one so that we can see what is happening?
Was this
answer
helpful?
Yes
No
Wednesday, October 21st, 2020 AT 7:09 AM
Tiny
L TIATOM
  • MEMBER
  • 61 POSTS
It's my first time in 10 years. Such issue never comes before.

If they are trip counters, how to select a and b? There are no control buttons on my steering wheel? Is it a light bleed?
Was this
answer
helpful?
Yes
No
Wednesday, October 21st, 2020 AT 11:35 PM
Tiny
KASEKENNY
  • MECHANIC
  • 18,907 POSTS
Oh. I see. So they are just barely visible. Pictures truly are worth a 1,000 words because I think you are correct. It may not be a light "bleed" because that is an LCD screen and does not have light bulbs but I do think that is a cluster issue. More then likely the circuit board is "bleeding" voltage to those items and they are showing up very dim. That is not unheard of. If it were me, I would just leave it as it is not bothering anything. I am sure it will still work if you switch to miles or try to use those trip meters.

The one thing you can try is a battery discharge and see if when it restarts it "fixes" itself. Disconnect both battery cables and touch the cables together and then leave them off for 10 minutes and reinstall them.

Even if this does work, it may come back but again, I would not mess with it but if you want to, you would need to replace the cluster.
Was this
answer
helpful?
Yes
No
+1
Thursday, October 22nd, 2020 AT 2:20 PM
Tiny
L TIATOM
  • MEMBER
  • 61 POSTS
What would be the likely causes of such voltage bleeding on the screen?
Was this
answer
helpful?
Yes
No
Thursday, October 22nd, 2020 AT 2:41 PM
Tiny
KASEKENNY
  • MECHANIC
  • 18,907 POSTS
I don't know of anything that would cause this on this type of screen other then a faulty circuit board on the cluster that allows a small amount of voltage to illuminate those items. There are no individual circuits for these items outside the cluster so the issue has to be contained inside of it.
Was this
answer
helpful?
Yes
No
+1
Thursday, October 22nd, 2020 AT 5:12 PM
Tiny
L TIATOM
  • MEMBER
  • 61 POSTS
Actually, the issue slowly dimmed away after about 5 minutes, and everything is normal again.

Can high voltage for instance 16 volt likely cause of such issue?
Or, can such issue arises because of car is parked under constant raining almost 28 days in 1 month in my location at temperature about 19 to 22 degree?
Was this
answer
helpful?
Yes
No
Thursday, October 22nd, 2020 AT 9:40 PM
Tiny
KASEKENNY
  • MECHANIC
  • 18,907 POSTS
The rain and temperature I would not think has anything to do with this. However, if you have 16 volts then that can absolutely cause this. Basically everything would be brighter in that display including the lights that are not actually "on." Do you have 16 volts constantly?
Was this
answer
helpful?
Yes
No
+1
Friday, October 23rd, 2020 AT 6:35 PM
Tiny
L TIATOM
  • MEMBER
  • 61 POSTS
Nope. Not exactly. Last time, my car battery drain and in emergency I recharged with home inverter until it's full. I reconnected the battery to the car without the key inserted as is supposed to be. But, I don't think this is going to create the problem to the display since the battery was reconnected with the key removed!
Was this
answer
helpful?
Yes
No
Friday, October 23rd, 2020 AT 8:41 PM
Tiny
KASEKENNY
  • MECHANIC
  • 18,907 POSTS
Okay. I understand. You are correct. If the voltage was constantly at 16 volts as the vehicle was running, meaning the voltage regulator on the alternator was not limiting the voltage then I could see that happening. However, I am not sure what caused that but it is great that it went away. May have just been a "glitch" in the cluster circuit board.
Was this
answer
helpful?
Yes
No
+1
Saturday, October 24th, 2020 AT 6:53 PM
Tiny
L TIATOM
  • MEMBER
  • 61 POSTS
Took out the instrument cluster panel and kept it under the hot sun for continuous 5, 6 hours to see if any moisture etc, is causing the issue.

Reinstalled the cluster and the battery successively.

1. Key is at on or engine running, yes, the screen is normal.

2. Removed the key and wait about 1 hour, repeated the same checking process, yes, still the screen remains normal.

3. Now, this morning (after about 18 hours), I repeated the same checking process. I'm very disappointed to find that the issue still persists with those letters appearing vividly clear now, and like before, they dimmed out slowly after 5 minutes.

4. The fact that those letters dimmed away slowly is suggesting me that. They are controlled by a capacitor which discharged itself when key at on or engine running, and ultimately, those letters dimmed away. And, capacitor recharged itself when key removed. So, how to identify that capacitor or alike is leaking to cause such issue.

Thanks a lot.
Was this
answer
helpful?
Yes
No
Friday, October 30th, 2020 AT 9:24 PM
Tiny
KASEKENNY
  • MECHANIC
  • 18,907 POSTS
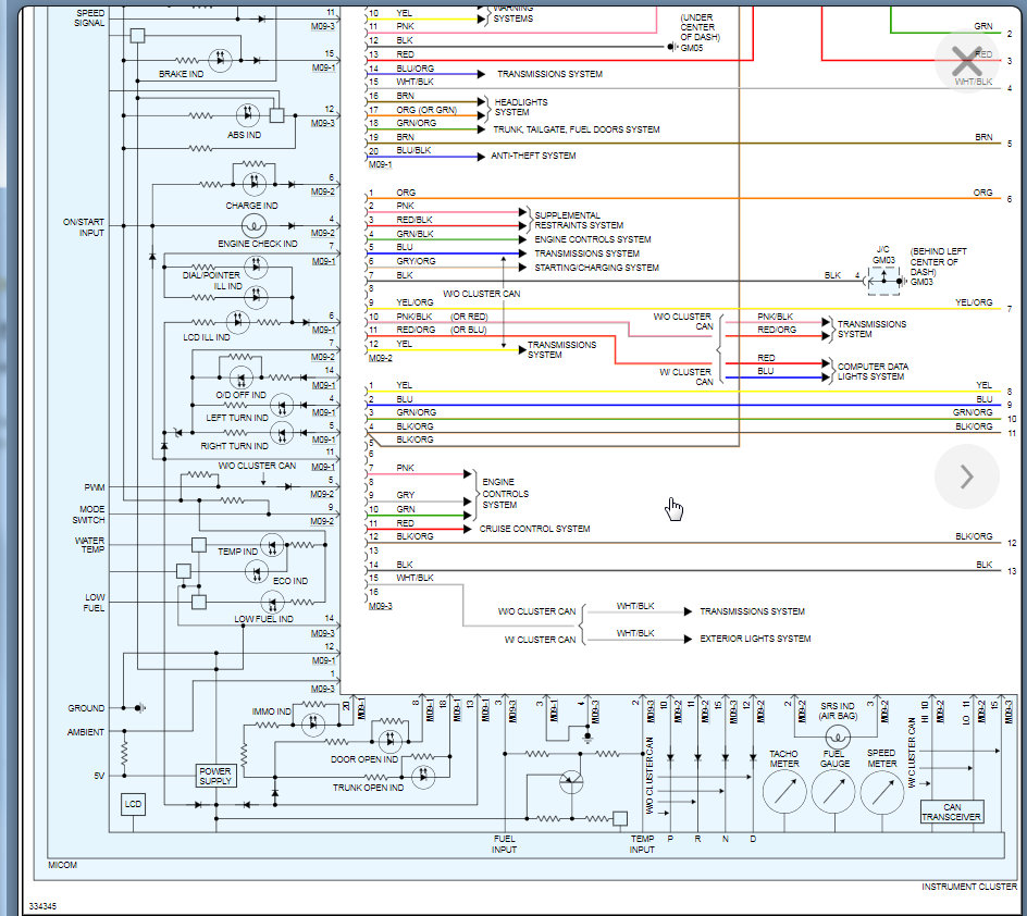
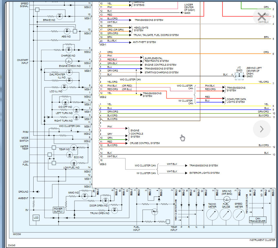
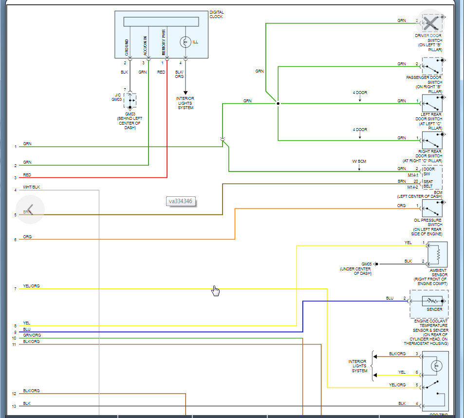
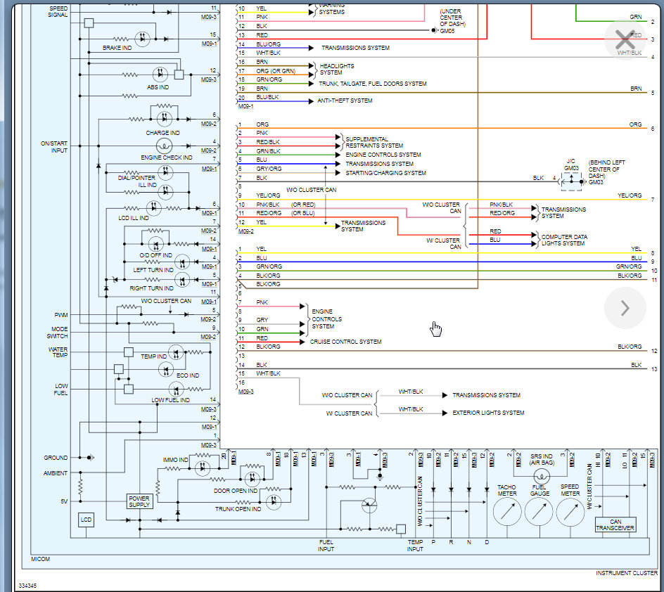
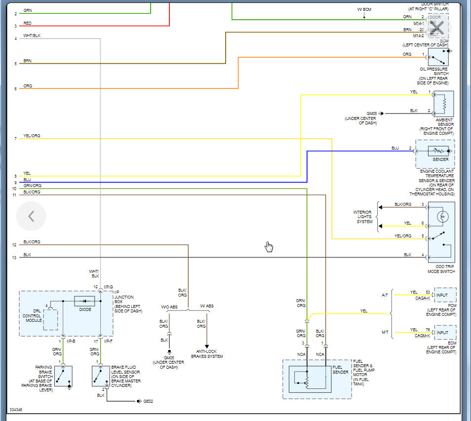
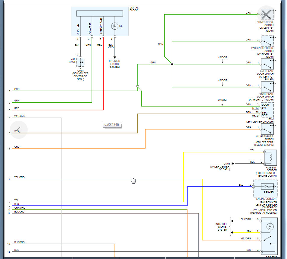
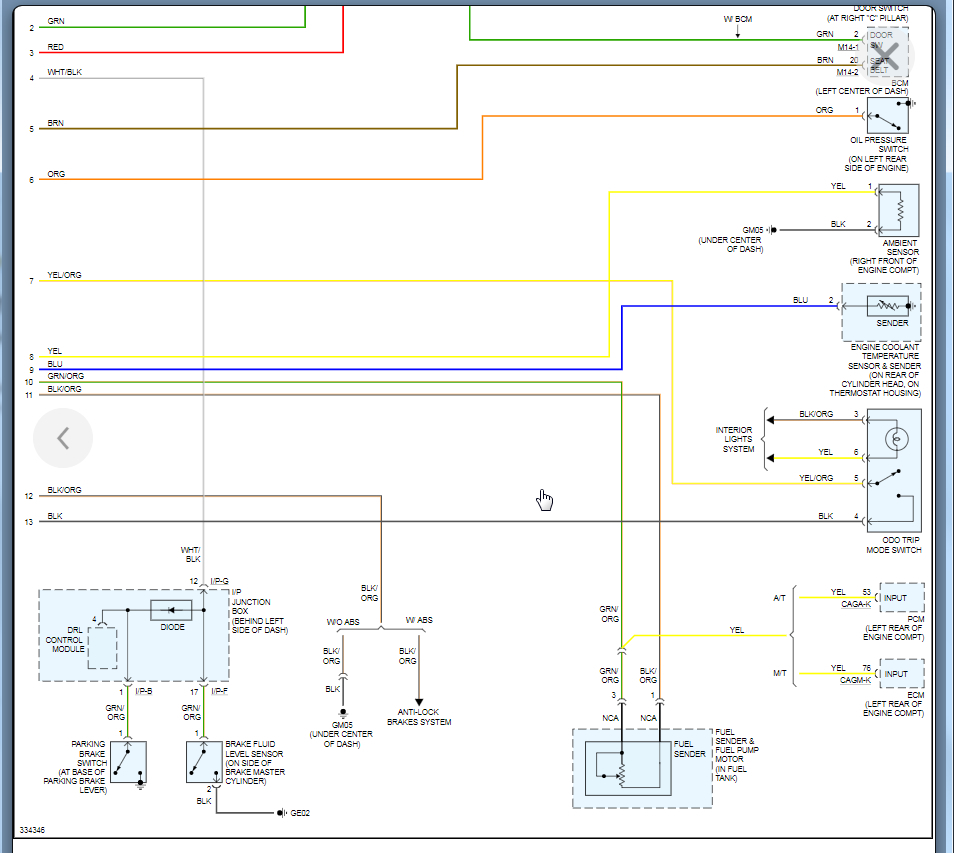
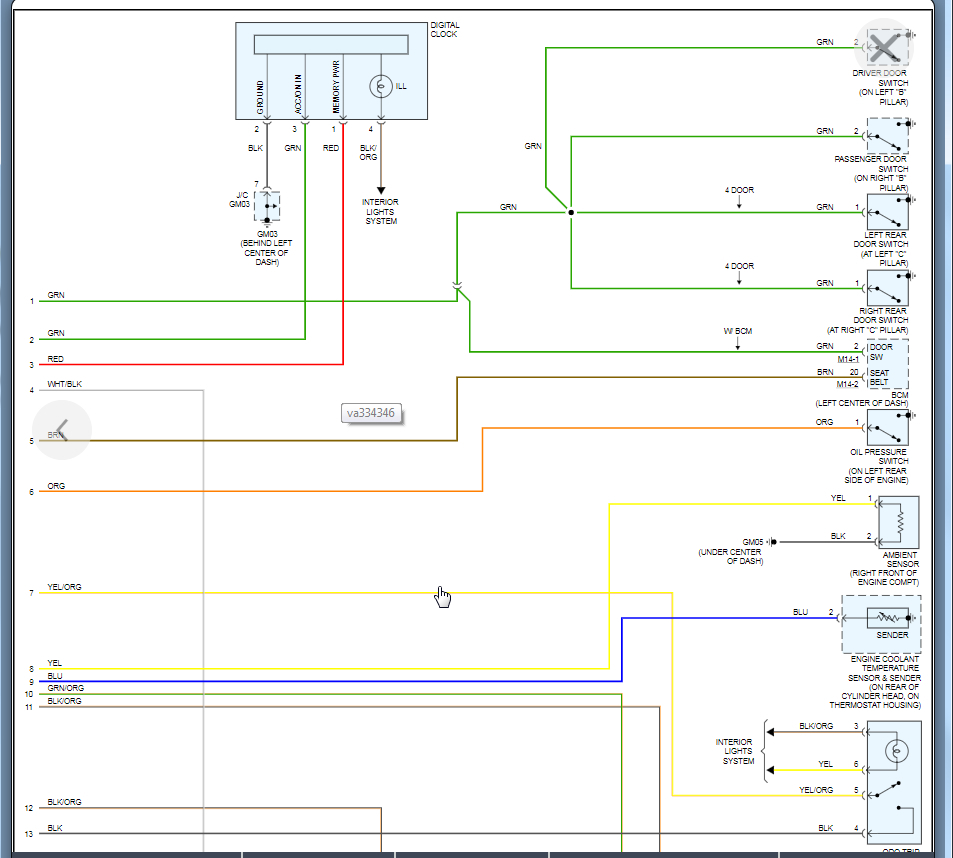
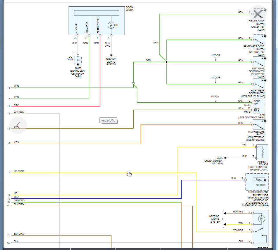
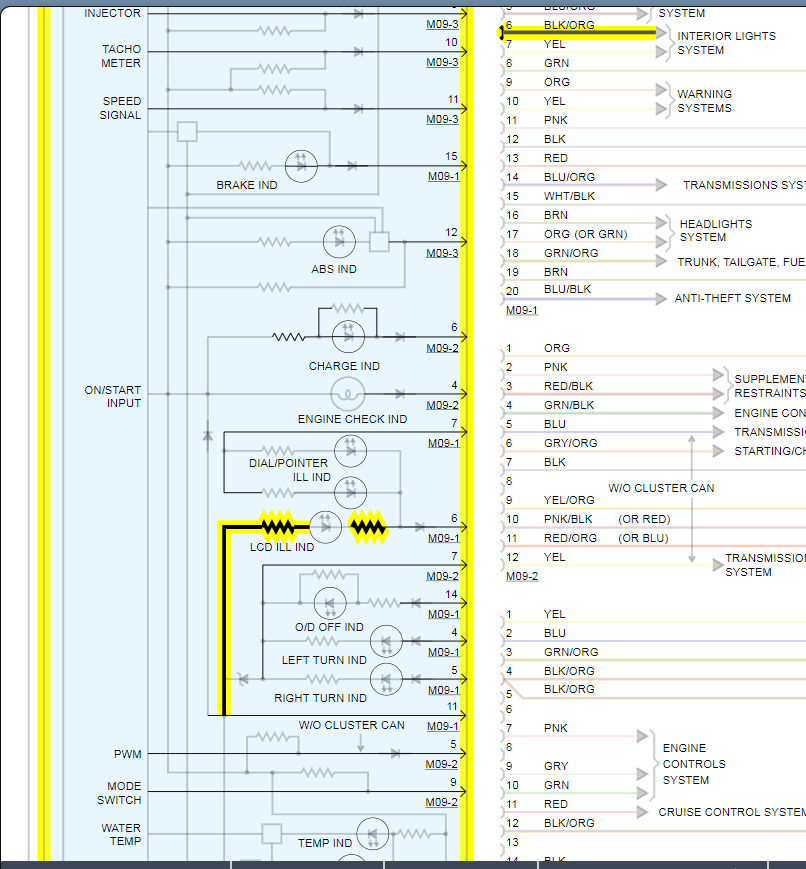
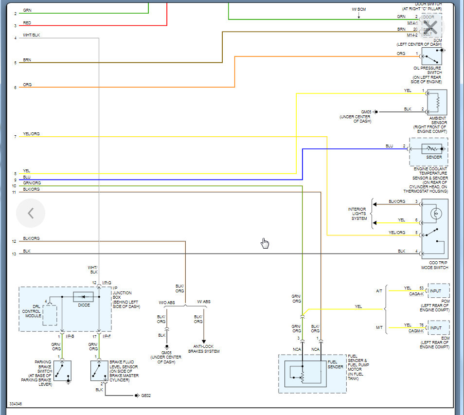
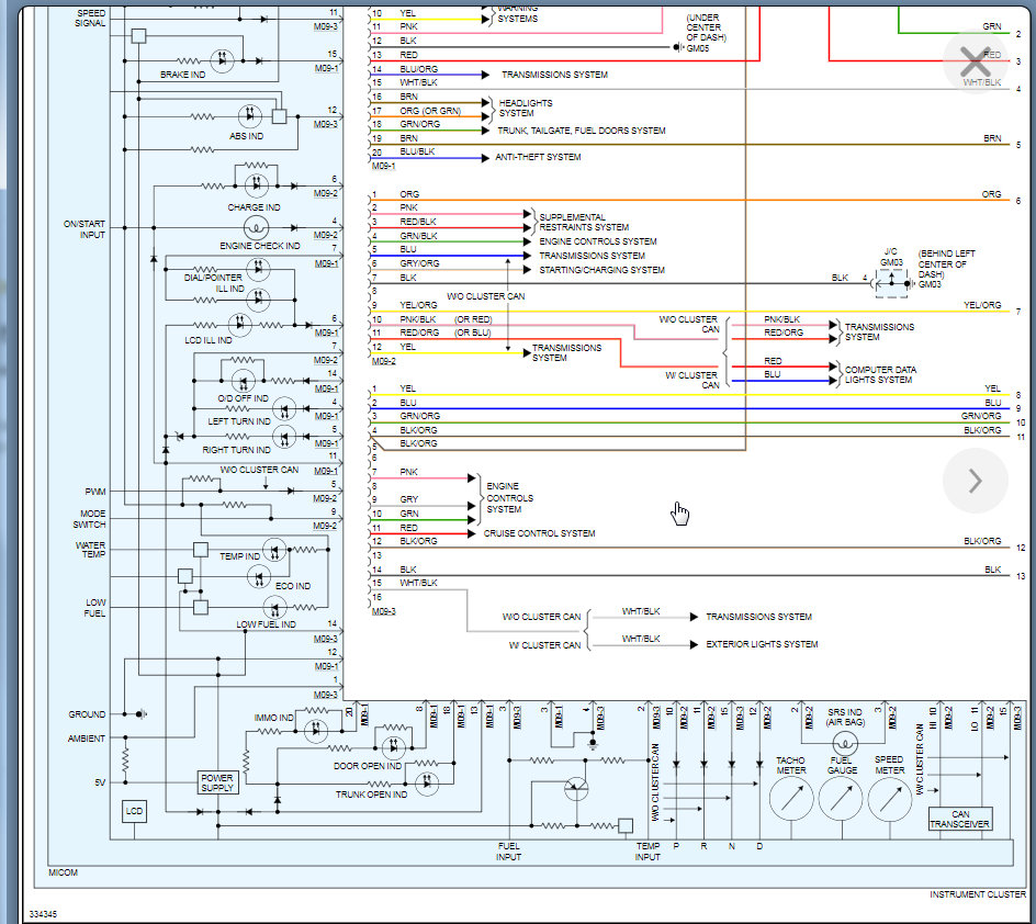
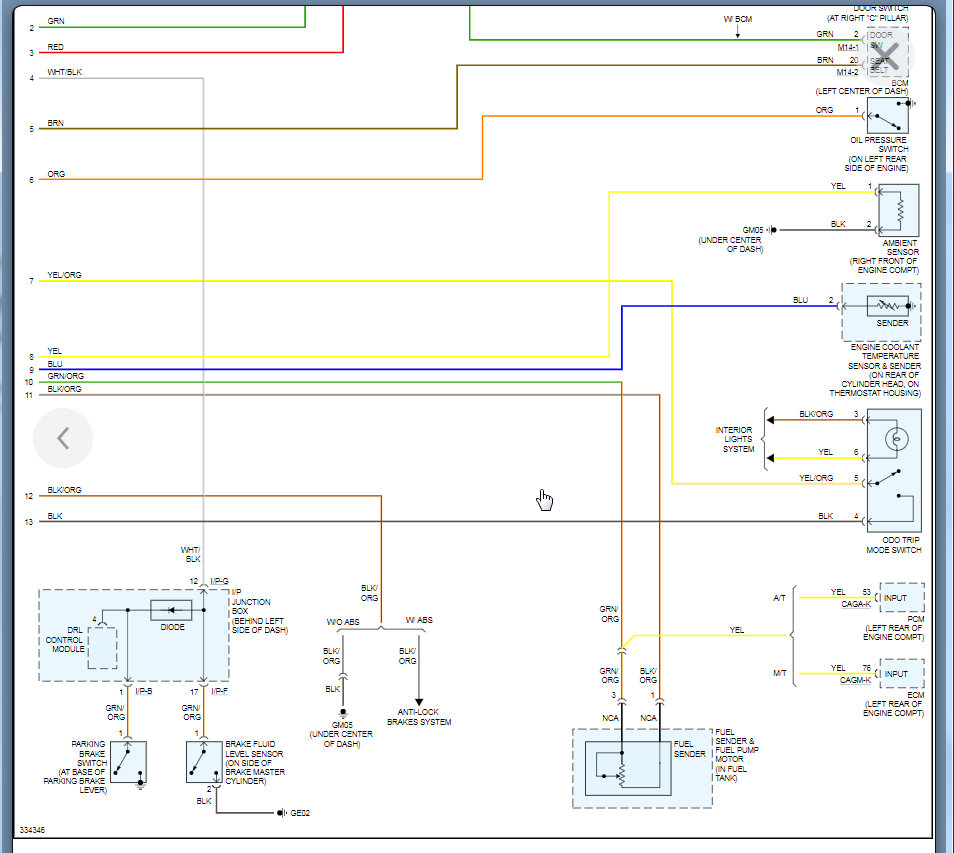
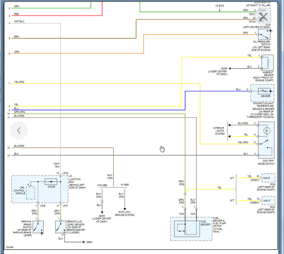
You are probably correct. However, we don't have a wiring diagram for your vehicle as it is not offered here in the USA but here is one from the USA version of your vehicle. While it may not be identical I am sure it is similar.

With that being said, the capacitor appears to be held in the cluster circuit board. As you can seen the interior lighting system runs this LCD screen and these capacitors are on the cluster board. So that means it would need to be replaced. If it were me, I would not worry about it but if you are going to make a repair, that is what I would replace.
Was this
answer
helpful?
Yes
No
+1
Sunday, November 1st, 2020 AT 3:33 PM
Tiny
L TIATOM
  • MEMBER
  • 61 POSTS
Please provide the complete whole circuit board diagram.
Was this
answer
helpful?
Yes
No
Sunday, November 1st, 2020 AT 6:25 PM
Tiny
KASEKENNY
  • MECHANIC
  • 18,907 POSTS
I am attaching the entire cluster diagram which includes the inputs. Thanks
Was this
answer
helpful?
Yes
No
Monday, November 2nd, 2020 AT 6:25 PM
Tiny
L TIATOM
  • MEMBER
  • 61 POSTS
Yes, with your help the odometer is normal again. Thanks so much Indeed.
(I dissembled all the instrument cluster panel and even the gauges pointers and reassembled all.)

However, meanwhile, tank is fully filled and the fuel gauge is sometimes stuck at half mark but never to zero mark.

Reinsert the key as well as resetting by removing the battery doesn't work.
The gauge sometimes shows full, sometimes halfway.

Even when the key is removed, sometimes it stuck at halfway or full mark. This is very surprising!

There is about 1 v at the wire of the fuel sending unit which shows voltage is ok. For 12 v, it will be fuel empty. On voltage reading, fuel system is ok.

Do I have to recalibrate the fuel gauge meter to half so that it will go to full when key at "on"? I have recalibrated all the gauges including fuel gauge to zero mark and all work normal.

Why this issue happen intermittently especially when key removed?
Was this
answer
helpful?
Yes
No
Saturday, November 21st, 2020 AT 5:25 AM
Tiny
KASEKENNY
  • MECHANIC
  • 18,907 POSTS
That is great news. However, we need a new post started for this new issue. I think you already did that as I remember responding to it this morning. Thanks for doing that.

With this info that you took it apart, I think my idea that the gauge is just getting stuck. Sounds like something is binding.

Please respond to the other post with updates on that issue. Glad you resolved this one.
Was this
answer
helpful?
Yes
No
Saturday, November 21st, 2020 AT 6:26 PM

Please login or register to post a reply.