Extra connector on motor?

Tiny
STILL NEEDS HELP
  • MEMBER
  • 1991 CHEVROLET SILVERADO
  • 4.3L
  • V6
  • 2WD
  • AUTOMATIC
  • 180,000 MILES
I was working on my truck doing maintenance replacing air filter, PCV valve and when I got done I've noticed a connector that was not connected to anything it comes out of the cluster of wires that runs to the alternator carburetor it has two wires running to it I sent photos because I am partially color blind and didn't want to miss label the wires. What does this connector plug into? As always thank you for your time and I look forward to your answer. I'm sorry I sent you this 3 times, but this is the right email address.
Saturday, December 30th, 2023 AT 2:41 AM

6 Replies

Tiny
AL514
  • MECHANIC
  • 5,593 POSTS
Hello, the connector looks pretty dirty inside, and it's just about impossible to see the wire colors from the pictures. I think one looks like White with a red stripe or the other way around. and the other maybe tan.? If you could get a clearer picture so we can see the wire colors better that would help. Something else you can do is turn the key On, engine Off and check if there any voltage on either wire, or if one goes to ground. With a multimeter set on DC volts, check each wire from battery positive and then negative.
Also, if you could post a picture zoomed out a bit more so we can see its general area better. I understand that a vehicle this old has wires that fade in color, so red can look Pinkish after so many years.
Another thing, does the truck run? If so, is anything missing, any gauge functions missing, battery light on. etc. But if we can see the wire colors more clearly, we can go through the wiring diagrams for the engine and try to identify it better.

https://www.2carpros.com/articles/how-to-use-a-voltmeter
Was this
answer
helpful?
Yes
No
Saturday, December 30th, 2023 AT 11:02 AM
Tiny
AL514
  • MECHANIC
  • 5,593 POSTS
These 2 different views of the engine compartment may help some.
If the pins inside are really dirty it may have not been plugged into anything. Zooming in on it, the inside of the connector looks like there's a lot of dust/dirt in there.
Do the wires come out of this bulk type connector in green?
Was this
answer
helpful?
Yes
No
Saturday, December 30th, 2023 AT 11:16 AM
Tiny
STILL NEEDS HELP
  • MEMBER
  • 3 POSTS
It comes out of cluster that runs through the fire wall. I'm sending a video that I tried to get the connector better and the point of entry into the firewall on the passenger side.
Was this
answer
helpful?
Yes
No
Saturday, December 30th, 2023 AT 6:29 PM
Tiny
AL514
  • MECHANIC
  • 5,593 POSTS
Well, I see one wire is definitely pink with a black stripe, the other wire looks Brown with possibly a Black stripe on it, can you see a stripe on it? Also, the connector itself looks very greenish with corrosion, so it may have not been plugged into anything before the repairs you did. Have you removed any type of EGR system from the engine in the past?
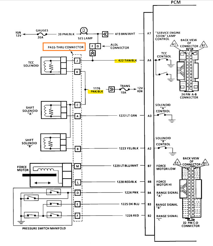
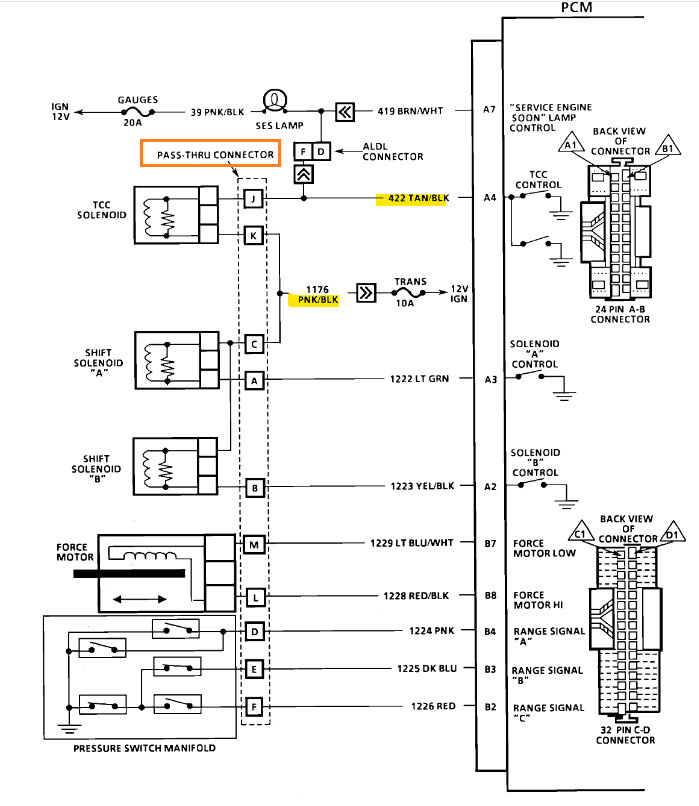
There are only a couple Pink/Black wires, and the closest connector I see is the TCC solenoid connector possibly. It has a pink/black wire and a tan/black wire. So, with the key on the pink/black wire it should read 12v. It may have been unplugged previously by someone else if the Torque Converter solenoid was not working or the Torque converter clutch was not locking up, possibly slipping. You could check around the transmission bell housing to see if there is any 2-pin connector there missing its wiring, it looks like it might reach down that way.
Here is where the TCC connector would be on the transmission.

You could also check for any trouble codes by grounding the Diagnostic pin at the ALDL connector, it should flash the Check Engine light a 12 if not codes are present. This is an old OBD 1 system, so flashing the Check Engine light or Service Engine light soon is how codes are retrieved from the PCM.

It might just be that you happen to come across the connector because you had things apart. It really doesn't look like it's been plugged into anything in a very long time. The pins inside the connector wouldn't be so green if it had been.
Was this
answer
helpful?
Yes
No
Sunday, December 31st, 2023 AT 12:50 PM
Tiny
STILL NEEDS HELP
  • MEMBER
  • 3 POSTS
I got confirmation that one wire is pink with black stripe and the other is brown (no stripe on it) I look under the passenger side dash where the cluster of wires enters the cab and there's 2 wires in the cluster that match but that's as far as I got. I'm leaning heavily on it hasn't been plugged in as you said. The truck runs, not. New but good for a 91.
Was this
answer
helpful?
Yes
No
Monday, January 1st, 2024 AT 7:25 AM
Tiny
AL514
  • MECHANIC
  • 5,593 POSTS
Okay, so, where that bulk of wires comes through the firewall, looks to be under where the glovebox location is, and is the PCM located in the area on I marked with a red circle? And do the wires run to the PCM, or do they go out from there under the dash somewhere else? I just wondering if they actually go to the PCM or not. Since we know it's a pink/black wire and a solid Brown wire, we can keep trying to track it down if you want.
Also, if the truck is not running that great, do you want to dig into that some more, or are you happy with its performance as is?
This has a throttle body with 2 fuel injectors correct? It has considerably lower mileage for being a 91'. And the electronic setup is pretty simple on these.
There are some pink/black wires that run to the cruise control system, which turn into just pink at a splice, so it may be for that. Or it could be optional for a manual transmission, they just used the same harness for auto or manual from the manufacturer.
Was this
answer
helpful?
Yes
No
Monday, January 1st, 2024 AT 11:00 AM

Please login or register to post a reply.