Wednesday, March 27th, 2019 AT 9:32 PM
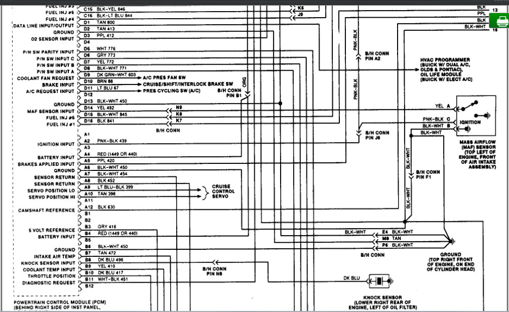
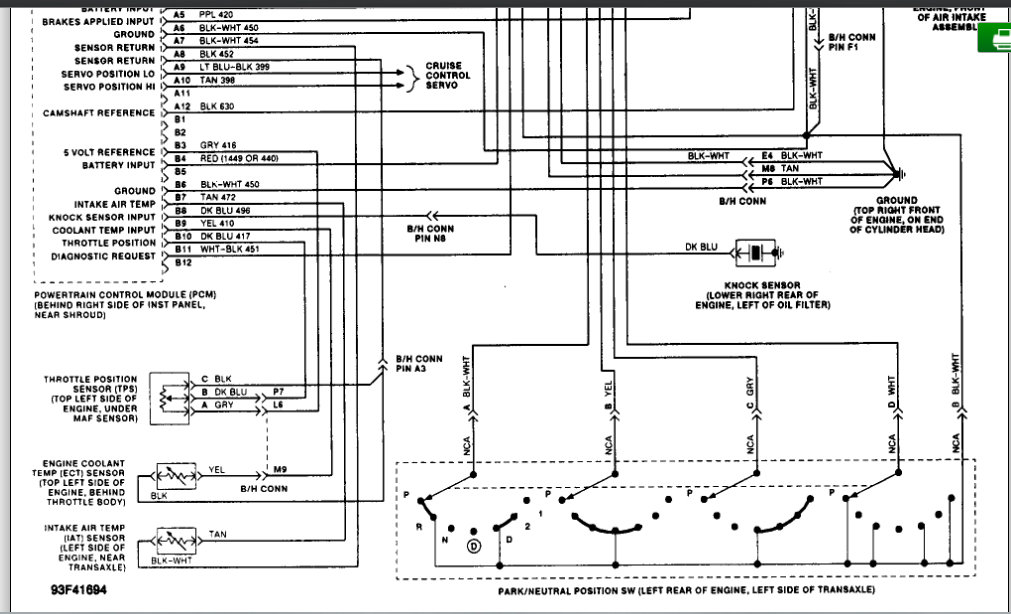
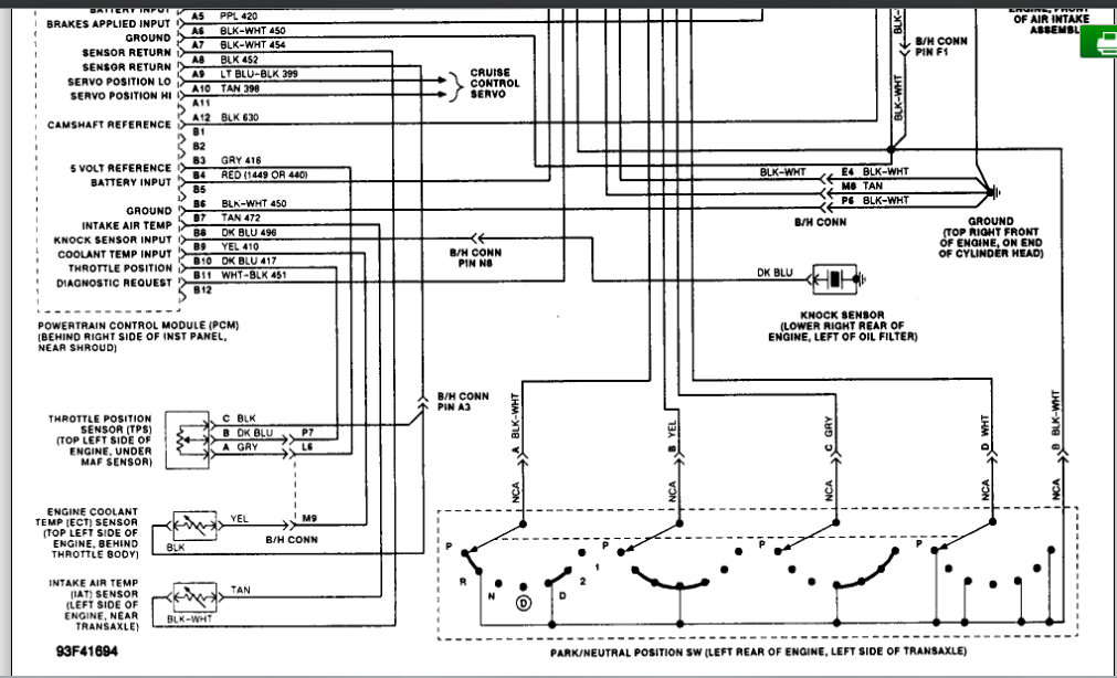
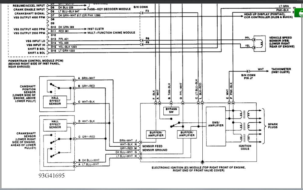
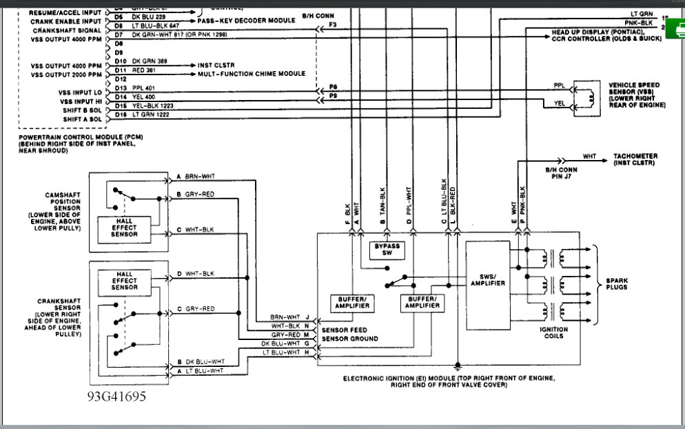
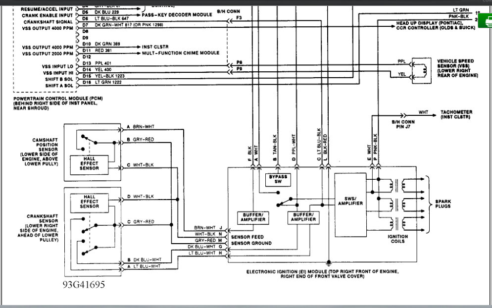
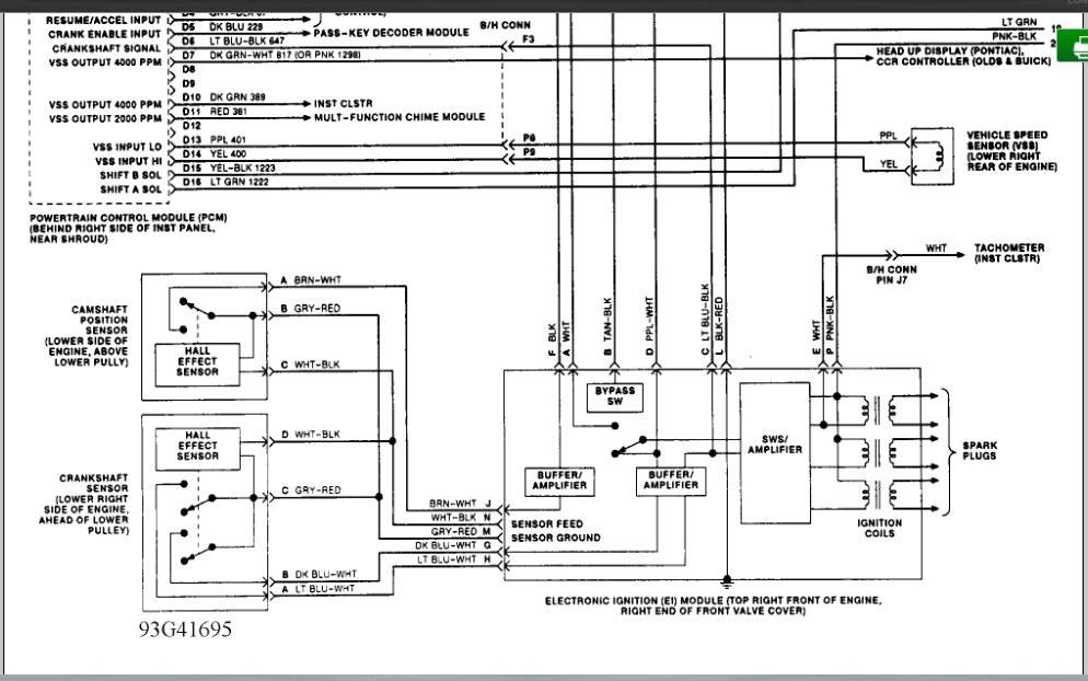
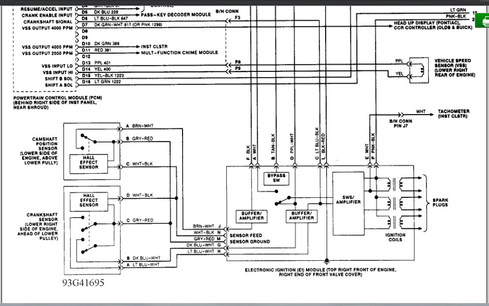
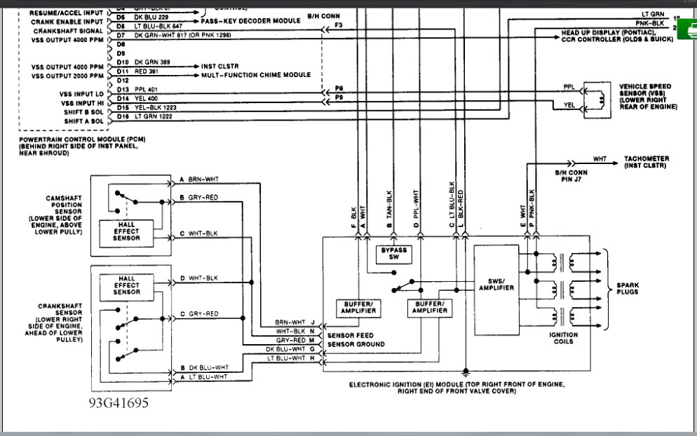
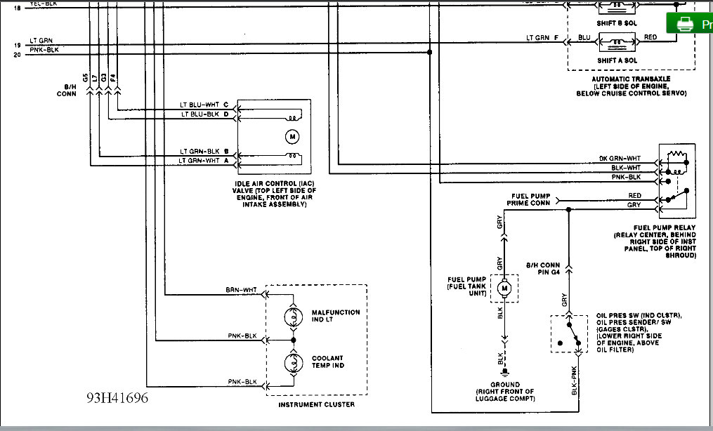
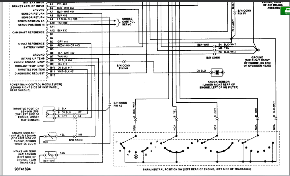
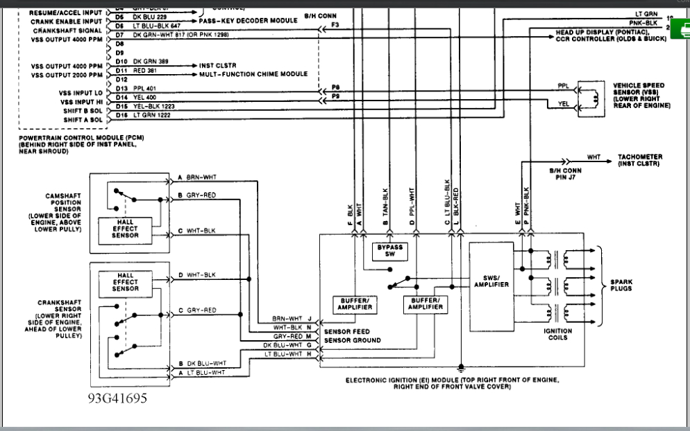
When checking cam sensor circuit found wiring harness for the cam sensor, crank sensor and the ignition control module bad. Removed harness and made new harness with new connectors. Installed harness and checked cam sensor circuit found power ground and a signal at the connector. When I installed the cam sensor on to the connector I saw A drop in the signal that goes to the computer. I replaced the cam sensor thinking it was causing the code, but I was wrong. I checked the internal magnet on the cam in the engine it was there and double checked harness and connectors found nothing wrong. Removed computer and did a visual inspection of computer and connectors looks okay. I need a wiring diagram and pin locations on computer in so I can check computer and harness. Please any help is needed.












