Erratic electrical

Tiny
KTUCKERHOYT62
  • MEMBER
  • 2008 FORD ESCAPE
  • V6
  • 2WD
  • AUTOMATIC
  • 154,000 MILES
Gauges pegging out and all warning lights coming on while driving.
Thursday, December 5th, 2019 AT 12:23 AM

3 Replies

Tiny
JONNYB1963
  • MECHANIC
  • 263 POSTS
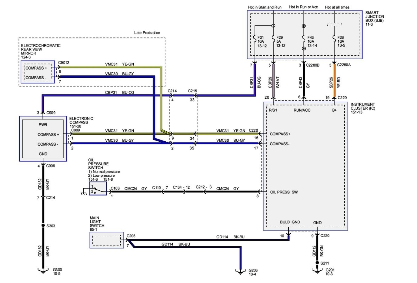
Sounds to me like you have a loose ground to the Instrument Cluster. Its a pretty common thing. This is where I would start if I were you.

On this vehicle there are two ground wires from the cluster, one goes to the left hand side, behind the dash panel and bolts to a stud on the body, The other goes to right side behind the dash and also bolts to a stud. You should check both of them.

You will need to get a flashlight and get under the dashboard and locate them. When you find them, give them a wiggle and if they move, tighten the nut to secure them back in place.

Start there and let me know what you find!

Regards
Jon
Was this
answer
helpful?
Yes
No
Thursday, December 5th, 2019 AT 7:12 AM
Tiny
KTUCKERHOYT62
  • MEMBER
  • 10 POSTS
Checked both sides ground wires no wiggle and verified with ohmmeter they are making good connection, meanwhile been doing a lot of research (we took car to 2 auto places they both said battery and alternator was good). I found alternator test and diode test that I performed this morning diodes tested bad. Thanks for your reply.
Was this
answer
helpful?
Yes
No
Thursday, December 5th, 2019 AT 8:59 AM
Tiny
JONNYB1963
  • MECHANIC
  • 263 POSTS
Ah okay!

Well it sounds like you've found the problem!

Come back and see us if you need anything else!

Jon
Was this
answer
helpful?
Yes
No
Thursday, December 5th, 2019 AT 10:16 AM

Please login or register to post a reply.