Wednesday, May 1st, 2024 AT 9:30 AM
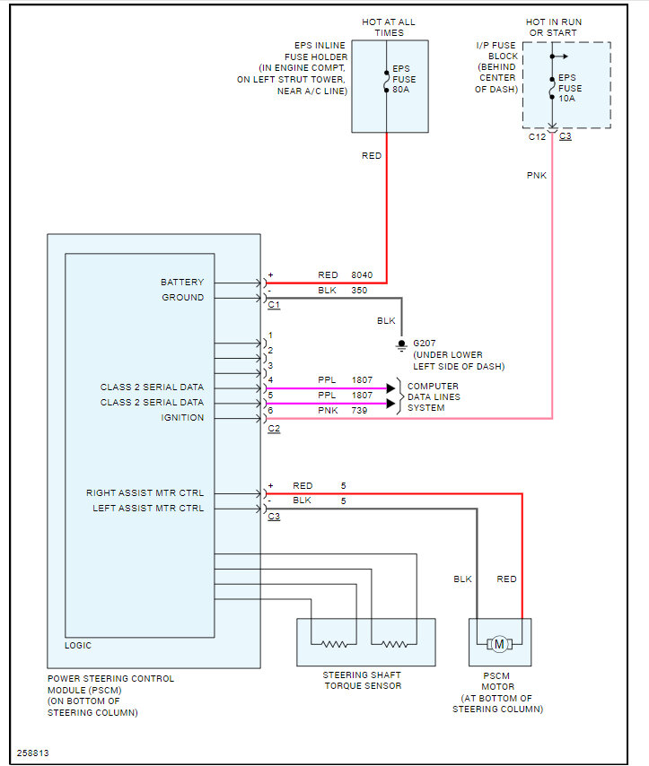
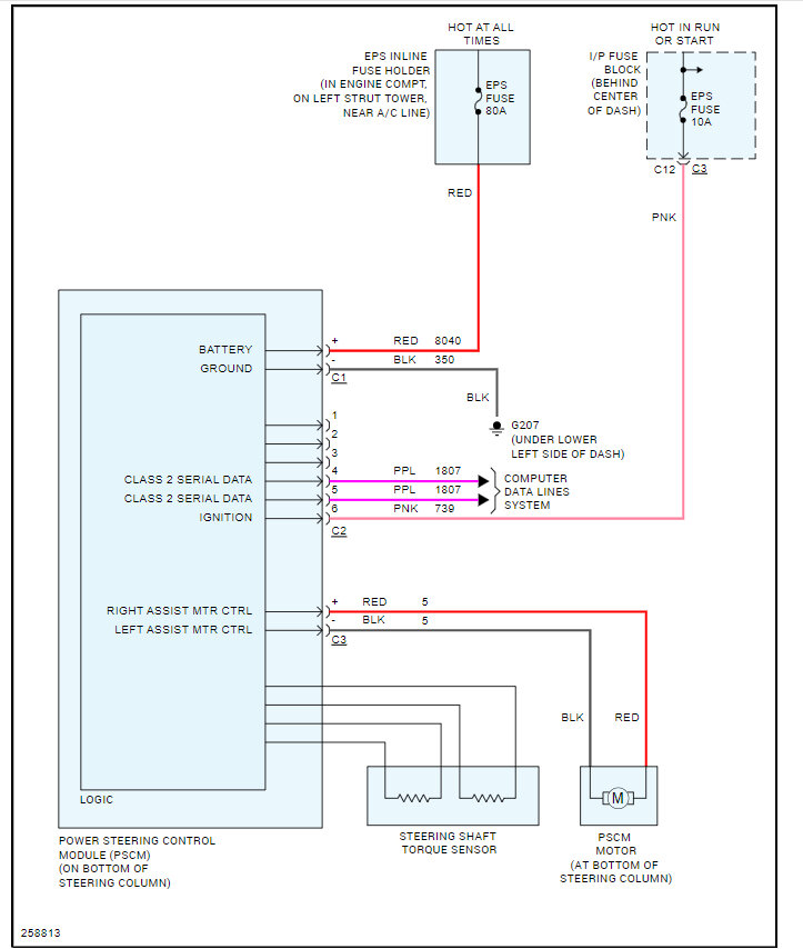
At first while driving all dash lights and electrical power steering would go off and on and then the steering wheel was harder to turn, more than before battery drained. The car wouldn't start. I replaced the battery and checked the ground on the battery to the body that was rusted, put a new connector to that to the body and now I have no EPS at all. The steering wheel is stiff and won't turn the key; it wasn't going to shut off all the way and couldn't get the key out, but the car starts runs. I don't have any EPS after changing into a new battery. The alternator is fine. I'm puzzled and need help; I can't take it to a mechanic don't have the money.



