Engine will not turn over

Tiny
WACKODA
  • MEMBER
  • 2006 DODGE DAKOTA
  • 3.7L
  • 6 CYL
  • 4WD
  • AUTOMATIC
  • 72,000 MILES
The motor will not start. I put in a new battery and it just makes a click noise but won't crank over.
Monday, April 29th, 2019 AT 6:58 AM

1 Reply

Tiny
KASEKENNY
  • MECHANIC
  • 18,907 POSTS
Hi,

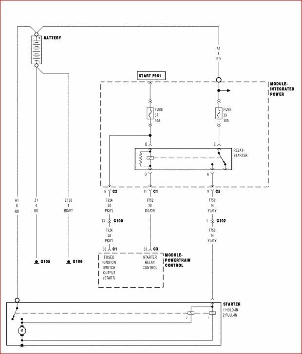
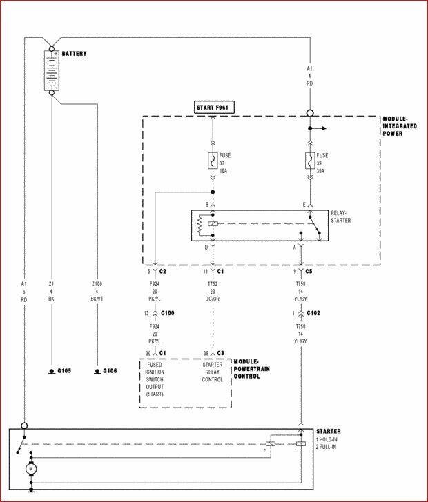
Take a look at the wiring diagram. We need to see what voltage we have down at the starter. Normally a starter clicks when it doesn't have enough voltage to engage the starter or the starter itself as failed. Also, it could be the starter is not getting proper voltage on the IPM on the control wire.

Here are a couple of guides that should help with this type of repair. Let me know if I missed something or you have other questions. Thanks

https://www.2carpros.com/articles/how-a-starter-and-solenoid-works

https://www.2carpros.com/articles/starter-not-working-repair
Was this
answer
helpful?
Yes
No
Monday, April 29th, 2019 AT 2:26 PM

Please login or register to post a reply.