Engine will not crank after replacing the intake manifold?

2000 LINCOLN TOWN CAR
275,000 MILES • 4.6L • V8 • 2WD • AUTOMATIC
Avatar
BIGWNN
  • MEMBER
  • 2 POSTS
I changed the intake manifold and now the engine won't crank. The cooling system was drained before installation The car operated perfectly before I changed the intake manifold.
Mar 20, 2021 at 4:53 PM
Repair Safety Notice: This information is for general instructional purposes only. Vehicle repair can be dangerous. Verify all information, follow manufacturer service procedures, use proper tools and safety equipment, and consult a qualified repair shop when needed.
Advertisement
Avatar
KASEKENNY
  • CAR REPAIR CONTRIBUTOR
  • 18,907 POSTS
When you say it will not crank that means when you turn the key the engine does not turn over? Many people get this confused and mean that it cranks but it does not start.

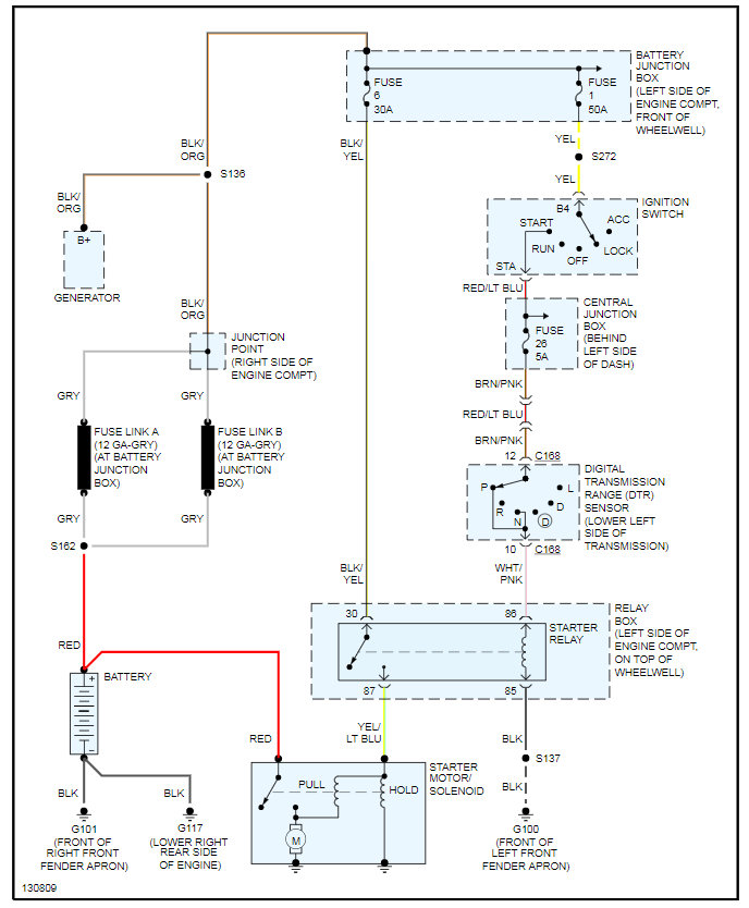
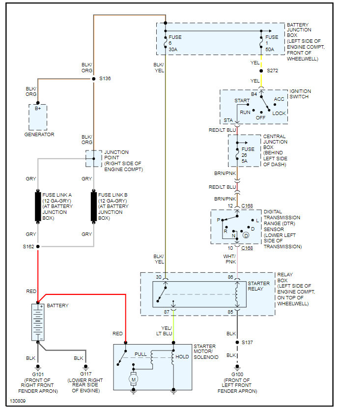
So if your engine does nothing when you turn the key then we need to go to the starter and check voltage at both terminals. This could just be a simple relay or a fuse that blew while doing the repair.

Below is a wiring diagram that will show the wires but you should have 12 volts on both when cranking the engine. The red will have 12 volts all the time.

https://www.2carpros.com/articles/starter-not-working-repair

However if the engine is cranking then we have a different issue.

Let start with this and go from there. Thanks
Mar 21, 2021 at 6:15 PM
Advertisement
Avatar
BIGWNN
  • MEMBER
  • 2 POSTS
It was the connection at the starter. Since the starter was relatively new and was working fine when we shut it off, I didn't even give it a thought to check it. Apparently there was just enough corrosion on the connection to keep it from working. Thanks
Mar 23, 2021 at 4:33 PM
Avatar
KASEKENNY
  • CAR REPAIR CONTRIBUTOR
  • 18,907 POSTS
Perfect. That is funny. You are the second person that had this issue in as many nights. I had someone last night with a connection issue at the starter causing issues.

Thanks so much for posting this as it will surely help others that visit this page. Thanks for using 2CarPros.
Mar 24, 2021 at 6:33 PM