This is an extra car and I did a nice slow and easy install and I was extremely systematic and thorough. The first thing I did was disconnect the battery and remove the ECM and put it in a safe place for the several week long job.
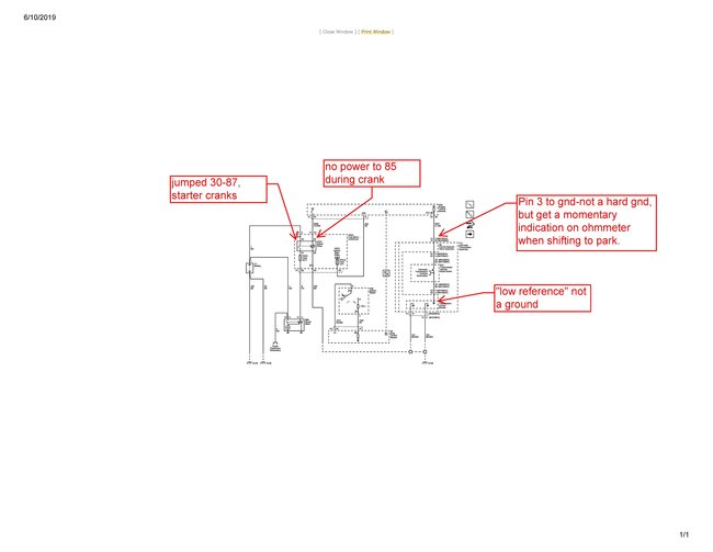
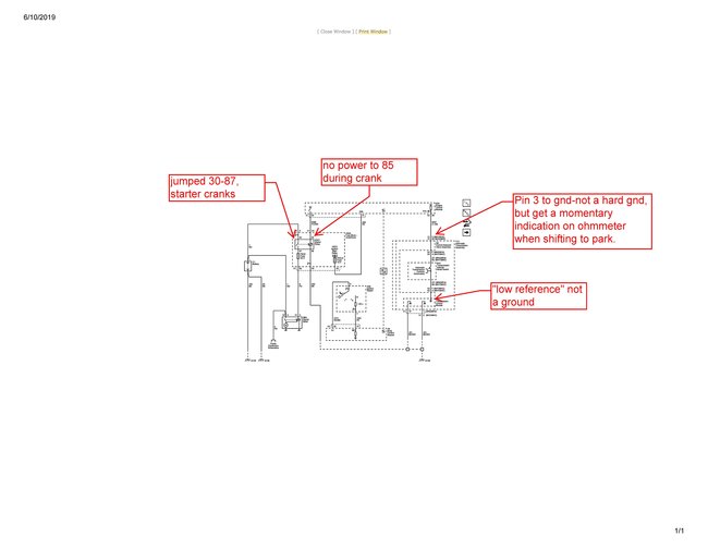
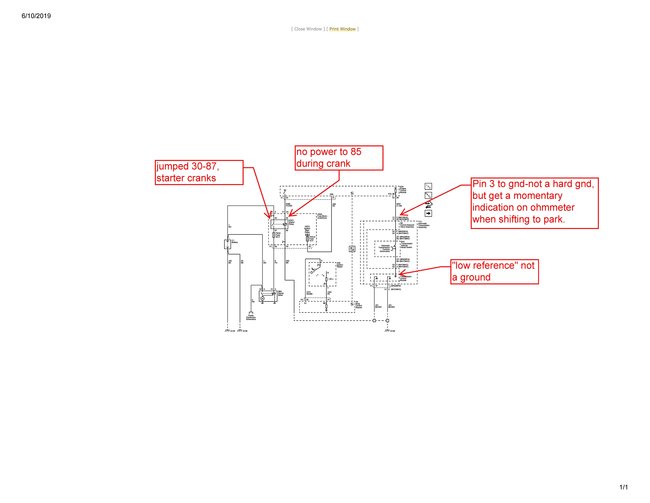
I'm not getting a signal to the starter relay from the ECM. I can jumper pins 30 and 87 on the starter relay and get it to crank, but not start. I have ohmed out the crank and cam position sensors from the ECM connector. The only thing I can't seem to verify is the low reference through the transmission internal mode switch. It does not show continuity when in park, but also does not seem open either. It always shows a momentary ohm reading and then quickly goes to open.
All of the sensors and the ECM are the same and there is no reason the ECM would know the engine has changed so I am pretty baffled as to why it wont crank.
I have checked all fuses and relays, rechecked all connectors, wiggled wires to no avail. I have 15 pages of wiring diagrams and am out of things to check.
Does anybody have any constructive ideas I may have not tried yet?
Sunday, June 9th, 2019 AT 2:46 PM



