Engine will not crank

Tiny
SPLITWINDOW
  • MEMBER
  • 2003 NISSAN PATHFINDER
  • 3.5L
  • V6
  • 4WD
  • AUTOMATIC
  • 166,000 MILES
Location of starter relay.
Tuesday, March 6th, 2018 AT 4:40 AM

2 Replies

Tiny
KEN L
  • MASTER CERTIFIED MECHANIC
  • 55,440 POSTS
Hello,

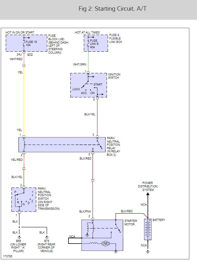
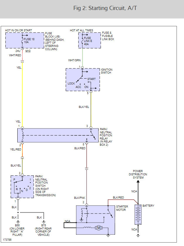
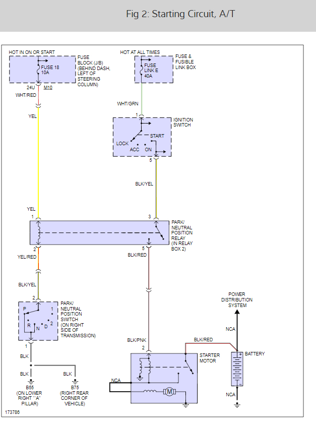
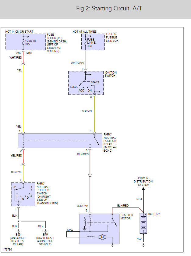
The starter relay is called a park neutral position relay. Here is a guide to help you test the relay once you find it:

https://www.2carpros.com/articles/how-to-check-an-electrical-relay-and-wiring-control-circuit

Below are the fuse panel and relay locations for the entire truck keep this page in your favorites for future reference. I includes the wiring for the starter as well.

Check out the diagrams (below).

Let us know what happens and please upload pictures or videos of the problem.

Cheers, Ken
Was this
answer
helpful?
Yes
No
+1
Wednesday, March 7th, 2018 AT 1:55 PM
Tiny
PATENTED_REPAIR_PRO
  • MECHANIC
  • 1,853 POSTS
In relay box 2.
Was this
answer
helpful?
Yes
No
+2
Wednesday, March 7th, 2018 AT 1:57 PM

Please login or register to post a reply.